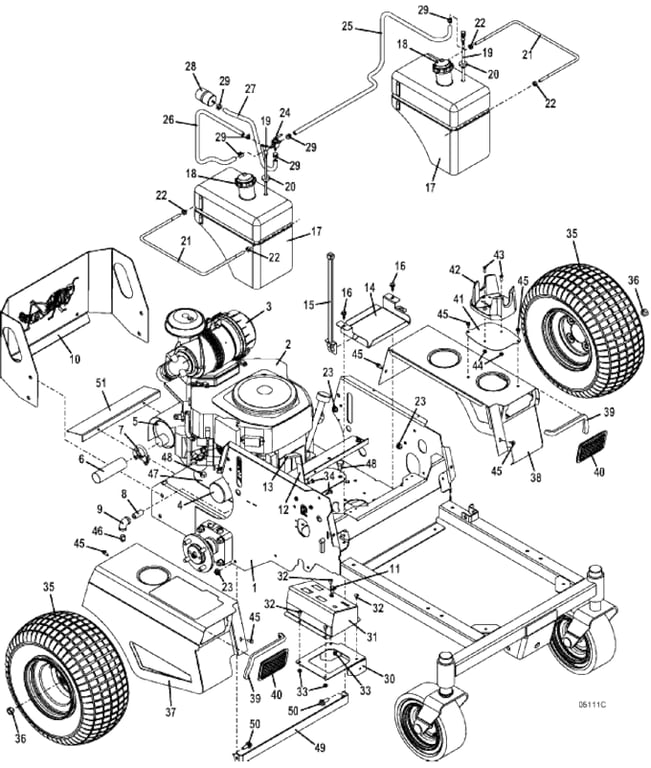
120K Tractor Assembly M248 - 2010-5
Click On a Part Number Below for Details
NOTE: If the part number you select is not linked to the shopping cart,call toll-free 866-698-4070 for availability.
| Item # | Part Number - Description | Price | |
|---|---|---|---|
| 1 | 644408 - M248 Frame | Add To Cart | |
| 2 | 100152 - 20hp Kohler Vertical HD Cleaner Engine | Call For Details | |
| 3 | 100936 - HD Outer Air Filter | Add To Cart | |
| - | 100937 - HD Inner Air Filter | Call For Details | |
| 4 | 100802 - Kohler Oil Filter | Add To Cart | |
| 5 | 101221 - Muffler for 20hp Kohler Vertical Engine | Call For Details | |
| - | 101041 - Kohler Exhaust Gasket | Add To Cart | |
| 6 | 942400 - M2 Exhaust Pipe | Add To Cart | |
| 7 | 101356 - Exhaust Clamp | Add To Cart | |
| 8 | 364508 - Nipple | Add To Cart | |
| 9 | 362215 - Ell | Add To Cart | |
| 10 | 724674 - M2 Rear Shield | Call For Details | |
| 11 | 142250 - Mechanical Choke | Add To Cart | |
| 12 | 603856 - Throttle Assembly | Add To Cart | |
| - | 323640 - Control Cable Assembly | Add To Cart | |
| - | 722009 - Throttle Lever Stop | Add To Cart | |
| 13 | 422150 - Handle Grip | Add To Cart | |
| 14 | 723230 - Battery Box | Call For Details | |
| 15 | 604785 - Battery Hold Down Strap | Add To Cart | |
| 16 | 253192 - Hex Flange Whiz Bolt | Add To Cart | |
| 17 | 604807 - M2 3 Gallon Tank Assembly | Add To Cart | |
| 18 | 100210 - Fuel Cap | Add To Cart | |
| 19 | 363925 - Fuel Tube | Add To Cart | |
| 20 | 101875 - Grommet | Add To Cart | |
| 21 | 730451 - 100 Gas Tank Mount Rod | Call For Details | |
| 22 | 254450 - Nut | Add To Cart | |
| 23 | 253043 - Whiz Nut | Add To Cart | |
| 24 | 143641 - Single Fuel Reserve Valve | Add To Cart | |
| 25 | 821771 - Fuel Hose | Add To Cart | |
| 26 | 821738 - Fuel Hose | Add To Cart | |
| 27 | 821737 - Fuel Hose | Call For Details | |
| 28 | 101001 - Kohler Fuel Filter | Call For Details | |
| 29 | 280260 - Spring Hose Clamp | Add To Cart | |
| 30 | 644410 - 100 Console Bracket | Call For Details | |
| 31 | 645102 - M2/200V Console | Call For Details | |
| 32 | 253176 - Truss Whiz Bolt | Add To Cart | |
| 33 | 253025 - Whiz Nut | Add To Cart | |
| 34 | 253177 - Truss Whiz Bolt | Add To Cart | |
| 35 | 483906 - 4-Bolt Wheel & Turf Tire 18 x 9.5 x 8 | Add To Cart | |
| - | 482453 - Turf Tire 18 x 9.5 x 8 | Add To Cart | |
| - | 482457 - Knobby Tire 18 x 9.5 x 8 | Call For Details | |
| - | 482458 - Tire Bar | Add To Cart | |
| - | 483399 - Wheel | Add To Cart | |
| - | 483907 - Wheel & Turf Tire | Call For Details | |
| - | 483908 - Right Wheel & Tire Bar | Call For Details | |
| - | 483909 - Left Wheel & Tire Bar | Call For Details | |
| 36 | 254472 - Lug Nut | Add To Cart | |
| 37 | 644435 - Right 100S Fender | Call For Details | |
| 38 | 644436 - Left 100S Fender | Call For Details | |
| 39 | 822631 - Fender Edge Trim | Add To Cart | |
| 40 | 422079 - Work Lamp Hole Plug | Add To Cart | |
| 41 | 722804 - M2 Reservoir Access Panel | Add To Cart | |
| 42 | 150225 - Cup Holder | Add To Cart | |
| 43 | 259030 - Cap Screw | Add To Cart | |
| 44 | 254436 - Nut | Add To Cart | |
| 45 | 253173 - Hex Whiz Bolt | Add To Cart | |
| 46 | 365515 - Metal Pipe Plug | Add To Cart | |
| 47 | 725479 - M2 Doubler Frame | Call For Details | |
| 48 | 243551 - Hex Bolt | Add To Cart | |
| - | 253066 - Whiz Nut | Add To Cart | |
| 49 | 732514 - M2 120 Tension Strap | Add To Cart | |
| 50 | 253203 - Flange Whiz Bolt | Add To Cart | |
| 51 | 722974 - 120 Heat Shield | Call For Details | |
| 52 | 605324 - 120/48 120K/48 Decal Set | Add To Cart |