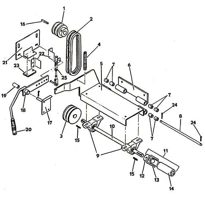
1210 Power Shaft & Clutch  - 1986
Click On a Part Number Below for Details
NOTE: If the part number you select is not linked to the shopping cart,call toll-free 866-698-4070 for availability.
| Item # | Part Number - Description | Price | |
|---|---|---|---|
| 1 | 416075 - Sheave | Call For Details | |
| 2 | 381100 - Belt | Add To Cart | |
| 3 | 416085 - Sheave | Add To Cart | |
| 4 | 283820 - Extension Spring w/Swivel | Add To Cart | |
| 5 | 643646 - Clutch Bearing Plate | Call For Details | |
| 6 | 643412 - Hinge | Call For Details | |
| 7 | 422560 - Nylon Bearing | Add To Cart | |
| 8 | 780640 - Clutch Hinge Pin | Call For Details | |
| 9 | 122025 - Pillowblock Bearing | Add To Cart | |
| 10 | 881455 - Power Shaft | Add To Cart | |
| 11 | 398910 - UN Half Sleeve | Add To Cart | |
| 12 | 401005 - Yoke | Add To Cart | |
| 13 | 121010 - Cross & Bearing | Add To Cart | |
| 14 | 401015 - Yoke w/Sleeve | Add To Cart | |
| 15 | 281565 - Square Key | Add To Cart | |
| 16 | 281585 - Square Key | Add To Cart | |
| 17 | 643566 - Lever Pivot Mount | Call For Details | |
| 18 | 643520 - Clutch Lever | Call For Details | |
| 19 | 422580 - Nylon Bearing | Add To Cart | |
| 20 | 422160 - Handle Grip | Add To Cart | |
| 21 | 643652 - PTO Brake Plate | Call For Details | |
| 22 | 724029 - Belt Guide | Call For Details | |
| 23 | 822315 - PTO Brake Pad | Add To Cart | |
| 24 | 260652 - Cotter Pin | Add To Cart | |
| 25 | 603740 - Tensioner Assembly | Add To Cart | |
| - | 283322 - Compression Spring | Add To Cart | |
| - | 643576 - Short Spring Mount | Call For Details | |
| - | 261284 - Clevis Pin | Add To Cart | |
| - | 265537 - Clevis Yoke | Add To Cart | |
| - | 243290 - Bolt | Add To Cart |