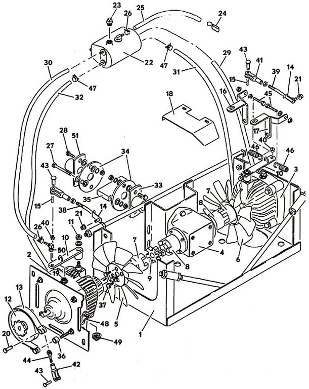
1212 Drive Assembly  - 1991
Click On a Part Number Below for Details
NOTE: If the part number you select is not linked to the shopping cart,call toll-free 866-698-4070 for availability.
| Item # | Part Number - Description | Price | |
|---|---|---|---|
| 1 | 643537 - Hydro Drive Mount | Call For Details | |
| 2 | 391429 - counter-clockwise Hydrostatic Drive with Adapter | Add To Cart | |
| 3 | 391430 - clockwise Hydrostatic Drive with Adapter | Call For Details | |
| 4 | 390220 - Gearbox | Add To Cart | |
| 5 | 320856 - counter-clockwise Nylon Fan | Add To Cart | |
| 6 | 320857 - clockwise Nylon Fan | Add To Cart | |
| 7 | 831020 - Flex Coupling | Add To Cart | |
| 8 | 388415 - Coupler | Add To Cart | |
| 9 | 388500 - Spider Coupler | Add To Cart | |
| 10 | 643054 - 1212/400 Control Arm | Call For Details | |
| 11 | 253890 - Nut | Add To Cart | |
| 12 | 417515 - Sprocket & Drum Assembly | Add To Cart | |
| 13 | 481115 - Brake Band Assembly | Add To Cart | |
| 14 | 722012 - Clip Backing | Add To Cart | |
| 15 | 260520 - Hair Pin | Add To Cart | |
| 16 | 643608 - Mount | Call For Details | |
| 17 | 643609 - Mount | Call For Details | |
| 18 | 720185 - Fan Shroud | Add To Cart | |
| 19 | 830345 - Adapter | Call For Details | |
| 20 | 261340 - Clevis Pin | Add To Cart | |
| 21 | 422520 - Nylon Bearing | Add To Cart | |
| 22 | 603705 - Reservoir Assembly | Add To Cart | |
| 23 | 365516 - Plug | Add To Cart | |
| 24 | 280392 - Clip | Call For Details | |
| 25 | 821722 - Hose | Add To Cart | |
| 26 | 280257 - Hose Clamp | Add To Cart | |
| 27 | 243355 - Bolt | Add To Cart | |
| 28 | 243330 - Bolt | Add To Cart | |
| 29 | 821712 - Hose | Add To Cart | |
| 30 | 821748 - Hose | Add To Cart | |
| 31 | 821732 - Hose | Add To Cart | |
| 32 | 821756 - Hose | Add To Cart | |
| 33 | 824545 - Hub | Call For Details | |
| 34 | 821530 - Coupling Disc | Add To Cart | |
| 35 | 783705 - Coupling Block | Call For Details | |
| 36 | 902280 - Spacer | Add To Cart | |
| 37 | 250169 - Screw | Add To Cart | |
| 38 | 730270 - Steering Linkage Rod | Call For Details | |
| 39 | 730271 - Steering Linkage Rod | Call For Details | |
| 40 | 422540 - Nylon Bearing | Add To Cart | |
| 41 | 265537 - Clevis Yoke | Add To Cart | |
| 42 | 265538 - Clevis Yoke | Add To Cart | |
| 43 | 261284 - Clevis Pin | Add To Cart | |
| 44 | 830018 - Eye Bolt | Add To Cart | |
| 45 | 243035 - Bolt | Add To Cart | |
| 46 | 283823 - Extension Spring | Add To Cart | |
| 47 | 280260 - Hose Clamp | Add To Cart | |
| 48 | 284205 - Formed Hydro Relief Spring | Add To Cart | |
| 49 | 422010 - Reservoir Adapter | Add To Cart | |
| 50 | 363827 - 90 Degree Barbed Fitting | Add To Cart | |
| 51 | 824548 - Flex Coupling Hub | Call For Details | |
| 52 | 281823 - Woodruff Key | Add To Cart | |
| 53 | 281828 - Woodruff Key | Add To Cart | |
| 54 | 281833 - Woodruff Key | Add To Cart |