1212 Power Shaft & Clutch  - 1988
Click On a Part Number Below for Details
NOTE: If the part number you select is not linked to the shopping cart,call toll-free 866-698-4070 for availability.
| Item # | Part Number - Description | Price | |
|---|---|---|---|
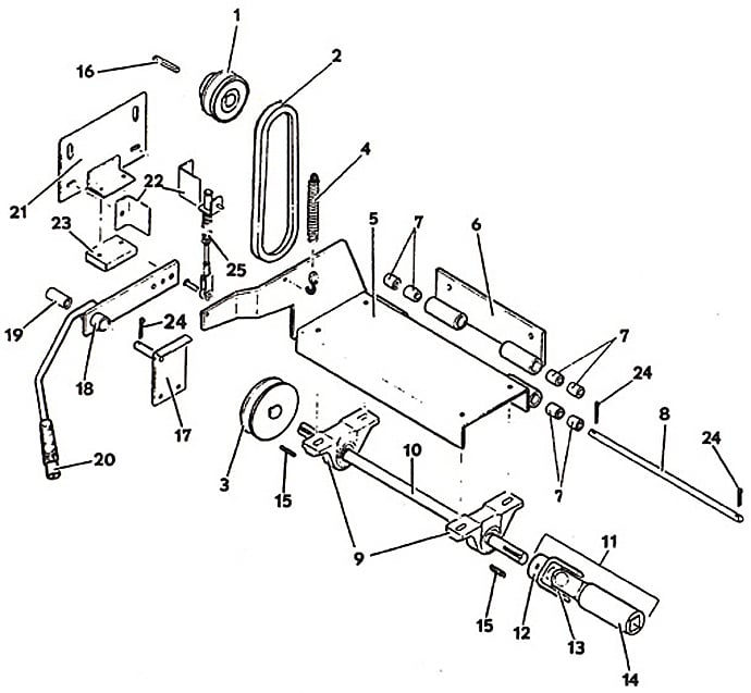
| 1 | 415864 - Sheave | Call For Details | |
| 2 | 383400 - Belt | Add To Cart | |
| 3 | 415883 - Sheave | Add To Cart | |
| 4 | 283820 - Extension Spring with Swivel | Add To Cart | |
| 5 | 643646 - Clutch Bearing Plate | Call For Details | |
| 6 | 643412 - Hinge | Call For Details | |
| 7 | 422560 - Nylon Bearing | Add To Cart | |
| 8 | 780640 - Clutch Hinge Pin | Call For Details | |
| 9 | 122025 - Pillowblock Bearing | Add To Cart | |
| 10 | 881455 - Power Shaft | Add To Cart | |
| 11 | 398910 - UN Half Sleeve | Add To Cart | |
| 12 | 401005 - Yoke | Add To Cart | |
| 13 | 121010 - Cross & Bearing | Add To Cart | |
| 14 | 401015 - Yoke with Sleeve | Add To Cart | |
| 15 | 281565 - Square Key | Add To Cart | |
| 16 | 281585 - Square Key | Add To Cart | |
| 17 | 643566 - Lever Pivot Mount | Call For Details | |
| 18 | 643520 - Clutch Lever | Call For Details | |
| 19 | 422580 - Nylon Bearing | Add To Cart | |
| 20 | 422160 - Handle Grip | Add To Cart | |
| 21 | 643653 - Brake Plate | Call For Details | |
| 22 | 724029 - Belt Guide | Call For Details | |
| 23 | 822316 - PTO Brake Pad | Call For Details | |
| 24 | 260652 - Cotter Pin | Add To Cart | |
| 25 | 603740 - 6 inch Tensioner Assembly | Add To Cart |