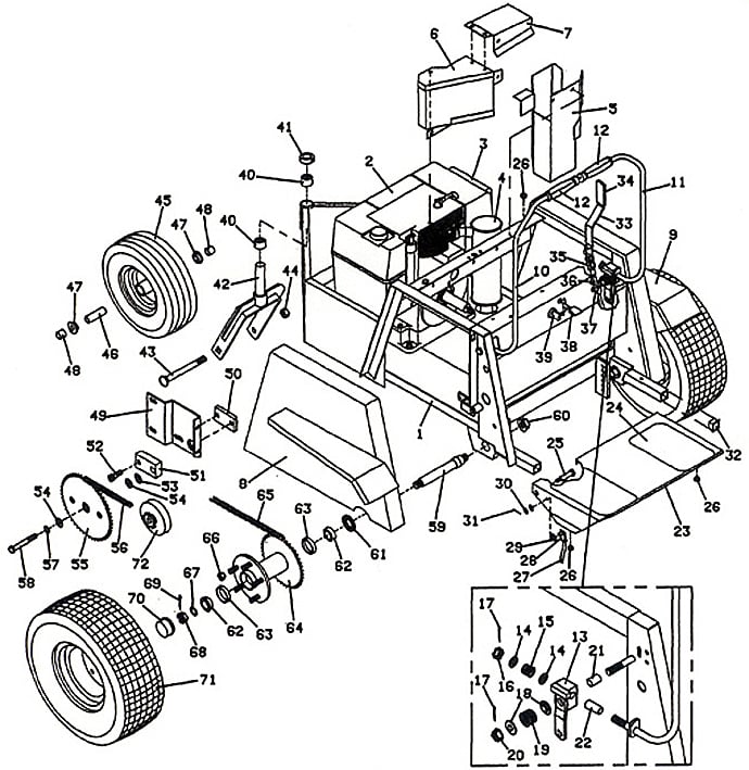
1212 Tractor Assembly - 1991
Click On a Part Number Below for Details
NOTE: If the part number you select is not linked to the shopping cart,call toll-free 866-698-4070 for availability.
Item # | Part Number - Description | Price | |
---|---|---|---|
1 | 643381 - Tractor Frame | Call For Details | |
2 | 100111 - 12hp Kohler Engine | Call For Details | |
3 | 100910 - Kohler Air Filter | Call For Details | |
- | 100915 - Kohler Air Filter Pre Cleaner | Call For Details | |
4 | 101200 - Kohler Muffler | Call For Details | |
5 | 643617 - Muffler Shield | Call For Details | |
6 | 643035 - Air Deflector | Call For Details | |
7 | 721128 - Air Deflector | Call For Details | |
8 | 643340 - Right Extended Fender | Call For Details | |
9 | 643341 - Left Extended Fender | Call For Details | |
10 | 643534 - Right Steering Lever | Add To Cart | |
11 | 643535 - Left Steering Lever | Call For Details | |
12 | 422160 - Handle Grip | Add To Cart | |
13 | 643643 - Right Steering Lever Pivot | Call For Details | |
- | 643644 - Left Steering Lever Pivot | Add To Cart | |
14 | 257064 - Washer | Call For Details | |
15 | 283324 - Compression Spring | Add To Cart | |
16 | 253470 - Nut wwith Nylon Insert | Add To Cart | |
17 | 260652 - Cotter Pin | Add To Cart | |
18 | 257067 - Washer | Add To Cart | |
19 | 283381 - Compression Spring | Add To Cart | |
20 | 830355 - Nut | Call For Details | |
21 | 422560 - Nylon Bearing | Add To Cart | |
22 | 422580 - Nylon Bearing | Add To Cart | |
23 | 643710 - Foot Rest | Call For Details | |
24 | 420902 - Foot Rest Tread | Add To Cart | |
25 | 259741 - Shoulder Bolt | Add To Cart | |
26 | 424015 - Rubber Bumper | Add To Cart | |
27 | 730350 - Foot Rest Lift Rod | Call For Details | |
28 | 722012 - Clip Backing | Add To Cart | |
29 | 257030 - Washer | Add To Cart | |
30 | 257020 - Washer | Add To Cart | |
31 | 260648 - Cotter Pin | Add To Cart | |
32 | 422065 - Plug | Add To Cart | |
33 | 643518 - Brake Lever | Call For Details | |
34 | 422150 - Handle Grip | Add To Cart | |
35 | 265537 - Clevis Yoke | Add To Cart | |
36 | 730292 - Brake Linkage Rod | Call For Details | |
37 | 142225 - Mechanical Choke | Add To Cart | |
38 | 142311 - Mechanical Throttle | Add To Cart | |
39 | 183806 - Ignition Switch | Add To Cart | |
40 | 121590 - Needle Bearing | Add To Cart | |
41 | 280440 - Set Collar | Add To Cart | |
42 | 643368 - Solid Shank Rear Fork | Add To Cart | |
43 | 247725 - Carriage Bolt | Add To Cart | |
44 | 253970 - Lock Nut | Add To Cart | |
45 | 483861 - Wheel & Tire with Bearings & Spacer - 13 x 5 x 6 | Add To Cart | |
- | 482350 - Tubeless Ribbed Tire - 13 x 5 x 6 | Add To Cart | |
- | 483301 - Wheel with Bearings & Spacer - 6 x 3.25 | Add To Cart | |
46 | 902475 - Rear Wheel Bearing Spacer | Add To Cart | |
47 | 120050 - Ball Bearing | Add To Cart | |
48 | 902425 - Axle Spacer | Add To Cart | |
49 | 643588 - Right 22 Drive Mount | Call For Details | |
- | 643587 - Left 22 Drive Mount | Add To Cart | |
50 | 783528 - Clamp Plate | Call For Details | |
51 | 783831 - Cluster Sprocket Mount Block | Add To Cart | |
52 | 259636 - Socket Head Screw | Add To Cart | |
53 | 770010 - Sprocket Washer | Add To Cart | |
54 | 774019 - Sprocket Washer< | Add To Cart | |
55 | 603800 - Sprocket w/Bearing | Add To Cart | |
- | 603115 - Bearing Assembly | Add To Cart | |
56 | 385264 - Chain | Add To Cart | |
57 | 257432 - Lock Washer | Add To Cart | |
58 | 245230 - Hex Bolt | Add To Cart | |
59 | 883155 - Tapered Mount Axle | Call For Details | |
60 | 253100 - Flange-Top Lock Nut | Call For Details | |
61 | 125525 - Seal | Add To Cart | |
62 | 122522 - Tapered Bearing | Add To Cart | |
63 | 123522 - Bearing Cup | Add To Cart | |
64 | 603427 - Hub Assembly | Call For Details | |
65 | 385288 - Chain | Add To Cart | |
- | 388010 - Connecting Link | Add To Cart | |
66 | 254472 - Lug Nut | Add To Cart | |
67 | 257091 - 14 gauge Bushing Washer | Add To Cart | |
68 | 254502 - Nut | Add To Cart | |
69 | 260670 - Cotter Pin | Add To Cart | |
70 | 481432 - Dust Cap | Add To Cart | |
71 | 483903 - Wheel & Tire - 18 x 8.5 x 8 | Call For Details | |
- | 483400 - Wheel - 5 Hole - 8 x 5.375 | Call For Details | |
72 | 417515 - Sprocket & Drum Assembly | Add To Cart | |
- | 603262 - 1212 Decal Set | Call For Details |