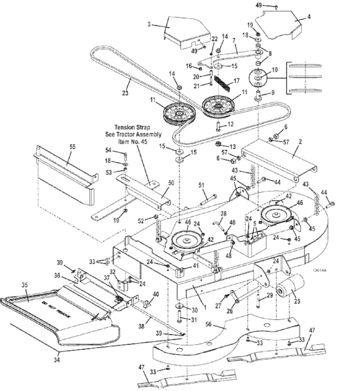
124 Deck Assembly for 41 Inch Decks - 2016
Click On a Part Number Below for Details
NOTE: If the part number you select is not linked to the shopping cart,call toll-free 866-698-4070 for availability.
| Item # | Part Number - Description | Price | |
|---|---|---|---|
| 1 | 645187 - 124/41 Deck | Call For Details | |
| 2 | 776219 - Radius Arm | Call For Details | |
| 3 | 751038 - Shield | Call For Details | |
| 4 | 751039 - Shield | Call For Details | |
| 5 | 243795 - Hex Bolt | Add To Cart | |
| 6 | 253970 - Lock Nut | Add To Cart | |
| 7 | 824463 - Idler Arm | Call For Details | |
| 8 | 121756 - Oilite Bearing | Add To Cart | |
| 9 | 121651 - Pedestal Bearing | Add To Cart | |
| 10 | 257319 - Spring Washer | Add To Cart | |
| 11 | 393250 - Idler | Add To Cart | |
| 12 | 243575 - Hex Bolt | Add To Cart | |
| 13 | 423670 - Idler Arm Stabilizer Cap | Add To Cart | |
| 14 | 253067 - Flange Spiral Lock Nut | Add To Cart | |
| 15 | 257160 - Washer | Add To Cart | |
| 16 | 422520 - Nylon Bearing | Add To Cart | |
| 17 | 283824 - Extension Spring | Add To Cart | |
| 18 | 257040 - Washer | Add To Cart | |
| 19 | 253043 - Whiz Nut | Add To Cart | |
| 20 | 784057 - Guide Tube | Add To Cart | |
| 21 | 243038 - Hex Bolt | Add To Cart | |
| 22 | 253025 - Whiz Nut | Add To Cart | |
| 23 | 382074 - Belt | Add To Cart | |
| 24 | 253035 - Whiz Nut | Add To Cart | |
| 25 | 603725 - 2-Piece Center Roller Assembly | Add To Cart | |
| 26 | 644512 - Roller Lock Pin | Add To Cart | |
| 27 | 253192 - Hex Flange Whiz Bolt | Add To Cart | |
| 28 | 730391 - 'J' Bolt Idler Adjustment | Add To Cart | |
| 29 | 243365 - Hex Bolt | Add To Cart | |
| 30 | 257059 - Washer | Add To Cart | |
| 31 | 243590 - Hex Bolt | Add To Cart | |
| 32 | 643632 - Vac Housing Pivot Mount | Add To Cart | |
| 33 | 247130 - Carriage Bolt | Add To Cart | |
| 34 | 604316 - M241 Flex Discharge Shield Assembly | Add To Cart | |
| 35 | 422043 - Flex Discharge Shield | Add To Cart | |
| 36 | 644570 - Discharge Shield Mount | Add To Cart | |
| 37 | 284406 - Torsion Spring | Add To Cart | |
| 38 | 780650 - Flex Discharge Shield Pin | Add To Cart | |
| 39 | 260608 - Cotter Ring | Add To Cart | |
| 40 | 252821 - 3-Prong Head Deck Stud (Knob) | Add To Cart | |
| 41 | 254448 - Speed Nut | Add To Cart | |
| 42 | 254431 - Speed Nut | Add To Cart | |
| 43 | 820331 - M1 5 Link Chain | Add To Cart | |
| 44 | 243458 - GR 8 Hex Bolt | Add To Cart | |
| 45 | 253058 - Whiz Nut | Add To Cart | |
| 46 | 415906 - Sheave | Add To Cart | |
| 47 | 320245 - 21 inch High Lift Notch Blade | Call For Details | |
| - | 320242 - 21 inch Medium Lift Blade | Call For Details | |
| - | 320244 - 21 inch Contour Blade | Call For Details | |
| - | 320247 - 21 inch H-Low Mulch Blade | Call For Details | |
| - | 320318 - 21 inch High Lift Notch Laser Edge Blade | Call For Details | |
| - | 320322 - 21 inch Shredder Blade | Call For Details | |
| 48 | 254450 - Nut | Add To Cart | |
| 49 | 253175 - Hex Whiz Bolt | Add To Cart | |
| 50 | 725670 - Stabilizer | Call For Details | |
| 51 | 243620 - Hex Bolt | Add To Cart | |
| 52 | 253930 - Lock Nut | Add To Cart | |
| 53 | 902283 - Spacer | Add To Cart | |
| 54 | 243340 - Hex Bolt | Add To Cart | |
| 55 | 644407 - M2 41 Mulch End Cap | Add To Cart | |
| 56 | 644607 - M2 41 Mulch Plate | Add To Cart | |
| 57 | 902422 - Axle Spacer | Add To Cart |