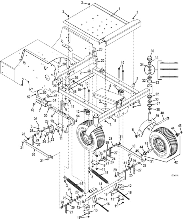
124 Deck Carrier Linkage for 48 Inch Deep Decks - 2013
Click On a Part Number Below for Details
NOTE: If the part number you select is not linked to the shopping cart,call toll-free 866-698-4070 for availability.
| Item # | Part Number - Description | Price | |
|---|---|---|---|
| 1 | 645316 - Footrest | Call For Details | |
| 2 | 424074 - Vibration Isolator | Add To Cart | |
| 3 | 253035 - Whiz Nut | Add To Cart | |
| 4 | 776214 - Radius Arm | Add To Cart | |
| 5 | 243805 - Hex Bolt | Add To Cart | |
| 6 | 253970 - Lock Nut | Add To Cart | |
| 7 | 645274 - Latch Tube Guide | Call For Details | |
| 8 | 645845 - Height Adjustment Tube | Call For Details | |
| 9 | 730434 - Height Adjustment Deck Pin | Add To Cart | |
| 10 | 253215 - Flange Bolt | Add To Cart | |
| 11 | 253043 - Whiz Nut | Add To Cart | |
| 12 | 423643 - M1 Bearing Block | Add To Cart | |
| 13 | 774064 - Lift Bearing Plate | Add To Cart | |
| 14 | 645650 - Front Carrier Pivot | Call For Details | |
| 15 | 604762 - Spring & Plug Nut Assembly | Call For Details | |
| 16 | 243399 - Hex Bolt | Call For Details | |
| 17 | 902280 - Spacer | Add To Cart | |
| 18 | 881154 - Spring Mount Shaft | Add To Cart | |
| 19 | 644644 - M2 Carrier Pivot | Add To Cart | |
| 20 | 243360 - Hex Bolt | Add To Cart | |
| 21 | 902412 - M2 Carrier Spacer | Call For Details | |
| 22 | 603741 - Rocker Assembly | Add To Cart | |
| - | 121764 - Oilite Bearing | Add To Cart | |
| 23 | 603728 - M2 Left Carrier Rocker Assembly | Call For Details | |
| - | 121764 - Oilite Bearing | Add To Cart | |
| 24 | 263529 - External Retainer | Add To Cart | |
| 25 | 732586 - M1 Deck Adjusting Strap | Add To Cart | |
| 26 | 243205 - Hex Bolt | Add To Cart | |
| 27 | 820331 - M1 5 Links Chain | Add To Cart | |
| 28 | 243458 - GR 8 Hex Bolt | Add To Cart | |
| 29 | 253058 - Whiz Nut | Add To Cart | |
| 30 | 732811 - Carrier Linkage Strap | Call For Details | |
| 31 | 260608 - Cotter Ring | Add To Cart | |
| 32 | 123522 - Bearing Cup | Add To Cart | |
| 33 | 122522 - Tapered Bearing | Add To Cart | |
| 34 | 257320 - Spring Washer | Add To Cart | |
| 35 | 254505 - Nylon-Top Jam Lock Nut | Add To Cart | |
| 36 | 481432 - Dust Cap | Add To Cart | |
| 37 | 125855 - Seal | Add To Cart | |
| 38 | 282615 - Spacer | Add To Cart | |
| 39 | 645221 - Tailwheel Tapered Bearing Fork | Add To Cart | |
| 40 | 247726 - Carriage Bolt | Add To Cart | |
| 41 | 257051 - Washer | Add To Cart | |
| 42 | 603975 - 13 x 6.5 x 6 Rear Wheel & Tire Assembly w/DP Bearings | Add To Cart | |
| - | 482355 - Rib Tire | Add To Cart | |
| - | 483306 - Wheel | Add To Cart | |
| 43 | 902429 - Center Rear Axle Spacer | Add To Cart | |
| 44 | 120048 - DP Wheel Ball Bearing | Add To Cart | |
| 45 | 902422 - Axle Spacer | Add To Cart | |
| 46 | 729685 - 126 Height Adjustment Mount | Call For Details | |
| 47 | 821516 - Nylon Washer | Add To Cart | |
| 48 | 243560 - Hex Bolt | Add To Cart | |
| 49 | 253470 - Nylon Insert Nut | Add To Cart | |
| 50 | 775147 - Deck Latch | Call For Details | |
| 51 | 253192 - Flange Whiz Hex Bolt | Add To Cart | |
| 52 | 253450 - Nylon Insert Nut | Add To Cart | |
| 53 | 243340 - Hex Bolt | Add To Cart | |
| 54 | 253460 - Nylon Insert Nut | Add To Cart | |
| 55 | 423696 - Height Adjustment Spacer | Add To Cart | |
| 56 | 254461 - Nut | Add To Cart |