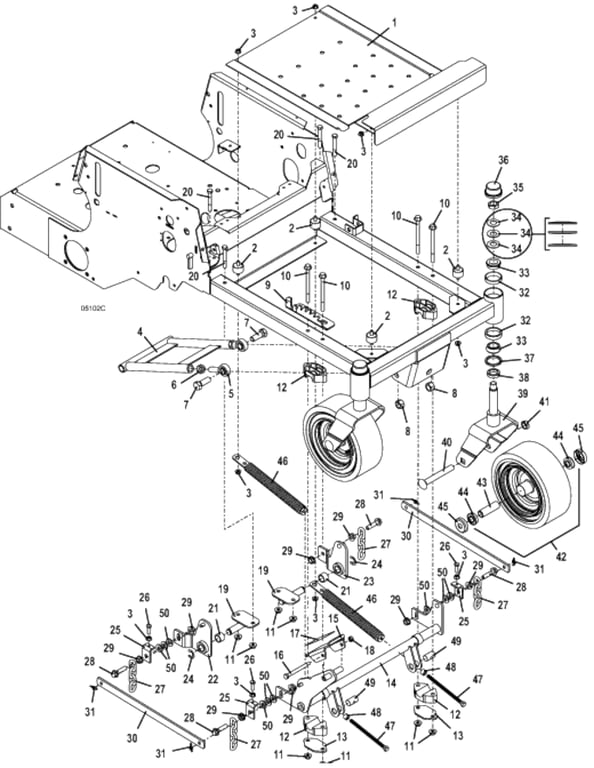
124 Deck Carrier Linkage - M2/41 Inch & M2/48 Inch Decks - 2009
Click On a Part Number Below for Details
NOTE: If the part number you select is not linked to the shopping cart,call toll-free 866-698-4070 for availability.
| Item # | Part Number - Description | Price | |
|---|---|---|---|
| 1 | 644425 - M2 Footrest | Call For Details | |
| 2 | 424074 - Vibration Isolator | Add To Cart | |
| 3 | 253035 - Whiz Nut | Add To Cart | |
| 4 | 604671 - M241 Radius Arm Assembly | Add To Cart | |
| - | 604670 - M248 Radius Arm Assembly | Call For Details | |
| 5 | 265665 - Rod End | Add To Cart | |
| 6 | 254493 - Nut | Add To Cart | |
| 7 | 243805 - Hex Bolt | Add To Cart | |
| 8 | 253975 - 2-Way Jam Lock Nut | Add To Cart | |
| 9 | 725464 - M2 Carrier Ratchet | Call For Details | |
| 10 | 253215 - Flange Bolt | Add To Cart | |
| 11 | 253043 - Whiz Nut | Add To Cart | |
| 12 | 423643 - M1 Bearing Block | Add To Cart | |
| 13 | 774064 - Lift Bearing Plate | Add To Cart | |
| 14 | 644646 - M2 Front Carrier Pivot Assembly | Call For Details | |
| - | 644649 - M248 Front Carrier Pivot Assembly | Call For Details | |
| 15 | 724663 - M2 Height Adjustment Pedal | Call For Details | |
| 16 | 243380 - Hex Bolt with Shank | Add To Cart | |
| 17 | 420906 - 2.5 x 4.0 Tread | Call For Details | |
| 18 | 253890 - Lock Nut | Add To Cart | |
| 19 | 644644 - M2 Carrier Pivot | Add To Cart | |
| 20 | 243360 - Hex Bolt | Add To Cart | |
| 21 | 902412 - M2 Carrier Spacer | Call For Details | |
| 22 | 603727 - M2 right Carrier Rocker Assembly | Add To Cart | |
| - | 121764 - Oilite Bearing | Add To Cart | |
| 23 | 603728 - M1 left Carrier Rocker Assembly | Call For Details | |
| - | 121764 - Oilite Bearing | Add To Cart | |
| 24 | 263529 - External Retainer | Add To Cart | |
| 25 | 732586 - M1 Deck Adjusting Strap | Add To Cart | |
| 26 | 243205 - Hex Bolt | Add To Cart | |
| 27 | 820332 - 4 Link Chain | Call For Details | |
| 28 | 243458 - GR 8 Hex Bolt | Add To Cart | |
| 29 | 253058 - Whiz Nut | Add To Cart | |
| 30 | 725423 - 100 Height Adjustment Strap | Call For Details | |
| 31 | 260608 - Cotter Ring | Add To Cart | |
| 32 | 123522 - Bearing Cup | Add To Cart | |
| 33 | 122522 - Tapered Bearing | Add To Cart | |
| 34 | 257320 - Spring Washer | Add To Cart | |
| 35 | 254505 - Nylon-Top Jam Lock Nut | Add To Cart | |
| 36 | 481432 - Dust Cap | Add To Cart | |
| 37 | 125855 - Seal | Add To Cart | |
| 38 | 282615 - Spacer | Add To Cart | |
| 39 | 643384 - M2 Fork | Add To Cart | |
| 40 | 247705 - Carriage Bolt | Add To Cart | |
| 41 | 253975 - 2-Way Jam Lock Nut | Add To Cart | |
| 42 | 603969 - 11 x 4 x 5 Pneumatic Wheel Assembly | Add To Cart | |
| 43 | 902475 - Rear Wheel Bearing Spacer | Add To Cart | |
| 44 | 120050 - Ball Bearing | Add To Cart | |
| 45 | 422570 - Wheel Bearing Guard | Add To Cart | |
| 46 | 604762 - Spring & Plug Nut Assembly | Call For Details | |
| 47 | 243399 - Hex Bolt | Call For Details | |
| 48 | 902280 - Spacer | Add To Cart | |
| 49 | 881154 - Spring Mount Shaft | Add To Cart | |
| 50 | 257051 - Washer | Add To Cart |