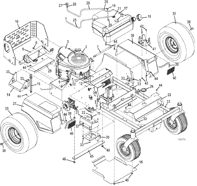
124 Tractor Assembly for 48' Deep Decks - 2019
Click On a Part Number Below for Details
NOTE: If the part number you select is not linked to the shopping cart,call toll-free 866-698-4070 for availability.
| Item # | Part Number - Description | Price | |
|---|---|---|---|
| 1 | 645379 - 100V-48 Frame | Call For Details | |
| 2 | 100151 - 24hp Briggs & Stratton ELS Vertical Engine | Call For Details | |
| 3 | 100919 - Cyclonic Air Filter | Call For Details | |
| 4 | 100803 - Briggs Oil Filter | Add To Cart | |
| 5 | 101197 - Muffler for 20/24hp Briggs & Stratton Vertical Engine | Add To Cart | |
| - | 101043 - Muffler Exhaust Gasket for Briggs & Stratton Vertical Engine | Call For Details | |
| 6 | 243016 - Hex Bolt | Add To Cart | |
| 7 | 424319 - Drain Hose Assembly | Add To Cart | |
| 8 | 365515 - 3/8 inch Metal Pipe Plug | Add To Cart | |
| 9 | 254431 - Speed Nut | Add To Cart | |
| 10 | 729745 - Rear Guard Shield | Add To Cart | |
| 11 | 142250 - Mechanical Choke | Add To Cart | |
| 12 | 603854 - Throttle Assembly | Call For Details | |
| - | 323643 - Control Cable Assembly | Add To Cart | |
| - | 722736 - Heavy Duty Throttle Stop | Add To Cart | |
| 13 | 422150 - Handle Grip | Add To Cart | |
| 14 | 723062 - 126 Battery Mount | Call For Details | |
| 15 | 604785 - Battery Hold Down Strap | Add To Cart | |
| 16 | 722930 - 100V Tank Shield | Call For Details | |
| 17 | 605805 - M2 Gas Tank Assembly | Call For Details | |
| 18 | 100212 - Internal Sealed Tether Fuel Cap | Add To Cart | |
| 19 | 363919 - Fuel Tube | Add To Cart | |
| 20 | 101875 - Grommet | Add To Cart | |
| 21 | 606830 - Fuel Tank Valve Kit | Add To Cart | |
| 22 | 141139 - Intank Fuel Gauge | Add To Cart | |
| - | 424276 - Grommet | Add To Cart | |
| 23 | 729723 - Front Panel | Call For Details | |
| 24 | 424294 - Grommet | Add To Cart | |
| 25 | 821746 - Fuel Vapor Hose | Call For Details | |
| 26 | 821769 - Fuel Hose | Add To Cart | |
| 27 | 366560 - Briggs In-Line Fuel Filter | Add To Cart | |
| 28 | 280260 - Spring Hose Clamp | Add To Cart | |
| 29 | 751043 - Heat Shield | Add To Cart | |
| 30 | 644410 - 100 Console Bracket | Call For Details | |
| 31 | 645102 - M2/200V Console | Call For Details | |
| 32 | 253178 - Truss Whiz Bolt | Add To Cart | |
| 33 | 253025 - Whiz Nut | Add To Cart | |
| 34 | 253177 - Truss Whiz Bolt | Add To Cart | |
| 35 | 483924 - Wheel & Turf Tire 20 x 10 x 10 | Add To Cart | |
| - | 482474 - Turf Tire 20 x 10 x 10 | Add To Cart | |
| - | 483420 - Wheel | Add To Cart | |
| 36 | 248565 - Lug Bolt | Add To Cart | |
| 37 | 693232 - 100V Right Fender w/Decal | Call For Details | |
| 38 | 693233 - 100V Left Fender w/Decal | Add To Cart | |
| 39 | 822631 - Fender Edge Trim | Add To Cart | |
| 40 | 422079 - Work Lamp Hole Plug | Add To Cart | |
| 41 | 150225 - Cup Holder | Add To Cart | |
| 42 | 259030 - Cap Screw | Add To Cart | |
| 43 | 254436 - Nut | Add To Cart | |
| 44 | 253173 - Hex Whiz Bolt | Add To Cart | |
| 45 | 782898 - Tension Strap | Call For Details | |
| 46 | 253067 - Flange Spiral Lock Nut | Add To Cart | |
| - | 243565 - Hex Bolt | Add To Cart | |
| 47 | 424074 - Vibration Isolator | Add To Cart | |
| 48 | 253035 - Whiz Nut | Add To Cart | |
| 49 | 605364 - 124V/48 Decal Set | Call For Details |