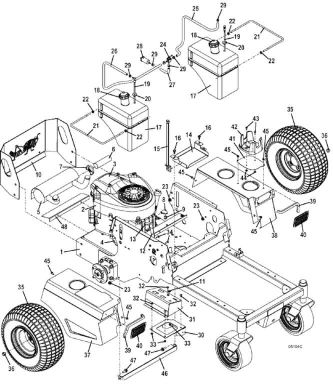
124 Tractor Assembly - M2/41 & M2/48 - 2010
Click On a Part Number Below for Details
NOTE: If the part number you select is not linked to the shopping cart,call toll-free 866-698-4070 for availability.
| Item # | Part Number - Description | Price | |
|---|---|---|---|
| 1 | 644408 - M248 Frame | Add To Cart | |
| - | 644389 - M241 Frame | Call For Details | |
| 2 | 100151 - 24hp Briggs & Stratton ELS Vertical Engine | Call For Details | |
| 3 | 100918 - Briggs & Stratton Air Filter with Pre-Cleaner | Add To Cart | |
| 4 | 100803 - Briggs Oil Filter | Add To Cart | |
| 5 | 101196 - Muffler for 20/24 hp Briggs & Stratton Vertical Engine | Add To Cart | |
| 6 | 942400 - M2 Exhaust Pipe | Add To Cart | |
| 7 | 101356 - Exhaust Clamp | Add To Cart | |
| 8 | 363515 - Street Ell | Call For Details | |
| 9 | 365515 - 3/8 inch Metal Pipe Plug | Add To Cart | |
| 10 | 724674 - M2 Rear Shield | Call For Details | |
| 11 | 142242 - Mechanical Choke | Add To Cart | |
| 12 | 603856 - Throttle Assembly | Add To Cart | |
| - | 323640 - Control Cable Assembly | Add To Cart | |
| - | 722009 - Throttle Lever Stop | Add To Cart | |
| 13 | 422150 - Handle Grip | Add To Cart | |
| 14 | 723230 - Battery Box | Call For Details | |
| 15 | 604785 - Battery Hold Down Strap | Add To Cart | |
| 16 | 253192 - Hex Flange Whiz Bolt | Add To Cart | |
| 17 | 604807 - M2 3-Gallon Tank Assembly | Add To Cart | |
| 18 | 100210 - Fuel Cap | Add To Cart | |
| 19 | 363925 - Fuel Tube | Add To Cart | |
| 20 | 101875 - Grommet | Add To Cart | |
| 21 | 730451 - 100 Gas Tank Mount Rod | Call For Details | |
| 22 | 254450 - Nut | Add To Cart | |
| 23 | 253043 - Whiz Nut | Add To Cart | |
| 24 | 143641 - Fuel Reserve Single Valve | Add To Cart | |
| 25 | 821749 - Hose | Add To Cart | |
| 26 | 821739 - Fuel Hose | Call For Details | |
| 27 | 821710 - Fuel Hose | Add To Cart | |
| 28 | 366560 - Briggs In-Line Fuel Filter | Add To Cart | |
| 29 | 280260 - Spring Hose Clamp | Add To Cart | |
| 30 | 644410 - 100 Console Bracket | Call For Details | |
| 31 | 645102 - M2/200V Console | Call For Details | |
| 32 | 253176 - Truss Whiz Bolt | Add To Cart | |
| 33 | 253025 - Whiz Nut | Add To Cart | |
| 34 | 253177 - Truss Whiz Bolt | Add To Cart | |
| 35 | 483906 - 4-Bolt Wheel & Turf Tire 18 x 9.5 x 8 | Add To Cart | |
| - | 482453 - Turf Tire 18 x 9.5 x 8 | Add To Cart | |
| - | 482457 - Knobby Tire 18 x 9.5 x 8 | Call For Details | |
| - | 482458 - Pathfinder Bar Tread Tire 18 x 9.5 x 8 | Add To Cart | |
| - | 483399 - 4-Bolt Wheel 8 x 6.25 | Add To Cart | |
| - | 483907 - 4-Bolt Wheel & Knobby Tire 18 x 9.5 x 8 | Call For Details | |
| - | 483908 - right Wheel & Pathfinder Bar Tread Tire 18 x 9.5 x 8 | Call For Details | |
| - | 483909 - left Wheel & Pathfinder Bar Tread Tire 18 x 9.5 x 8 | Call For Details | |
| 36 | 254472 - Lug Nut | Add To Cart | |
| 37 | 644435 - Right 100S Fender | Call For Details | |
| 38 | 644436 - Left 100S Fender | Call For Details | |
| 39 | 822631 - Fender Edge Trim | Add To Cart | |
| 40 | 422079 - Work Lamp Hole Plug | Add To Cart | |
| 41 | 722804 - M2 Reservoir Access Panel | Add To Cart | |
| 42 | 150225 - Cup Holder | Add To Cart | |
| 43 | 259030 - Cap Screw | Add To Cart | |
| 44 | 254436 - Nut | Add To Cart | |
| 45 | 253173 - Hex Whiz Bolt | Add To Cart | |
| 46 | 732514 - M2 120 Tension Strap | Add To Cart | |
| 47 | 253203 - Flange Whiz Bolt | Add To Cart | |
| 48 | 722974 - 120 Heat Shield | Call For Details | |
| 49 | 605325 - Decal Set - 124 | Add To Cart | |
| 50 | 605326 - Decal Set - 124/48 | Add To Cart |