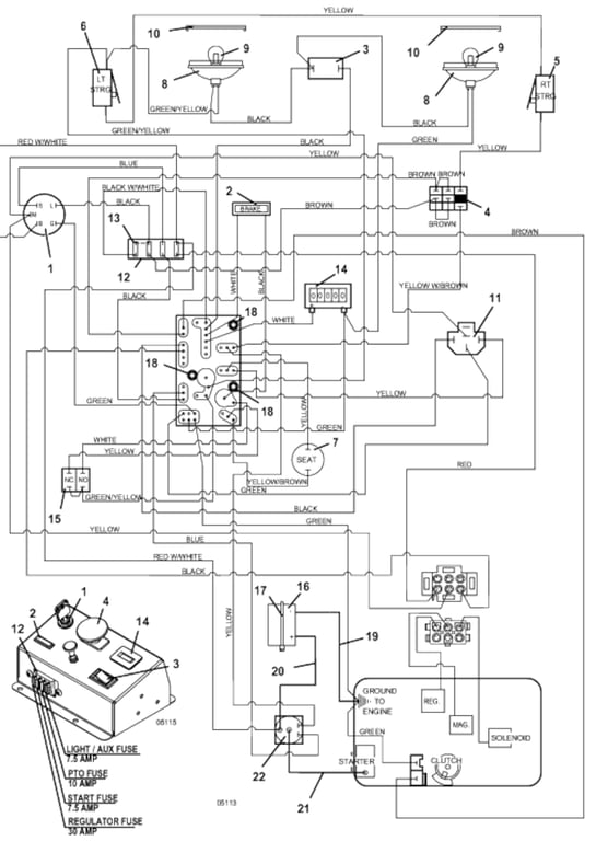
124 Wiring & Lights Diagram - 2012
Click On a Part Number Below for Details
NOTE: If the part number you select is not linked to the shopping cart,call toll-free 866-698-4070 for availability.
| Item # | Part Number - Description | Price | |
|---|---|---|---|
| 1 | 183806 - Briggs & Stratton / Kohler Ignition Switch with Key | Add To Cart | |
| - | 101101 - Ignition Key with Cover | Add To Cart | |
| - | 254498 - Nut | Add To Cart | |
| - | 422078 - Plastic Panel | Add To Cart | |
| 2 | 182326 - Brake Light Indicator | Add To Cart | |
| 3 | 184179 - Rocker Switch | Add To Cart | |
| 4 | 183925 - Push/Pull Switch | Add To Cart | |
| 5 | 183860 - Lever Switch | Add To Cart | |
| - | 720160 - Steering Switch Mount - right | Add To Cart | |
| 6 | 183860 - Lever Switch | Add To Cart | |
| - | 720161 - Steering Switch Mount - left | Add To Cart | |
| 7 | 183870 - Seat Switch | Add To Cart | |
| 8 | 182253 - Flood Worklamp | Add To Cart | |
| 9 | 182005 - Light Bulb for Headlight | Add To Cart | |
| 10 | 182251 - Snap Mount Worklamp Bezel | Add To Cart | |
| 11 | 184271 - 12V DC Relay with Mount | Add To Cart | |
| - | 184570 - Type 1 6mm Push-On | Add To Cart | |
| - | 184581 - .250 Fast-On Terminal | Add To Cart | |
| - | 184926 - 5-Way Female Connector | Add To Cart | |
| 12 | 181720 - Fuse Block | Add To Cart | |
| - | 162320 - Fuse ID Decal | Add To Cart | |
| - | 181721 - Fuse Block Cover | Add To Cart | |
| 13 | 181470 - 30 amp Auto ATC Fuse | Add To Cart | |
| - | 181460 - 7.5 amp Auto ATC Fuse | Add To Cart | |
| - | 181462 - 10 amp Auto ATC Fuse | Add To Cart | |
| 14 | 141551 - Snap In Hour Meter | Add To Cart | |
| 15 | 183894 - Brake Interlock Switch | Add To Cart | |
| 16 | 180125 - 12 Volt Wet Battery | Add To Cart | |
| - | 180126 - 12 Volt Dry Battery | Add To Cart | |
| - | 723230 - M2 Battery Box | Call For Details | |
| 17 | 604785 - Battery Hold Down Strap | Add To Cart | |
| 18 | 423690 - PC Board Support Spacer | Add To Cart | |
| 19 | 180290 - 30 inch Black Battery Cable | Add To Cart | |
| 21 | 180322 - 24 inch Red Battery Cable | Add To Cart | |
| - | 425215 - Red Alternator Terminal Boot | Add To Cart | |
| - | 425219 - Starter Terminal Boot | Add To Cart | |
| 21 | 180319 - 20 inch Red Battery Cable | Add To Cart | |
| 22 | 184251 - 4-Post Solenid Switch Relay | Add To Cart | |
| 23 | 161121 - Console Decal | Add To Cart | |
| 24 | 605912 - Briggs 100 Wiring Assembly | Call For Details |