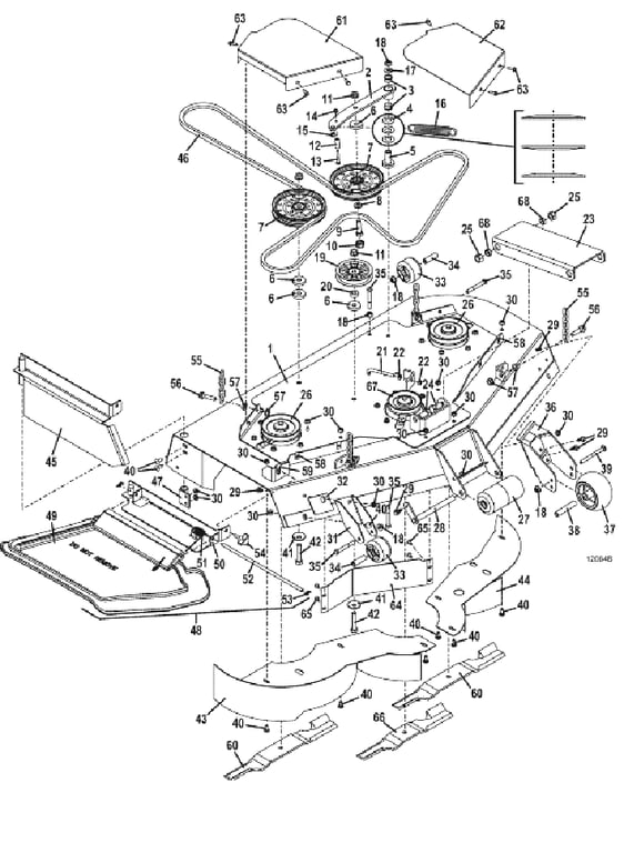
125 Deck Assembly 125/48 - 2016
Click On a Part Number Below for Details
NOTE: If the part number you select is not linked to the shopping cart,call toll-free 866-698-4070 for availability.
| Item # | Part Number - Description | Price | |
|---|---|---|---|
| 1 | 645188 - 124/48 Deck | Call For Details | |
| 2 | 824483 - 100/41 & 100/48 Idler Arm Assembly | Add To Cart | |
| 3 | 121756 - Oilite Bearing | Add To Cart | |
| 4 | 257319 - Spring Washer | Add To Cart | |
| 5 | 121651 - Pedestal Bearing | Add To Cart | |
| 6 | 257160 - Washer | Add To Cart | |
| 7 | 393250 - Idler | Add To Cart | |
| 8 | 257062 - Washer | Add To Cart | |
| 9 | 243575 - Hex Bolt | Add To Cart | |
| 10 | 423670 - Idler Arm Stabilizer Cap | Add To Cart | |
| 11 | 253067 - Flanged Spiral Lock Nut | Add To Cart | |
| 12 | 784057 - Guide Tube | Add To Cart | |
| 13 | 243038 - Hex Bolt | Add To Cart | |
| 14 | 253025 - Whiz Nut | Add To Cart | |
| 15 | 422520 - Nylon Bearing | Add To Cart | |
| 16 | 283824 - Extension Spring | Add To Cart | |
| 17 | 257040 - Washer | Add To Cart | |
| 18 | 253043 - Whiz Nut | Add To Cart | |
| 19 | 393225 - Idler | Add To Cart | |
| 20 | 902313 - Spacer | Add To Cart | |
| 21 | 730391 - Idler Adjustment J Bolt | Add To Cart | |
| 22 | 254450 - Nut | Add To Cart | |
| 23 | 776214 - 100V/48-52 Radius Arm | Add To Cart | |
| 24 | 243795 - Hex Bolt | Add To Cart | |
| 25 | 253970 - Lock Nut | Add To Cart | |
| 26 | 415902 - Big Split Sheave | Add To Cart | |
| 27 | 603725 - 2 Piece Center Roller Assembly | Add To Cart | |
| 28 | 644512 - Roller Lock Pin | Add To Cart | |
| 29 | 253192 - Flanged Hex Whiz Bolt | Add To Cart | |
| 30 | 253035 - Whiz Nut | Add To Cart | |
| 31 | 754203 - M1/M248 Right Formed Roller Mount | Add To Cart | |
| 32 | 776231 - Roller Spacer | Add To Cart | |
| 33 | 426122 - Roller | Add To Cart | |
| 34 | 902284 - Roller Mount Spacer | Add To Cart | |
| 35 | 243365 - Hex Bolt | Add To Cart | |
| 36 | 645579 - Left Anti-Scalp Roller Mount | Add To Cart | |
| 37 | 484230 - Anti-Scalp Center Hub Wheel | Add To Cart | |
| 38 | 942137 - Bearing Tube | Add To Cart | |
| 39 | 247310 - Carriage Bolt | Add To Cart | |
| 40 | 247130 - Carriage Bolt | Add To Cart | |
| 41 | 257059 - Washer | Add To Cart | |
| 42 | 243590 - Hex Bolt | Add To Cart | |
| 43 | 645600 - M1/48-D Right Mulch Plate | Call For Details | |
| 44 | 645601 - M1/48-D Left Mulch Plate | Call For Details | |
| 45 | 644058 - Mulch End Cap | Add To Cart | |
| 46 | 382108 - Belt | Add To Cart | |
| 47 | 643632 - Vac Housing Pivot Mount | Add To Cart | |
| 48 | 604317 - Flex Discharge Shield Assembly | Add To Cart | |
| 49 | 422042 - Flex Dishcharge Shield | Add To Cart | |
| 50 | 644570 - Discharge Shield Mount | Add To Cart | |
| 51 | 284406 - Torsion Spring | Add To Cart | |
| 52 | 780650 - Flex Discharge Shield Pin | Add To Cart | |
| 53 | 260608 - Cotter Ring | Add To Cart | |
| 54 | 252821 - 3 Prong Deck Stud 1.25 | Add To Cart | |
| 55 | 820331 - 5 Chain Links | Add To Cart | |
| 56 | 243458 - Grade 8 Hex Bolt | Add To Cart | |
| 57 | 253058 - Whiz Nut | Add To Cart | |
| 58 | 254431 - Speed Nut | Add To Cart | |
| 59 | 254448 - Speed Nut | Add To Cart | |
| 60 | 320239 - 18 inch High Lift Notch Blade | Call For Details | |
| - | 320236 - 18 inch Medium Lift Blade | Call For Details | |
| - | 320238 - 18 inch Contour Blade | Call For Details | |
| - | 320240 - 18 inch Hi-Low Mulch Blade | Call For Details | |
| - | 320317 - 18 inch LaserEdge Blade | Call For Details | |
| - | 320321 - 18 inch Shredder Blade | Call For Details | |
| 61 | 751044 - Right Belt Shield | Call For Details | |
| 62 | 751045 - Left Belt Shield | Call For Details | |
| 63 | 253175 - Hex Whiz Bolt | Add To Cart | |
| 64 | 724588 - Aux Front Shroud | Add To Cart | |
| 65 | 253176 - Truss Whiz Bolt | Add To Cart | |
| 66 | 320234 - 15 inch High Lift Notch Blade | Call For Details | |
| - | 320231 - 15 inch Medium Lift Blade | Call For Details | |
| - | 320233 - 15 inch Contour Blade | Call For Details | |
| - | 320235 - 15 inch Hi-Low Mulch Blade | Call For Details | |
| 67 | 415870 - Sheave | Add To Cart | |
| 68 | 902422 - Axle Spacer | Add To Cart |