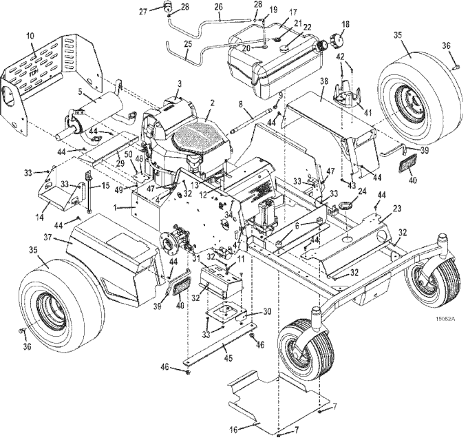
125 Tractor Assembly 61' - 2018
Click On a Part Number Below for Details
NOTE: If the part number you select is not linked to the shopping cart,call toll-free 866-698-4070 for availability.
| Item # | Part Number - Description | Price | |
|---|---|---|---|
| 1 | 645381 - 100V/61 Frame | Call For Details | |
| 2 | 100154 - 25HP Kohler Vertical Engine | Call For Details | |
| 3 | 100917 - Kohler Confidant Air Filter | Call For Details | |
| - | 100916 - Kohler Preclean Air Filter | Call For Details | |
| 4 | 100802 - Kohler Oil Filter | Add To Cart | |
| 5 | 101214 - 25HP/Heat Shield Vertical Muffler | Add To Cart | |
| - | 101041 - Kohler Exhaust Gasket | Add To Cart | |
| 6 | 424074 - Vibration Isolator | Add To Cart | |
| 7 | 253035 - Whiz Nut | Add To Cart | |
| 8 | 424319 - Drain Hose Assembly | Add To Cart | |
| 9 | 365515 - Metal Pipe Plug | Add To Cart | |
| 10 | 729745 - Rear Guard Shield | Add To Cart | |
| 11 | 142247 - Mechanical Choke | Add To Cart | |
| 12 | 603854 - Throttle Assembly | Call For Details | |
| - | 323643 - Control Cable Assembly | Add To Cart | |
| - | 722736 - Heavy Duty - Throttle Lever Stop | Add To Cart | |
| 13 | 422150 - Handle Grip | Add To Cart | |
| 14 | 723062 - 126 Battery Mount | Call For Details | |
| 15 | 604785 - Hold Down Strap | Add To Cart | |
| 16 | 722930 - 100V Tank Shield | Call For Details | |
| 17 | 605805 - Fuel Tank Assembly | Call For Details | |
| 18 | 100212 - Sealed Fuel Cap with Tether | Add To Cart | |
| 19 | 363919 - Fuel Tube | Add To Cart | |
| 20 | 101875 - Fuel Tube Bushing | Add To Cart | |
| 21 | 606830 - Fuel Tank Valve Kit | Add To Cart | |
| 22 | 141139 - In Tank Fuel Gauge | Add To Cart | |
| - | 424276 - Grommet | Add To Cart | |
| 23 | 729723 - Front Panel | Call For Details | |
| 24 | 424294 - Grommet | Add To Cart | |
| 25 | 821761 - Fuel Vapor Hose | Call For Details | |
| 26 | 821769 - Fuel Hose | Add To Cart | |
| 27 | 101001 - Kohler Fuel Filter | Call For Details | |
| 28 | 280260 - Hose Spring Clamp | Add To Cart | |
| 29 | 751043 - Heat Shield | Add To Cart | |
| 30 | 644410 - 100 Console Bracket | Call For Details | |
| 31 | 645102 - M2/200V Console | Call For Details | |
| 32 | 253178 - Truss Whiz Bolt | Add To Cart | |
| 33 | 253025 - Whiz Nut | Add To Cart | |
| 34 | 253177 - Truss Whiz Bolt | Add To Cart | |
| 35 | 483925 - Wheel & Turf Tire | Call For Details | |
| - | 482468 - Tire 10' Grass | Add To Cart | |
| - | 483420 - Wheel 10.00 | Add To Cart | |
| 36 | 248565 - Lug Nut | Add To Cart | |
| 37 | 693232 - Right 100V Fender w/Decals | Call For Details | |
| 38 | 693233 - Left 100V Fender w/Decals | Add To Cart | |
| 39 | 822631 - Seat Edge Trim | Add To Cart | |
| 40 | 422079 - Work Lamp Hole Plug | Add To Cart | |
| 41 | 150225 - Cup Holder | Add To Cart | |
| 42 | 259030 - Cap Screw | Add To Cart | |
| 43 | 254436 - Nut | Add To Cart | |
| 44 | 253173 - Hex Whiz Bolt | Add To Cart | |
| 45 | 782898 - Tension Strap | Call For Details | |
| 46 | 253067 - Flanged Spiral Lock Nut | Add To Cart | |
| - | 243565 - Hex Bolt | Add To Cart | |
| 47 | 254431 - Speed Nut | Add To Cart | |
| 48 | 771015 - Heat Shield/Cable Mount | Add To Cart | |
| 49 | 253167 - Hex Whiz Bolt | Add To Cart | |
| 50 | 253020 - Whiz Nut | Add To Cart | |
| 51 | 605332 - Decal Set 125 | Call For Details |