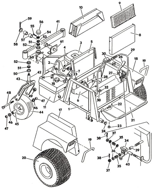
1622 Tractor Assembly  - 1986
Click On a Part Number Below for Details
NOTE: If the part number you select is not linked to the shopping cart,call toll-free 866-698-4070 for availability.
| Item # | Part Number - Description | Price | |
|---|---|---|---|
| 1 | 643397 - Tractor Frame | Call For Details | |
| 2 | 100135 - Engine - B&S 16HP | Call For Details | |
| 3 | 100920 - Air Filter - B&S | Call For Details | |
| - | 2744905S - Air Filter Pre Cleaner | Call For Details | |
| 4 | 101210 - Muffler - B&S | Call For Details | |
| 5 | 643316 - Duct Mount | Call For Details | |
| 6 | 771027 - Intake Duct Lower Panel | Call For Details | |
| 7 | 722091 - Intake Duct Brace - Right | Call For Details | |
| - | 722092 - Intake Duct Brace - Left | Call For Details | |
| 8 | 721222 - Duct Panel | Call For Details | |
| 9 | 643402 - Intake Grille | Add To Cart | |
| 10 | 643429 - Exhaust Housing | Call For Details | |
| 11 | 603813 - Fuel Tank w/Draw Tube | Add To Cart | |
| 12 | 643144 - Fuel Tank Mounting Bracket | Add To Cart | |
| 13 | 141125 - Fuel Cap w/Level | Add To Cart | |
| 14 | 101819 - Fuel Draw Tube | Add To Cart | |
| 15 | 280260 - Hose Clamp | Add To Cart | |
| 16 | 821725 - Fuel Hose | Add To Cart | |
| - | 366560 - Fuel Filter | Add To Cart | |
| 17 | 643350 - Fender - Right | Call For Details | |
| 18 | 643351 - Fender - Left | Call For Details | |
| 19 | 822635 - Fender Edge Trim | Add To Cart | |
| 20 | 483903 - Wheel & Tire - 18 x 8.5 x 8 | Call For Details | |
| - | 482451 - Tire - 18 x 8.5 x 8 | Add To Cart | |
| - | 483400 - Wheel - 8 x 5.375 | Call For Details | |
| 21 | 643710 - Foot Rest | Call For Details | |
| 22 | 259741 - Bolt | Add To Cart | |
| 23 | 424015 - Rubber Bumper | Add To Cart | |
| 24 | 422065 - Plug | Add To Cart | |
| 25 | 643518 - Brake Band Lever | Call For Details | |
| 26 | 422150 - Handle Grip | Add To Cart | |
| 27 | 730292 - Brake Linkage Rod | Call For Details | |
| 28 | 643534 - Steering Lever - Right | Add To Cart | |
| 29 | 643535 - Steering Lever - Left | Call For Details | |
| 30 | 422160 - Handle Grip | Add To Cart | |
| 31 | 142305 - Throttle Assembly | Add To Cart | |
| 32 | 142225 - Mechanical Choke | Add To Cart | |
| 33 | 604796 - PTO Switch | Add To Cart | |
| 34 | 643640 - Steering Lever Pivot - Left | Call For Details | |
| - | 643638 - Steering Pivot - Right | Call For Details | |
| 35 | 283324 - Compression Spring | Add To Cart | |
| 36 | 257064 - Washer | Call For Details | |
| 37 | 253470 - Nut w/Nylon Insert | Add To Cart | |
| 38 | 260654 - Cotter Pin | Call For Details | |
| 39 | 422560 - Nylon Bearing | Add To Cart | |
| 40 | 422580 - Nylon Bearing | Add To Cart | |
| 41 | 824510 - Dual Wheel Beam | Add To Cart | |
| 42 | 604364 - Rear Fork & Nut Assembly | Add To Cart | |
| 43 | 282615 - Spacer | Add To Cart | |
| 44 | 483861 - Wheel & Tire w/Brgs & Spacer - 13 x 5 x 6 | Add To Cart | |
| - | 482350 - Tire - 13 x 5 x 6 | Add To Cart | |
| - | 483301 - Wheel - 6 x 3.25 | Add To Cart | |
| 45 | 902475 - Spacer | Add To Cart | |
| 46 | 120050 - Bearing | Add To Cart | |
| 47 | 902425 - Spacer | Add To Cart | |
| 48 | 247725 - Bolt | Add To Cart | |
| 49 | 253970 - Nut | Add To Cart | |
| 50 | 125855 - Seal | Add To Cart | |
| 51 | 122522 - Bearing | Add To Cart | |
| 52 | 123522 - Bearing Cup | Add To Cart | |
| 53 | 257091 - Washer | Add To Cart | |
| 54 | 254502 - Nut | Add To Cart | |
| 55 | 260670 - Cotter Pin | Add To Cart | |
| 56 | 481432 - Dust Cap | Add To Cart | |
| 57 | 833275 - Oilite Bearing | Add To Cart | |
| 58 | 257150 - Washer | Call For Details | |
| 59 | 260694 - Cotter Pin | Call For Details | |
| 60 | 604596 - Pivot Housing Assembly | Add To Cart | |
| 61 | 603634 - Rear Axle Pivot Assembly | Call For Details |