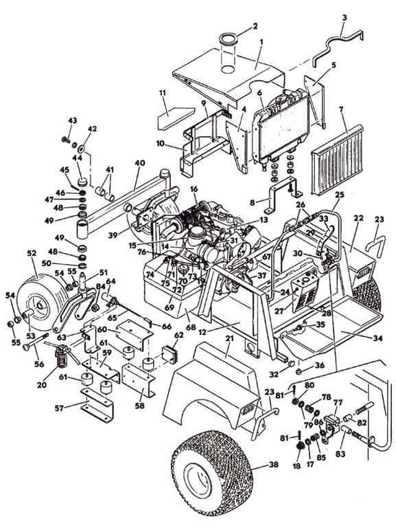
1822D Tractor Assembly  - 1988
Click On a Part Number Below for Details
NOTE: If the part number you select is not linked to the shopping cart,call toll-free 866-698-4070 for availability.
| Item # | Part Number - Description | Price | |
|---|---|---|---|
| 1 | 643409 - Hood Panel | Call For Details | |
| 2 | 822633 - Trim - Hood Panel Hole | Call For Details | |
| 3 | 822650 - Trim - Hood Panel Console | Call For Details | |
| 4 | 643794 - Cowling Support--Right | Call For Details | |
| 5 | 643793 - Cowling Support--Left | Call For Details | |
| 6 | 101605 - Radiator | Call For Details | |
| 7 | 643400 - Radiator Grille | Call For Details | |
| 8 | 783208 - Radiator Mount | Call For Details | |
| 9 | 643559 - Rear Hood Mount | Call For Details | |
| 10 | 643774 - Flywheel Shield | Call For Details | |
| 11 | 722167 - Flywheel Shield Cover | Add To Cart | |
| 12 | 643390 - Tractor Frame | Call For Details | |
| 13 | 100175 - Kubota Diesel Engine 18 HP | Call For Details | |
| 14 | 100940 - Air Filter | Call For Details | |
| 15 | 822650 - Air Intake Hose | Call For Details | |
| 16 | 603590 - Muffler & Gasket Assembly | Add To Cart | |
| 17 | 257067 - Washer | Add To Cart | |
| 18 | 830355 - Nut | Call For Details | |
| 19 | 101005 - Fuel Prefilter | Call For Details | |
| 20 | 101000 - Fuel Filter | Call For Details | |
| 21 | 643350 - Fender - Right | Call For Details | |
| 22 | 643351 - Fender - Left | Call For Details | |
| 23 | 822635 - Trim - Fender Edge | Add To Cart | |
| 24 | 643534 - Steering Lever - Right | Add To Cart | |
| 25 | 643535 - Steering Lever - Left | Call For Details | |
| 26 | 422160 - Handle Grip | Add To Cart | |
| 27 | 643229 - Console | Call For Details | |
| 28 | 643624 - Front Console Panel | Call For Details | |
| 29 | 643518 - Brake Band Lever | Call For Details | |
| 30 | 730292 - Brake Linkage Rod | Call For Details | |
| 31 | 283764 - Extension Spring - Fuel Shut Off | Add To Cart | |
| 32 | 422065 - Plug | Add To Cart | |
| 33 | 422150 - Handle Grip | Add To Cart | |
| 34 | 643710 - Foot Rest | Call For Details | |
| 35 | 259741 - Bolt | Add To Cart | |
| 36 | 424015 - Rubber Bumper | Add To Cart | |
| 37 | 142295 - Mechanical Throttle | Add To Cart | |
| 38 | 483920 - Wheel & Tire - 20 x 10 x 8 | Add To Cart | |
| - | 483410 - Wheel - 8 x 6 | Add To Cart | |
| 39 | 604597 - Rear Axle Pivot Assembly | Add To Cart | |
| 40 | 824510 - Beam | Add To Cart | |
| 41 | 833275 - Oilite Bearing | Add To Cart | |
| 42 | 257061 - Washer | Add To Cart | |
| 43 | 243560 - Bolt | Add To Cart | |
| 44 | 481432 - Dust Cap | Add To Cart | |
| 45 | 260670 - Cotter Pin | Add To Cart | |
| 46 | 254502 - Nut | Add To Cart | |
| 47 | 257091 - Washer | Add To Cart | |
| 48 | 122522 - Bearing | Add To Cart | |
| 49 | 123522 - Bearing Cup | Add To Cart | |
| 50 | 125855 - Seal | Add To Cart | |
| 51 | 604364 - Fork & Nut Assembly - Rear | Add To Cart | |
| 52 | 483861 - Wheel & Tire w/Brg & Spacer - 13 x 5 x 6 | Add To Cart | |
| - | 482350 - Tire - 13 x 5 x 6 | Add To Cart | |
| - | 483301 - Wheel w/Brg & Spacer - 6 x 3.25 | Add To Cart | |
| 53 | 902475 - Spacer | Add To Cart | |
| 54 | 120050 - Ball Bearing | Add To Cart | |
| 55 | 902425 - Spacer | Add To Cart | |
| 56 | 247725 - Bolt | Add To Cart | |
| 57 | 726205 - Mount - Lower Right Engine | Call For Details | |
| 58 | 726175 - Mount - Lower Left Engine | Call For Details | |
| 59 | 643292 - Mount - Upper Engine Right | Add To Cart | |
| 60 | 643291 - Mount - Upper Engine Left | Add To Cart | |
| 61 | 424078 - Vibration Isolator | Add To Cart | |
| 62 | 185530 - Voltage Regulator | Add To Cart | |
| 63 | 643591 - Mount - Fuel Solenoid | Add To Cart | |
| 64 | 180880 - Fuel Solenoid | Add To Cart | |
| 65 | 603209 - Cable Assembly - Fuel Solenoid | Add To Cart | |
| 66 | 265610 - Ball Joint | Add To Cart | |
| 67 | 100800 - Oil Filter - Kubota Diesel Engine | Add To Cart | |
| 68 | 603812 - Fuel Tank Assembly | Add To Cart | |
| 69 | 643144 - Fuel Tank Mounting Bracket | Add To Cart | |
| 70 | 141125 - Fuel Cap w/Level | Add To Cart | |
| 71 | 101818 - Fuel Draw Tube | Add To Cart | |
| 72 | 280270 - Hose Clamp | Add To Cart | |
| 73 | 821713 - Hose | Add To Cart | |
| 74 | 363825 - Barb Fitting | Add To Cart | |
| 75 | 280257 - Hose Clamp | Add To Cart | |
| 76 | 821740 - Hose - Return Line | Add To Cart | |
| 77 | 643640 - Steering Lever Pivot - Left | Call For Details | |
| - | 643638 - Steering Lever Pivot - Right | Call For Details | |
| 78 | 283324 - Compression Spring | Add To Cart | |
| 79 | 257063 - Washer | Add To Cart | |
| - | 257064 - Washer | Call For Details | |
| 80 | 253470 - Nut | Add To Cart | |
| 81 | 260654 - Cotter Pin | Call For Details | |
| 82 | 422560 - Nylon Bearing | Add To Cart | |
| 83 | 422580 - Nylon Bearing | Add To Cart | |
| 84 | 253970 - Nut | Add To Cart | |
| 85 | 283381 - Compression Spring | Add To Cart |