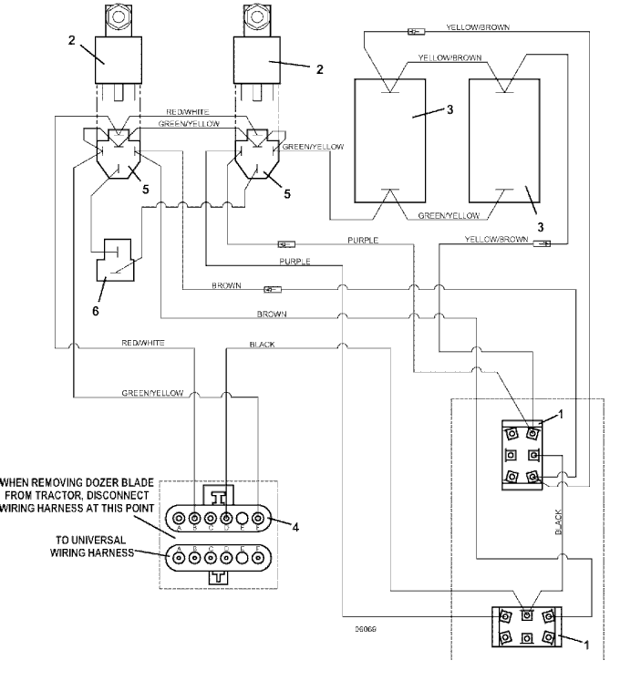
2007 Wiring Diagram for Hydraulic Dozer 
Click On a Part Number Below for Details
NOTE: If the part number you select is not linked to the shopping cart,call toll-free 866-698-4070 for availability.
| Item # | Part Number - Description | Price | |
|---|---|---|---|
| 1 | 184083 - Toggle | Add To Cart | |
| - | 425200 - Toggle Switch Boot | Add To Cart | |
| - | 770005 - Keyed Washer | Add To Cart | |
| 2 | 604712 - Heavy Duty Relay Assembly | Call For Details | |
| 3 | 144948 - Hydraulic Dozer Solenoid Valve | Call For Details | |
| 4 | 184969 - 6-Way Female Waterproof Connector | Add To Cart | |
| 5 | 184926 - 5-Way Female Connector | Add To Cart | |
| 6 | 184917 - 2-Way Female Connector | Add To Cart | |
| 7 | 605964 - Hydraulic Dozer Wiring Assembly | Call For Details |