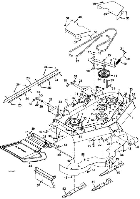
218 Deck Assembly M148  - 2005
Click On a Part Number Below for Details
NOTE: If the part number you select is not linked to the shopping cart,call toll-free 866-698-4070 for availability.
| Item # | Part Number - Description | Price | |
|---|---|---|---|
| 1 | 644171 - M148 200 Series Deck Weldment | Call For Details | |
| 2 | 415892 - Sheave | Add To Cart | |
| 3 | 415891 - Split Sheave | Add To Cart | |
| 4 | 281582 - Square Key | Add To Cart | |
| 5 | 257041 - Cupped Washer | Add To Cart | |
| 6 | 243331 - Hex Bolt | Add To Cart | |
| 7 | 253035 - Whiz Nut | Add To Cart | |
| 8 | 824492 - M148 Idler Arm with Pedestal | Call For Details | |
| 9 | 121756 - Oilite Bearing | Add To Cart | |
| 10 | 121650 - Pedestal Bearing | Add To Cart | |
| 11 | 883804 - Washer | Add To Cart | |
| 12 | 257062 - Washer | Add To Cart | |
| 13 | 393250 - Idler | Add To Cart | |
| 14 | 243575 - Hex Bolt | Add To Cart | |
| 15 | 253067 - Flange Spiral Lock Nut | Add To Cart | |
| 16 | 422520 - Nylon Bearing | Add To Cart | |
| 17 | 257040 - Washer | Add To Cart | |
| 18 | 253043 - Whiz Nut | Add To Cart | |
| 19 | 283848 - Extension Spring | Add To Cart | |
| 20 | 730391 - Idler Adjustment J Bolt | Add To Cart | |
| 21 | 254450 - Nut | Add To Cart | |
| 22 | 243365 - Hex Bolt | Add To Cart | |
| 23 | 424179 - M148 Deck Flap | Add To Cart | |
| 24 | 774219 - right Deflector Strap | Call For Details | |
| 25 | 253177 - Truss Whiz Bolt | Add To Cart | |
| 26 | 253025 - Whiz Nut | Add To Cart | |
| 27 | 382086 - Belt | Add To Cart | |
| 28 | 604675 - Radius Arm Assembly | Add To Cart | |
| 29 | 265665 - Rod End | Add To Cart | |
| 30 | 254493 - Nut | Add To Cart | |
| 31 | 644512 - Roller Lock Pin | Add To Cart | |
| 32 | 253192 - Hex Flange Whiz Bolt | Add To Cart | |
| 33 | 820331 - M1 5 Links Chain | Add To Cart | |
| 34 | 243458 - GR 8 Hex Bolt | Add To Cart | |
| 35 | 253058 - Whiz Nut | Add To Cart | |
| 36 | 643632 - Vac Housing Pivot Mount | Add To Cart | |
| 37 | 644567 - Discharge Shield Mount | Add To Cart | |
| 38 | 284406 - Torsion Spring | Add To Cart | |
| 39 | 780650 - Flex Discharge Shield Pin | Add To Cart | |
| 40 | 260608 - Cotter Ring | Add To Cart | |
| 41 | 422042 - Flex Discharge Shield | Add To Cart | |
| 42 | 252821 - 3-Prong Head Deck Stud (Knob) | Add To Cart | |
| 43 | 247310 - Carriage Bolt | Add To Cart | |
| 44 | 254448 - Speed Nut | Add To Cart | |
| 45 | 254431 - Speed Nut | Add To Cart | |
| 46 | 644086 - M1 Deck Belt Guide | Add To Cart | |
| 47 | 253203 - Flange Whiz Bolt | Add To Cart | |
| 48 | 722541 - M148 200 right Belt Shield | Add To Cart | |
| 49 | 722542 - M148 200 left Belt Shield | Add To Cart | |
| 50 | 253175 - Hex Whiz Bolt | Add To Cart | |
| 51 | 320234 - 15 inch High Lift Notch Blade | Call For Details | |
| - | 320231 - 15 inch Medium Lift Blade | Call For Details | |
| - | 320233 - 15 inch Contour Blade | Call For Details | |
| - | 320248 - 15 inch Exreme Hi-Lift Blade | Call For Details | |
| 52 | 320239 - 18 inch High Lift Notch Blade | Call For Details | |
| - | 320236 - 18 inch Medium Lift Blade | Call For Details | |
| - | 320238 - 18 inch Contour Blade | Call For Details | |
| - | 320241 - 18 inch Extreme Hi-Lift Blade | Call For Details | |
| 52 | 320317 - 18 inch High Lift Notch Laser Edge Blade | Call For Details | |
| - | 320321 - 18 inch Shredder Blade | Call For Details | |
| 53 | 603725 - 2 Piece Center Roller Assembly | Add To Cart | |
| 54 | 415902 - Big Split Sheave | Add To Cart | |
| 55 | 644603 - 3348 Rt Mulch Plate | Add To Cart | |
| 56 | 644604 - 3348 Lt Mulch Plate | Call For Details | |
| 57 | 644175 - 3344/48 End Cap Mulch | Add To Cart | |
| 58 | 243810 - Hex Bolt | Add To Cart | |
| 59 | 253970 - Lock Nut | Add To Cart | 
