Skip to content
Home
Shop by Categories
Shop by Brands
Search
Account
Hello, Login
0
Search
0
Search
Home
Shop by Categories
Shop by Brands
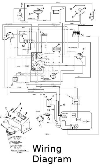
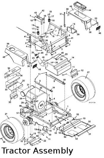
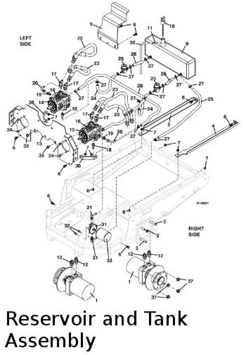
218 Kohler 18 hp Gas Powered - 2003
0
Cart
Home
Shopping
Account
Login
Register
Insert your account information:
Email address
Password
Forgot your
Password ?
Reset your password
Cancel
Create your account
Email address
*
First Name
*
Last Name
*
Password
*
Sign up for our newsletter
This product is currently out of stock
Register so we can email you as soon as it’s becomes available!
Noitify Me
Yes, I would like to be notified by email about this product, and to receive emails from Teemate with the latest deals, sales, and updates. I agree to Teemate’s
Terms of Service
and
Privacy Policy
Search
Call Us: 479.646.5102
Email
:
orders@the-mower-shop-inc.com
Facebook
Instagram