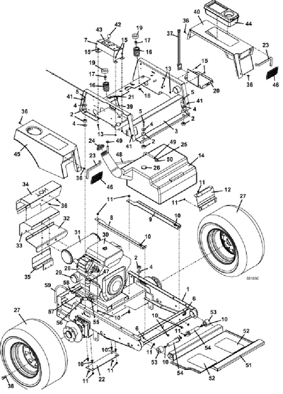
218 Tractor Assembly  - 2005
Click On a Part Number Below for Details
NOTE: If the part number you select is not linked to the shopping cart,call toll-free 866-698-4070 for availability.
| Item # | Part Number - Description | Price | |
|---|---|---|---|
| 1 | 644280 - 200 M1 Front Port Frame | Call For Details | |
| 2 | 257037 - Step Bushing | Add To Cart | |
| 3 | 644279 - 200 03 Upper Frame | Call For Details | |
| 4 | 774020 - Washer | Add To Cart | |
| 5 | 243220 - Hex Bolt | Add To Cart | |
| 6 | 253450 - Nylon Insert Nut | Add To Cart | |
| 7 | 721232 - M1 Console Panel | Add To Cart | |
| 8 | 754051 - right Tank Rail | Call For Details | |
| 9 | 754052 - left Tank Rail | Call For Details | |
| 10 | 253192 - Hex Flange Whiz Bolt | Add To Cart | |
| 11 | 253035 - Whiz Nut | Add To Cart | |
| 12 | 722194 - Gas Tank Anchor | Call For Details | |
| 13 | 253025 - Whiz Nut | Add To Cart | |
| 14 | 604800 - M1 Gas Tank Assembly | Add To Cart | |
| 15 | 253176 - Truss Whiz Bolt | Add To Cart | |
| 16 | 283516 - Compression Spring | Add To Cart | |
| 17 | 253203 - Flange Whiz Bolt | Add To Cart | |
| 18 | 253043 - Whiz Nut | Add To Cart | |
| 19 | 422127 - Seat Spring Cap | Add To Cart | |
| 20 | 644090 - 220/225/227 Battery Box | Add To Cart | |
| 21 | 422150 - Handle Grip | Add To Cart | |
| 22 | 783277 - Belt Guard Strap | Add To Cart | |
| 23 | 822632 - Fender Edge Trim | Add To Cart | |
| 24 | 100210 - Fuel Tank Cap | Add To Cart | |
| 25 | 101814 - Fuel Tube | Add To Cart | |
| 26 | 141140 - 8.5 gal. In-Tank Fuel Gauge | Add To Cart | |
| - | 424275 - Grommet | Add To Cart | |
| 27 | 483955 - Turf Wheel & Tire Assembly 23 x 9.50 x 12 | Add To Cart | |
| - | 482488 - Turf Tire 23 x 9.50 x 12 | Add To Cart | |
| - | 483435 - Offset Wheel 12 x 7 x 5.25 | Add To Cart | |
| 28 | 100145 - 18 hp OHV Kohler Engine | Call For Details | |
| 29 | 100802 - Kohler Oil Filter | Add To Cart | |
| 30 | 100928 - Kohler Air Filter | Call For Details | |
| - | 100929 - 20 hp Kohler Air Filter Precleaner | Call For Details | |
| 31 | 101217 - Kohler Muffler | Call For Details | |
| - | 101041 - Kohler Exhaust Gasket | Add To Cart | |
| 32 | 729312 - 225 Lower Muffler Bracket | Call For Details | |
| 33 | 722309 - Inner Panel Shield | Add To Cart | |
| 34 | 722391 - Muffler Shield | Add To Cart | |
| 35 | 643117 - Shield Mount Bracket | Add To Cart | |
| 36 | 253173 - Hex Whiz Bolt | Add To Cart | |
| 37 | 604785 - Battery Hold Down Strap | Add To Cart | |
| 38 | 248565 - Lug Bolt | Add To Cart | |
| 39 | 603856 - Throttle Assembly | Add To Cart | |
| - | 323640 - Control Cable Assembly | Add To Cart | |
| 40 | 644273 - M1 left Snap Mount Fender | Add To Cart | |
| - | 163254 - 218 left Trim Decal | Call For Details | |
| 41 | 254431 - Speed Nut | Add To Cart | |
| 42 | 142214 - Mechanical Choke | Add To Cart | |
| 43 | 693115 - 200 Console Panel with Decal | Call For Details | |
| 44 | 422040 - Tool Box | Add To Cart | |
| 45 | 644272 - M1 right Snap Mount Fender | Add To Cart | |
| - | 163253 - 218 right Trim Decal | Call For Details | |
| 46 | 422079 - Work Lamp Hole Plug | Add To Cart | |
| 47 | 101001 - Kohler Fuel Filter | Call For Details | |
| 48 | 821736 - Fuel Hose | Add To Cart | |
| 49 | 280260 - Hose Spring Clamp | Add To Cart | |
| 50 | 101875 - Grommet | Add To Cart | |
| 51 | 644256 - M1 On-Frame Foot Rest | Call For Details | |
| 52 | 420902 - Foot Rest Tread | Add To Cart | |
| 53 | 424095 - Seat Isolator | Add To Cart | |
| 54 | 644618 - Seat Hinge Pin | Add To Cart | |
| 55 | 364508 - Nipple | Add To Cart | |
| 56 | 362215 - Ell | Add To Cart | |
| 57 | 143610 - Oil Drain Valve | Add To Cart | |
| 58 | 363854 - Nylon Fitting | Add To Cart | |
| 59 | 821752 - Oil Drain Tube | Add To Cart | |
| 60 | 604216 - 218 ROPS Decal Set | Call For Details | 
