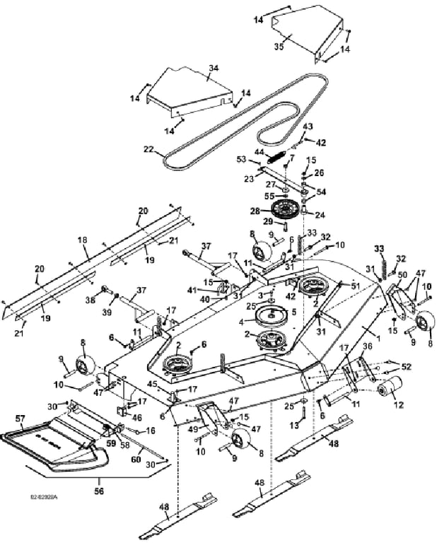
220/225 Deck Assembly M172 - 2004
Click On a Part Number Below for Details
NOTE: If the part number you select is not linked to the shopping cart,call toll-free 866-698-4070 for availability.
| Item # | Part Number - Description | Price | |
|---|---|---|---|
| 1 | 644161 - M172 Deck with Bolt-On Rollers | Add To Cart | |
| 2 | 414745 - Sheave | Add To Cart | |
| 3 | 243331 - Hex Bolt .375-24 x 1 | Add To Cart | |
| 4 | 415894 - Sheave | Add To Cart | |
| 5 | 281582 - Square Key .250 x .875 | Add To Cart | |
| 6 | 253192 - Hex Flange Whiz Bolt .312-18 x .75 | Add To Cart | |
| 7 | 253067 - Loc Spiral Flange Nut | Add To Cart | |
| 8 | 484230 - Anti-Scalp Center Hub Wheel | Add To Cart | |
| 9 | 942137 - Bearing Tube | Add To Cart | |
| 10 | 247310 - Carriage Bolt | Add To Cart | |
| 11 | 644512 - Roller Lock Pin | Add To Cart | |
| 12 | 603725 - Center Roller 2 Piece Assembly | Add To Cart | |
| 13 | 243365 - Hex Bolt .375-16 x 3 | Add To Cart | |
| 14 | 253175 - Hex Whiz Bolt .25-20 x .75 | Add To Cart | |
| 15 | 253043 - Whiz Nut .375-16 | Add To Cart | |
| 16 | 260400 - Hitch Pin .375 x 2 | Add To Cart | |
| 17 | 253035 - Whiz Nut | Add To Cart | |
| 18 | 424206 - M1 72' Deck Flap | Add To Cart | |
| 19 | 774223 - M1 72' Deflector Strap | Add To Cart | |
| 20 | 253177 - Truss Whiz Bolt .250-20 x .750 | Add To Cart | |
| 21 | 253025 - Whiz Nut .250-20 | Add To Cart | |
| 22 | 382098 - Belt | Add To Cart | |
| 23 | 824494 - 72 Deep F/A Idler Arm | Add To Cart | |
| 24 | 121650 - Pedestal Bearing .750 x 1.5 | Add To Cart | |
| 25 | 257041 - Cupped Washer | Add To Cart | |
| 26 | 257040 - Washer | Add To Cart | |
| 27 | 883804 - Retainer Washer .531 x 1.625 | Add To Cart | |
| 28 | 393250 - Idler | Add To Cart | |
| 29 | 243575 - Hex Bolt | Add To Cart | |
| 30 | 260608 - Cotter Ring | Add To Cart | |
| 31 | 253058 - Whiz Nut .437-14 | Add To Cart | |
| 32 | 243458 - Hex Bolt .437-14 x 1.75 GR 8 | Add To Cart | |
| 33 | 820331 - Chain - 5 Links M1 | Add To Cart | |
| 34 | 723330 - right Belt Shield M1 72 | Add To Cart | |
| 35 | 723331 - left Belt Shield M1 72 | Add To Cart | |
| 36 | 755071 - M1 72 Roller Mount | Add To Cart | |
| 37 | 604675 - Radius Arm Assembly - 255-61 | Add To Cart | |
| 38 | 265665 - Rod End | Add To Cart | |
| 39 | 254493 - Nut .625-18 | Add To Cart | |
| 40 | 253203 - Flange Whiz Bolt .375-16 x 1 | Add To Cart | |
| 41 | 644086 - M1 Deck Belt Guide | Add To Cart | |
| 42 | 254450 - Nut .375-16 | Add To Cart | |
| 43 | 730391 - Idler Adjustment J Bolt | Add To Cart | |
| 44 | 283848 - Extension Spring | Add To Cart | |
| 45 | 643235 - Shaft - Clevis | Add To Cart | |
| 46 | 643632 - Pivot Mount | Add To Cart | |
| 47 | 247130 - Carriage Bolt .312 x .75 | Add To Cart | |
| 48 | 320253 - High Lift Notch Blade - 25' | Call For Details | |
| - | 320250 - Medium Lift Blade - 25' | Call For Details | |
| - | 320252 - Contour Blade - 25' | Call For Details | |
| - | 320254 - Extreme High Lift Blade - 25' | Call For Details | |
| 48 | 320319 - Laser Edge High Lift Notch Blade - 25' | Call For Details | |
| - | 320323 - 25' Shredder Blade | Call For Details | |
| 49 | 643842 - Rt Anti-Scalp Roller Mount | Add To Cart | |
| 50 | 643695 - Lt Anti-Scalp Roller Mount | Add To Cart | |
| 51 | 254431 - Speed Nut .250-20 | Add To Cart | |
| 52 | 247253 - Carriage Bolt .375 x 1 GR | Add To Cart | |
| 53 | 422520 - Nylon Bearing | Add To Cart | |
| 54 | 121756 - Oilite Bearing .754 x .878 x .50 | Add To Cart | |
| 55 | 257062 - Washer | Add To Cart | |
| 56 | 604749 - Discharge Shield Assembly | Add To Cart | |
| 57 | 422042 - Discharge Shield | Add To Cart | |
| 58 | 644767 - Discharge Shield Mount | Add To Cart | |
| 59 | 284406 - Torsion Spring | Add To Cart | |
| 60 | 780650 - Pin | Add To Cart |