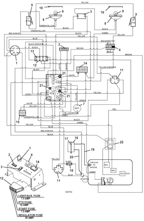
220 Electrical Wiring, Lights, & Switches - 2013
Click On a Part Number Below for Details
NOTE: If the part number you select is not linked to the shopping cart,call toll-free 866-698-4070 for availability.
| Item # | Part Number - Description | Price | |
|---|---|---|---|
| 1 | 183806 - Briggs & Stratton / Kohler Ignition Switch with Key | Add To Cart | |
| - | 101101 - Ignition Key with Cover | Add To Cart | |
| - | 254498 - Nut | Add To Cart | |
| - | 422078 - Plastic Panel | Add To Cart | |
| 2 | 182326 - Brake Indicator Light | Add To Cart | |
| 3 | 184179 - Rocker Switch | Add To Cart | |
| 4 | 183925 - Push/Pull Switch | Add To Cart | |
| 5 | 183860 - Lever Switch | Add To Cart | |
| - | 720160 - right Steering Switch Mount | Add To Cart | |
| 6 | 183860 - Lever Switch | Add To Cart | |
| - | 720161 - left Steering Switch Mount | Add To Cart | |
| 7 | 183871 - Twist-in Seat Switch | Add To Cart | |
| 8 | 182253 - Flood Worklamp | Add To Cart | |
| 9 | 182005 - Bulb for Worklamp | Add To Cart | |
| 10 | 182251 - Snap Mount Bezel for Worklamp | Add To Cart | |
| 11 | 184271 - 12 volt DC Relay with Mount | Add To Cart | |
| - | 184570 - 6mm Type 1 Push-On | Add To Cart | |
| - | 184581 - .250 Faston Terminal | Add To Cart | |
| - | 184926 - 5-Way Female Connector | Add To Cart | |
| 12 | 181722 - Fuse Block | Add To Cart | |
| - | 162320 - Fuse ID Decal | Add To Cart | |
| - | 184458 - 1 Wire Fuse Clip | Add To Cart | |
| - | 184460 - 2 Wire Fuse Clip | Add To Cart | |
| - | 184472 - Double Wire Fuse Clip | Add To Cart | |
| 13 | 181470 - Auto ATC 30 amp Fuse | Add To Cart | |
| - | 181460 - Auto ATC 7.50 amp Fuse | Add To Cart | |
| - | 181462 - Auto ATC 10 amp Fuse | Add To Cart | |
| 14 | 141551 - Snap-In Hour Meter | Add To Cart | |
| 15 | 183894 - Brake Interlock Switch | Add To Cart | |
| 16 | 180125 - 12 Volt Wet Battery | Add To Cart | |
| - | 180126 - 12 Volt Dry Battery | Add To Cart | |
| - | 644090 - 220/225/227 Battery Box | Add To Cart | |
| 17 | 604785 - Battery Hold-Down Strap | Add To Cart | |
| 18 | 181735 - Inline Auto Fuse Holder | Add To Cart | |
| - | 181470 - Auto ATC 30 amp Fuse | Add To Cart | |
| 19 | 180290 - 30 inch Black Battery Cable | Add To Cart | |
| 20 | 180330 - 30 inch Red Battery Cable | Add To Cart | |
| - | 425219 - Starter Terminal Boot | Add To Cart | |
| 21 | 423690 - PC Board Support Spacer | Add To Cart | |
| 22 | 184936 - 4-Way Connector Mount | Add To Cart | |
| 23 | 605900 - 225/220 2003 Wiring Assembly | Add To Cart | |
| 24 | 161122 - 200/600T Console Pic Decal | Add To Cart |