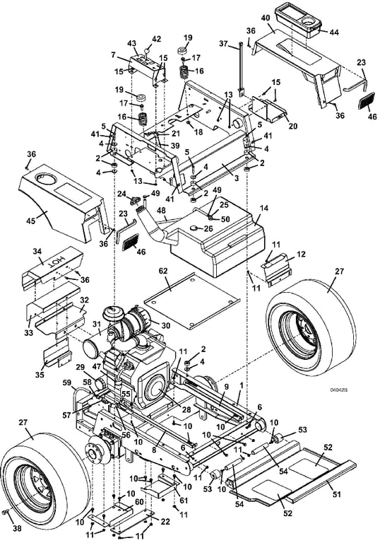
223 / 227 Tractor Assembly - 2007
Click On a Part Number Below for Details
NOTE: If the part number you select is not linked to the shopping cart,call toll-free 866-698-4070 for availability.
| Item # | Part Number - Description | Price | |
|---|---|---|---|
| 1 | 644280 - 200M1 Front Port Frame | Call For Details | |
| 2 | 257037 - Rubber Step Bushing | Add To Cart | |
| 3 | 644279 - 200 03 Upper Frame | Call For Details | |
| 4 | 774020 - Washer | Add To Cart | |
| 5 | 243220 - Hex Bolt .312-18 x 1.750 | Add To Cart | |
| 6 | 253450 - Nylon Insert Nut .312-18 | Add To Cart | |
| 7 | 721232 - Console Panel M1 | Add To Cart | |
| 8 | 754051 - Tank Rail - right | Call For Details | |
| 9 | 754052 - Tank Rail - left | Call For Details | |
| 10 | 253192 - Hex Flange Whiz Bolt .312-18 x .75 | Add To Cart | |
| 11 | 253035 - Whiz Nut | Add To Cart | |
| 12 | 722194 - Gas Tank Anchor | Call For Details | |
| 13 | 253025 - Whiz Nut .250-20 | Add To Cart | |
| 14 | 604800 - M1 Fuel Tank Assembly | Add To Cart | |
| 15 | 253176 - Truss Whiz Bolt | Add To Cart | |
| 16 | 283516 - Compression Spring | Add To Cart | |
| 17 | 253203 - Whiz Bolt | Add To Cart | |
| 18 | 253043 - Whiz Nut .375-16 | Add To Cart | |
| 19 | 422127 - Seat Spring Cap | Add To Cart | |
| 20 | 644090 - Battery Box 220/225/227 | Add To Cart | |
| 21 | 422150 - Handle Grip | Add To Cart | |
| 22 | 783277 - Belt Guard Strap | Add To Cart | |
| 23 | 822632 - Fender Edge Trim - 11.5 | Add To Cart | |
| 24 | 100210 - Fuel Tank Cap | Add To Cart | |
| 25 | 101814 - Fuel Tube | Add To Cart | |
| 26 | 141140 - In-Tank Fuel Gauge | Add To Cart | |
| - | 424275 - Grommet - Fuel Gauge Mount | Add To Cart | |
| 27 | 483960 - Wheel & Tire 23 x 10.5 x 12 | Add To Cart | |
| - | 483445 - Wheel Only 12 x 8.5 x 5.750 (for 52 Inch Decks) | Add To Cart | |
| - | 482485 - Turf Tire 23 x 10.5 x 12 | Add To Cart | |
| - | 483965 - Wheel & Tire 24 x 12 x 12 | Add To Cart | |
| - | 483440 - Wheel Only 12 x 8.5 x 4.25 (for 61 Inch & 72' Decks) | Add To Cart | |
| - | 482486 - Turf Tire 24 x 12 x 12 | Add To Cart | |
| - | 483968 - 12' Wheel & Tire Bar (right) | Call For Details | |
| - | 483969 - 12' Wheel & Tire Bar (left) | Call For Details | |
| - | 482487 - Tire Only 24 x 12 x 12 AT101 Bar | Add To Cart | |
| 28 | 100158 - 23 HP OHV M1 Kohler Engine | Call For Details | |
| - | 100189 - 27 HP Kohler AC Engine | Call For Details | |
| 29 | 100802 - Kohler Oil Filter | Add To Cart | |
| 30 | 100936 - Air Filter - Outer Element | Add To Cart | |
| - | 100937 - Air Filter - Inner Element | Call For Details | |
| 31 | 101217 - Kohler Muffler | Call For Details | |
| - | 101041 - Kohler Exhaust Gasket | Add To Cart | |
| 32 | 729312 - Lower Muffler Bracket 225 | Call For Details | |
| 33 | 722309 - Inner Panel - Shield | Add To Cart | |
| 34 | 722391 - Muffler Shield | Add To Cart | |
| 35 | 643117 - Shield Mount Bracket | Add To Cart | |
| 36 | 253173 - Hex Whiz Bolt .250-20 x .500 | Add To Cart | |
| 37 | 604785 - Battery Hold Down Strap | Add To Cart | |
| 38 | 248565 - Lug Bolt .500 x .875 | Add To Cart | |
| 39 | 603856 - Throttle Assembly -200/928D/928D2 | Add To Cart | |
| - | 323640 - Control Cable Assembly | Add To Cart | |
| - | 722009 - Throttle Lever Stop | Add To Cart | |
| 40 | 644273 - Fender - M1 left Inset Light | Add To Cart | |
| - | 163405 - left .06 Decal 223 Trim | Add To Cart | |
| - | 163409 - left .06 Decal 227 Trim | Add To Cart | |
| 41 | 254431 - Speed Nut .250-20 | Add To Cart | |
| 42 | 142214 - Mechanical Choke 32.25 x 29.5 | Add To Cart | |
| 43 | 693115 - Console Panel 200 with Decal | Call For Details | |
| 44 | 422040 - Tool Box | Add To Cart | |
| 45 | 644272 - right Snap Mount Fender | Add To Cart | |
| - | 163404 - right .06 Decal 223 Trim | Add To Cart | |
| - | 163408 - right .06 Decal 227 Trim | Call For Details | |
| 46 | 422079 - Plug for Work Lamp Hole | Add To Cart | |
| 47 | 101001 - Kohler Fuel Filter | Call For Details | |
| 48 | 821736 - Fuel Line Hose (19.5' long) | Add To Cart | |
| 49 | 280260 - Hose Spring Clamp | Add To Cart | |
| 50 | 101875 - Fuel Tube Bushing (Grommet) | Add To Cart | |
| 51 | 644256 - M1 On-Frame Foot Rest | Call For Details | |
| - | 644228 - M1 Frame-Mount Foot Rest | Call For Details | |
| 52 | 420902 - Foot Rest Tread | Add To Cart | |
| 53 | 424095 - Seat Isolator | Add To Cart | |
| 54 | 644618 - Seat Hinge Pin | Add To Cart | |
| 55 | 364508 - Nipple | Add To Cart | |
| 56 | 362215 - ELL | Add To Cart | |
| 57 | 143610 - Oil Drain Valve | Add To Cart | |
| 58 | 363854 - Nylon Fitting | Add To Cart | |
| 59 | 821752 - Oil Drain Tube | Add To Cart | |
| 60 | 723024 - right Hydro 200 Debris Shield | Add To Cart | |
| 61 | 723025 - left Hydro 200 Debris Shield | Add To Cart | |
| 62 | 722495 - M1 Tank Shield | Call For Details | |
| 63 | 605297 - Decal Set - 223 | Add To Cart | |
| 64 | 605298 - Decal Set - 227 | Call For Details |