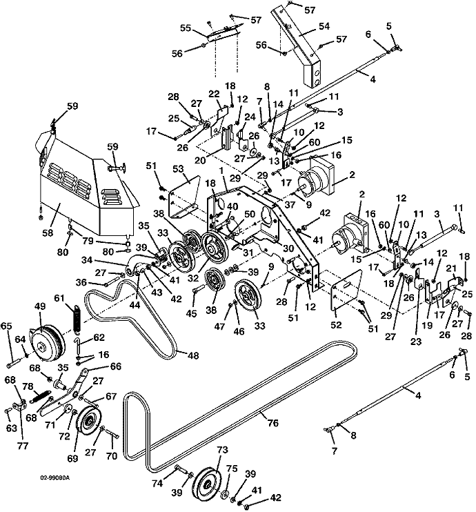
225 Drive Assembly - earlyserial numbers 498725 - 5113810 - 2000 & 2001
Click On a Part Number Below for Details
NOTE: If the part number you select is not linked to the shopping cart,call toll-free 866-698-4070 for availability.
| Item # | Part Number - Description | Price | |
|---|---|---|---|
| 1 | 644631 - Pump Mount - M1 W/A | Call For Details | |
| 2 | 391455 - Hydro Pump - 10L | Add To Cart | |
| 3 | 285031 - Damper | Add To Cart | |
| 4 | 604525 - Steering Linkage - M1 200 | Add To Cart | |
| 5 | 265615 - Ball Joint | Add To Cart | |
| 6 | 254441 - Nut .312-24 | Add To Cart | |
| 7 | 265616 - Ball Joint - Lefthand Thread | Add To Cart | |
| 8 | 254444 - Nut .312-24 | Add To Cart | |
| 9 | 281562 - Key .125 x .187 x .750 | Add To Cart | |
| 10 | 754020 - Control Arm - Air Cooled | Add To Cart | |
| 11 | 265680 - Ball Stud | Add To Cart | |
| 12 | 253035 - Whiz Nut | Add To Cart | |
| 13 | 887110 - Neutral Adjust Roller Mount | Add To Cart | |
| 14 | 120025 - Double Seal Ball Bearing .315 x .866 | Add To Cart | |
| 15 | 257410 - Washer | Add To Cart | |
| 16 | 254450 - Nut .375-16 | Add To Cart | |
| 17 | 253182 - Hex Whiz Bolt .25-20 x 1.5 | Add To Cart | |
| 18 | 253025 - Whiz Nut .250-20 | Add To Cart | |
| 19 | 729227 - Neutral Return Mount - right | Add To Cart | |
| 20 | 729228 - Neutral Return Mount - left | Add To Cart | |
| 21 | 729136 - Neutral Return Front Arm - right | Add To Cart | |
| 22 | 729137 - Neutral Return Front Arm - left | Add To Cart | |
| 23 | 729138 - Neutral Return Arm - right | Add To Cart | |
| 24 | 729139 - Neutral Return Arm - left | Add To Cart | |
| 25 | 283823 - Extension Spring | Add To Cart | |
| 26 | 822304 - Neutral Return Pivot Bearing | Add To Cart | |
| 27 | 257040 - Washer | Add To Cart | |
| 28 | 243335 - Hex Bolt .375-16 x 1.25 | Add To Cart | |
| 29 | 253890 - Lock Nut .375-16 | Add To Cart | |
| 30 | 755125 - Anti Rotation Bracket M1 | Add To Cart | |
| 31 | 422088 - Clutch Bracket Cover | Add To Cart | |
| 32 | 415888 - Sheave | Add To Cart | |
| 33 | 415880 - Sheave | Add To Cart | |
| 34 | 824485 - Idler Arm - M1 Pumps F/A | Add To Cart | |
| 35 | 121650 - Pedestal Bearing .750 x 1.5 | Add To Cart | |
| 36 | 243365 - Hex Bolt .375-16 x 3 | Add To Cart | |
| 37 | 257412 - Lock Washer | Add To Cart | |
| 38 | 393195 - Idler Pulley | Add To Cart | |
| 39 | 257062 - Washer | Add To Cart | |
| 40 | 243601 - Full Thread Hex Bolt .500-13 x 3 GR 5 | Add To Cart | |
| 41 | 257432 - Lock Washer | Add To Cart | |
| 42 | 254470 - Nut .500-13 | Add To Cart | |
| 43 | 422558 - Nylon Bearing | Add To Cart | |
| 44 | 253930 - Lock Nut .500-13 | Add To Cart | |
| 45 | 243580 - Hex Bolt .500-13 x 2 | Add To Cart | |
| 46 | 257030 - Washer | Add To Cart | |
| 47 | 254452 - Nut .375-24 | Add To Cart | |
| 48 | 382036 - Belt | Add To Cart | |
| 49 | 388740 - Electric Clutch | Add To Cart | |
| 50 | 281582 - Square Key .250 x .875 | Add To Cart | |
| 51 | 253192 - Hex Flange Whiz Bolt .312-18 x .75 | Add To Cart | |
| 52 | 754043 - right Pump Plate Gusset | Call For Details | |
| 53 | 754044 - left Pump Plate Gusset | Call For Details | |
| 54 | 722179 - right Shield Channel | Add To Cart | |
| 55 | 722148 - left Shield Channel | Call For Details | |
| 56 | 424015 - Rubber Bumper | Add To Cart | |
| 57 | 253173 - Hex Whiz Bolt .250-20 x .500 | Add To Cart | |
| 58 | 604753 - Rear Shield Assembly - M1 | Add To Cart | |
| 59 | 281301 - Rubber Draw Latch | Add To Cart | |
| 60 | 253038 - Whiz Nut .312-24 | Add To Cart | |
| 61 | 283848 - Extension Spring | Add To Cart | |
| 62 | 730391 - Idler Adjustment J Bolt | Add To Cart | |
| 63 | 243330 - Hex Bolt .375-16 x 1 | Add To Cart | |
| 64 | 257422 - Lock Washer | Add To Cart | |
| 65 | 243470 - Hex Bolt .437-20 x 2.5 | Add To Cart | |
| 66 | 824486 - Mule Drive Idler Arm | Add To Cart | |
| 67 | 243360 - Hex Bolt .375-16 x 2.750 | Add To Cart | |
| 68 | 253043 - Whiz Nut .375-16 | Add To Cart | |
| 69 | 393376 - Idler | Add To Cart | |
| 70 | 243355 - Hex Bolt .375-16 x 2.500 | Add To Cart | |
| 71 | 883803 - Retainer Washer | Add To Cart | |
| 72 | 902318 - Coupling Spacer | Add To Cart | |
| 73 | 393390 - Idler Pulley | Add To Cart | |
| 74 | 243585 - Hex Bolt .500-13 x 2.250 | Add To Cart | |
| 75 | 883804 - Retainer Washer .531 x 1.625 | Add To Cart | |
| 76 | 382085 - Belt | Add To Cart | |
| - | 382095 - Belt | Add To Cart | |
| 77 | 732520 - Idler Spring Bracket M1 | Add To Cart | |
| 78 | 283820 - Extension Spring with Swivel | Add To Cart | |
| 79 | 422090 - Rear Belt Shield Isolater | Add To Cart | |
| 80 | 425492 - O Ring | Add To Cart |