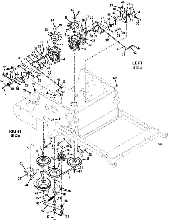
225V Drive Assembly - 2015
Click On a Part Number Below for Details
NOTE: If the part number you select is not linked to the shopping cart,call toll-free 866-698-4070 for availability.
| Item # | Part Number - Description | Price | |
|---|---|---|---|
| 1 | 391460 - Lt Hydro Pump w/Shaft | Add To Cart | |
| 2 | 391461 - Rt Hydro Pump w/Shaft | Add To Cart | |
| 3 | 243335 - Hex Bolt | Add To Cart | |
| 4 | 253043 - Whiz Nut | Add To Cart | |
| 5 | 415907 - Sheave | Add To Cart | |
| 6 | 415905 - Sheave | Add To Cart | |
| 7 | 382025 - Belt | Add To Cart | |
| 8 | 281560 - Square Key | Add To Cart | |
| 9 | 281582 - Square Key | Add To Cart | |
| 10 | 774012 - Flat Washer | Add To Cart | |
| 11 | 270822 - Hex Bolt Fl w/Ser | Add To Cart | |
| 12 | 824469 - 200V Hydro Idler Arm Assembly | Add To Cart | |
| 13 | 121756 - Oilite Bearing | Add To Cart | |
| 14 | 121650 - Pedestal Bearing | Add To Cart | |
| 15 | 283820 - Extension Spring with Swivel | Add To Cart | |
| 16 | 257040 - Washer | Add To Cart | |
| 17 | 243360 - Hex Bolt | Add To Cart | |
| 18 | 257062 - Washer | Add To Cart | |
| 19 | 393195 - Idler | Add To Cart | |
| 20 | 243575 - Hex Bolt | Add To Cart | |
| 21 | 253066 - Whiz Nut | Add To Cart | |
| 22 | 388751 - 200V Electric Clutch with 1 inch Shaft | Add To Cart | |
| 23 | 253025 - Whiz Nut | Add To Cart | |
| 24 | 257422 - Lock Washer | Add To Cart | |
| 25 | 243470 - Hex Bolt | Add To Cart | |
| 26 | 725540 - 200V Anti-Rotation Bracket | Add To Cart | |
| 27 | 422088 - Clutch Bracket Cover | Add To Cart | |
| 28 | 253035 - Whiz Nut | Add To Cart | |
| 29 | 253192 - Hex Flange Whiz Bolt | Add To Cart | |
| 30 | 724932 - Rt 200V Control Arm | Add To Cart | |
| 31 | 724933 - Lt 200V Control Arm | Add To Cart | |
| 32 | 253182 - Hex Whiz Bolt | Add To Cart | |
| 33 | 603731 - Eccentric Solid Roller Assembly | Add To Cart | |
| 34 | 257410 - External Star Washer | Add To Cart | |
| 35 | 254450 - Nut | Add To Cart | |
| 36 | 265680 - Ball Stud | Add To Cart | |
| 37 | 285031 - Damper | Add To Cart | |
| 38 | 780175 - Steering Linkage Rod | Add To Cart | |
| 39 | 265615 - Righthand Thread Ball Joint | Add To Cart | |
| 40 | 254441 - Nut | Add To Cart | |
| 41 | 265616 - Lefthand Thread Ball Joint | Add To Cart | |
| 42 | 254444 - Nut | Add To Cart | |
| 43 | 257020 - Washer | Add To Cart | |
| 44 | 253038 - Whiz Nut | Add To Cart | |
| 45 | 729398 - Neutral Return Arm | Add To Cart | |
| 46 | 729399 - Front left Neutral Return Arm | Call For Details | |
| 47 | 724927 - 200V Neutral Return Mount | Call For Details | |
| 48 | 729396 - right rear Neutral Return Arm | Add To Cart | |
| 49 | 729397 - left rear Neutral Return Arm | Call For Details | |
| 50 | 783729 - 200V Steering Spacer | Call For Details | |
| 51 | 822304 - Neutral Return Pivot Bearing | Add To Cart | |
| 52 | 257030 - Washer | Add To Cart | |
| 53 | 253890 - Lock Nut | Add To Cart | |
| 54 | 283823 - Extension Spring | Add To Cart | |
| 55 | 243035 - Hex Bolt | Add To Cart | |
| 56 | 902277 - Eccentric Roller Spacer | Add To Cart | |
| 57 | 130130 - Fan Hub | Add To Cart | |
| 58 | 130131 - 7' Fan | Add To Cart | |
| 59 | 130132 - Slotted Washer | Add To Cart | |
| 60 | 253452 - Side Lock Nut | Add To Cart | |
| 61 | 730391 - Idler Adjustment J Bolt | Add To Cart | |
| 62 | 253189 - Whiz Bolt | Add To Cart | |
| 63 | 422520 - Nylon Bearing | Add To Cart |