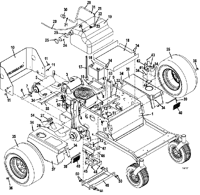
225V Tractor Assembly - 2015
Click On a Part Number Below for Details
NOTE: If the part number you select is not linked to the shopping cart,call toll-free 866-698-4070 for availability.
| Item # | Part Number - Description | Price | |
|---|---|---|---|
| 1 | 645201 - 200V 48/52 Frame | Call For Details | |
| - | 645202 - 200V 61 Frame | Call For Details | |
| 2 | 100154 - 25HP Vertical Kohler Engine | Call For Details | |
| - | 243332 - Self Tapping Hex Bolt | Add To Cart | |
| 3 | 100917 - Kohler Confidant Air Filter | Call For Details | |
| - | 100916 - Kohler Preclean Air Filter | Call For Details | |
| 4 | 100802 - Kohler Oil Filter | Add To Cart | |
| 5 | 101214 - Muffler with Heat Shield Vert 25HP | Add To Cart | |
| - | 101041 - Muffler Exhaust Gasket for Kohler Vertical Engine | Add To Cart | |
| 6 | 942400 - M2 Exhaust Pipe | Add To Cart | |
| 7 | 101356 - Exhaust Clamp | Add To Cart | |
| 8 | 424319 - Drain Hose Assembly | Add To Cart | |
| 9 | 365515 - Metal Pipe Plug | Add To Cart | |
| 10 | 725901 - Rear Shield | Call For Details | |
| 11 | 243560 - Hex Bolt | Add To Cart | |
| 12 | 142250 - Mechanical Choke | Add To Cart | |
| 13 | 603821 - Throttle Assembly | Add To Cart | |
| - | 323655 - Control Cable Assembly | Add To Cart | |
| - | 722009 - Throttle Lever Stop | Add To Cart | |
| 14 | 422150 - Handle Grip | Add To Cart | |
| 15 | 723038 - 200V Battery Tray | Call For Details | |
| 16 | 180125 - 12 Volt Wet Battery | Add To Cart | |
| 17 | 604785 - Battery Hold Down Strap | Add To Cart | |
| 18 | 722926 - 200V Tank Shield | Call For Details | |
| 19 | 605798 - 200V Tank Assembly | Call For Details | |
| 20 | 141142 - Fuel Intake Gauge | Add To Cart | |
| - | 424275 - Grommet | Add To Cart | |
| 21 | 363925 - Fuel Tube | Add To Cart | |
| 22 | 101875 - Grommet | Add To Cart | |
| 23 | 606830 - Fuel Tank Valve Kit | Add To Cart | |
| 24 | 422027 - Fuel Tank Filler Hose | Add To Cart | |
| 25 | 280305 - Screw Type Hose Clamp | Add To Cart | |
| 26 | 644886 - 200 Fuel Filler | Add To Cart | |
| 27 | 606360 - Sealed Tether Fuel Cap Kit | Add To Cart | |
| 28 | 821767 - Fuel Hose | Call For Details | |
| 29 | 821755 - Fuel Vapor Hose | Call For Details | |
| 30 | 101001 - Kohler Fuel Filter | Call For Details | |
| 31 | 280260 - Spring Hose Clamp | Add To Cart | |
| 32 | 729577 - 200V Crossmember Seat | Call For Details | |
| 33 | 253175 - Hex Whiz Bolt | Add To Cart | |
| 34 | 253173 - Hex Whiz Bolt | Add To Cart | |
| 35 | 483960 - Wheel & Turf Tire | Add To Cart | |
| - | 482485 - Turf Tire 23 x 10.5 x 12 | Add To Cart | |
| - | 483445 - Wheel w/ 52 Inch Deck | Add To Cart | |
| 36 | 248565 - Lug Nut | Add To Cart | |
| 37 | 644884 - Rt 200V Fender | Call For Details | |
| 38 | 644885 - Lt 200V Fender | Call For Details | |
| 39 | 822632 - Trim | Add To Cart | |
| 40 | 422079 - Work Lamp Hole Plug | Add To Cart | |
| 41 | 722804 - M2 Reservoir Access Panel | Add To Cart | |
| 42 | 150225 - Cup Holder | Add To Cart | |
| 43 | 259030 - Cap Screw | Add To Cart | |
| 44 | 254436 - Nut | Add To Cart | |
| 45 | 644410 - 100 Console Bracket | Call For Details | |
| 46 | 645102 - M2/200v Console | Call For Details | |
| 47 | 253176 - Truss Whiz Bolt | Add To Cart | |
| 48 | 253025 - Whiz Nut | Add To Cart | |
| 49 | 724924 - 200V Wheel Motor Mount/Crossmember | Call For Details | |
| 50 | 253203 - Flange Whiz Bolt | Add To Cart | |
| - | 253043 - Whiz Nut | Add To Cart | |
| 51 | 253177 - Truss Whiz Bolt | Add To Cart | |
| 52 | 645206 - Rt 200V Wheel Motor & ROPS Mount | Call For Details | |
| 53 | 645207 - Lt 200V Wheel Motor & ROPS Mount | Call For Details | |
| 54 | 246975 - .250 Plastic Push Stud | Add To Cart | |
| 55 | 722974 - 120 Heat Shield | Call For Details | |
| 56 | 605342 - 225V Decal Set | Call For Details |