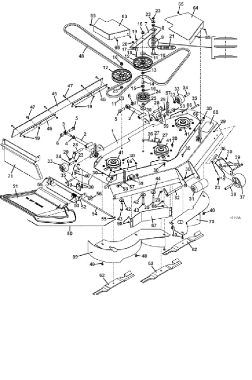
226V Deck Assembly M200V 52 Inch Serial #6313224 & Below - 2013
Click On a Part Number Below for Details
NOTE: If the part number you select is not linked to the shopping cart,call toll-free 866-698-4070 for availability.
| Item # | Part Number - Description | Price | |
|---|---|---|---|
| 1 | 645156 - 200V/52 Deck | Call For Details | |
| 2 | 604678 - 200V Radius Arm Assembly | Add To Cart | |
| 3 | 265665 - Rod End | Add To Cart | |
| 4 | 254493 - Nut | Add To Cart | |
| 5 | 243805 - Hex Bolt | Add To Cart | |
| 6 | 253970 - Lock Nut | Add To Cart | |
| 7 | 824468 - 200V Deck Idler Arm Assembly | Add To Cart | |
| 8 | 121756 - Oilite Bearing | Add To Cart | |
| 9 | 257319 - Spring Washer | Add To Cart | |
| 10 | 121651 - Pedestal Bearing | Add To Cart | |
| 11 | 257160 - Washer | Add To Cart | |
| 12 | 393250 - Idler | Add To Cart | |
| 13 | 257062 - Washer | Add To Cart | |
| 14 | 243575 - Hex Bolt | Add To Cart | |
| 15 | 423670 - Idler Arm Stabilizer Cap | Add To Cart | |
| 16 | 253067 - Spiral Flange Lock Nut | Add To Cart | |
| 17 | 784057 - Guide Tube | Add To Cart | |
| 18 | 243038 - Hex Bolt | Add To Cart | |
| 19 | 253025 - Whiz Nut | Add To Cart | |
| 20 | 422520 - Nylon Bearing | Add To Cart | |
| 21 | 283848 - Extension Spring | Add To Cart | |
| 22 | 774020 - Washer | Add To Cart | |
| 23 | 253043 - Whiz Nut | Add To Cart | |
| 24 | 393225 - Idler | Add To Cart | |
| 25 | 902313 - Spacer | Add To Cart | |
| 26 | 730391 - Idler Adjustment J Bolt | Add To Cart | |
| 27 | 254450 - Nut | Add To Cart | |
| 28 | 644880 - 200V Radius Arm Lock Pin | Add To Cart | |
| 29 | 253192 - Hex Flange Whiz Bolt | Add To Cart | |
| 30 | 253035 - Whiz Nut | Add To Cart | |
| 31 | 603725 - Center 2-Piece Roller Assembly | Add To Cart | |
| 32 | 644512 - Roller Lock Pin | Add To Cart | |
| 33 | 426122 - Roller | Add To Cart | |
| 34 | 902284 - Roller Mount Spacer | Add To Cart | |
| 35 | 243365 - Hex Bolt | Add To Cart | |
| 36 | 645579 - left Anti-Scalp Roller Mount | Add To Cart | |
| 37 | 484230 - Anti-Scalp Center Hub Wheel | Add To Cart | |
| 38 | 942137 - Bearing Tube | Add To Cart | |
| 39 | 247310 - Carriage Bolt | Add To Cart | |
| 40 | 247130 - Carriage Bolt | Add To Cart | |
| 41 | 415902 - Big Split Sheave | Add To Cart | |
| 42 | 257059 - Washer | Add To Cart | |
| 43 | 243590 - Hex Bolt | Add To Cart | |
| 44 | 257041 - Cupped Washer | Add To Cart | |
| 45 | 424163 - 200V 52 Deck Flap | Add To Cart | |
| 46 | 774219 - Deflector Strap | Call For Details | |
| 47 | 253181 - Bolt | Add To Cart | |
| 48 | 382097 - Belt | Add To Cart | |
| 49 | 643632 - Vac Housing Pivot Mount | Add To Cart | |
| 50 | 604317 - Flex Discharge Shield Assembly | Add To Cart | |
| 51 | 422042 - Flex Discharge Shield | Add To Cart | |
| 52 | 644570 - Discharge Shield Mount | Add To Cart | |
| 53 | 284406 - Torsion Spring | Add To Cart | |
| 54 | 780650 - Pin for Flex Discharge Shield | Add To Cart | |
| 55 | 260608 - Cotter Ring | Add To Cart | |
| 56 | 252821 - 3-Prong Head Deck Stud (Knob) | Add To Cart | |
| 57 | 820320 - Lift Chain | Add To Cart | |
| 58 | 243458 - GR 8 Hex Bolt | Add To Cart | |
| 59 | 253058 - Whiz Nut | Add To Cart | |
| 60 | 420901 - Step Tread | Add To Cart | |
| 61 | 254448 - Speed Nut | Add To Cart | |
| 62 | 320239 - 18 inch High Lift Notch Blade | Call For Details | |
| - | 320236 - 18 inch Medium Lift Blade | Call For Details | |
| - | 320238 - 18 inch Contour Blade | Call For Details | |
| - | 320240 - 18 inch Hi-Low Mulch Blade | Call For Details | |
| 62 | 320317 - 18 inch Laser Edge High Lift Notch Blade | Call For Details | |
| - | 320321 - 18 inch Shredder Blade | Call For Details | |
| 63 | 722950 - 200V / 52 right Belt Shield | Add To Cart | |
| 64 | 722951 - 200V / 52 left Belt Shield | Add To Cart | |
| 65 | 253175 - Hex Whiz Bolt | Add To Cart | |
| 66 | 254431 - Speed Nut | Add To Cart | |
| 67 | 724588 - M1 / 3452 Auxiliary Front Shroud | Add To Cart | |
| 68 | 253176 - Truss Whiz Bolt | Add To Cart | |
| 69 | 644608 - M1 52 right Mulch Plate | Add To Cart | |
| 70 | 644609 - M1 52 left Mulch Plate | Add To Cart | |
| 71 | 644058 - 3452 / 61 / 72 Mulch Plate End Cap | Add To Cart |