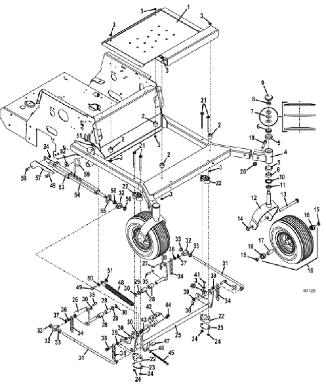
226V Deck Carrier Linkage Assembly - 2011
Click On a Part Number Below for Details
NOTE: If the part number you select is not linked to the shopping cart,call toll-free 866-698-4070 for availability.
| Item # | Part Number - Description | Price | |
|---|---|---|---|
| 1 | 643893 - 200V Footrest | Call For Details | |
| 2 | 424074 - Vibration Isolator | Add To Cart | |
| 3 | 253035 - Whiz Nut | Add To Cart | |
| 4 | 824978 - 200V Fork Housing | Call For Details | |
| 5 | 123522 - Bearing Cup | Add To Cart | |
| 6 | 122522 - Tapered Bearing | Add To Cart | |
| 7 | 257320 - Spring Washer | Add To Cart | |
| 8 | 254505 - Nylon-Top Jam Lock Nut | Add To Cart | |
| 9 | 481434 - Domed Dust Cap | Add To Cart | |
| 10 | 125855 - Seal | Add To Cart | |
| 11 | 282615 - Spacer | Add To Cart | |
| 12 | 645221 - Tail Wheel Fork Tapered Bearing | Add To Cart | |
| 13 | 247726 - Carriage Bolt | Add To Cart | |
| 14 | 253970 - Lock Nut | Add To Cart | |
| 15 | 902422 - Axle Spacer | Add To Cart | |
| 16 | 603975 - 13 x 6.5 x 6 Rear Wheel Assembly with Bearings | Add To Cart | |
| 17 | 902429 - Center Rear Axle Spacer | Add To Cart | |
| 18 | 120048 - DP Wheel Ball Bearing | Add To Cart | |
| 19 | 243600 - Hex Bolt | Add To Cart | |
| 20 | 253067 - Spiral Flange Lock Nut | Add To Cart | |
| 21 | 253215 - Flange Bolt | Add To Cart | |
| 22 | 423643 - M1 Bearing Block | Add To Cart | |
| 23 | 774064 - Lift Bearing Plate | Add To Cart | |
| 24 | 253890 - Lock Nut | Add To Cart | |
| 25 | 644871 - 200V Adjustable Lift Lever | Call For Details | |
| 26 | 644707 - M1 right Rear Deck Rocker | Add To Cart | |
| 27 | 644708 - M1 left Rear Deck Rocker | Add To Cart | |
| 28 | 121766 - Oilite Bearing | Add To Cart | |
| 29 | 257092 - 18 Ga Bushing Washer | Add To Cart | |
| 30 | 263529 - External Retainer | Add To Cart | |
| 31 | 321100 - Deck Carrier Rod | Call For Details | |
| 32 | 882035 - Spring Rod Shaft Mount | Add To Cart | |
| 33 | 254490 - Nut | Add To Cart | |
| 34 | 820320 - Lift Chain | Add To Cart | |
| 35 | 261405 - Clevis Pin | Add To Cart | |
| 36 | 257051 - Washer | Add To Cart | |
| 37 | 260612 - Cotter Ring | Add To Cart | |
| 38 | 243458 - GR 8 Hex Bolt | Add To Cart | |
| 39 | 253058 - Whiz Nut | Add To Cart | |
| 40 | 732586 - M1 Deck Adjustment Strap | Add To Cart | |
| 41 | 243205 - Hex Bolt | Add To Cart | |
| 42 | 644467 - M1 Carrier Adjustment Foot Pedal | Call For Details | |
| 43 | 253203 - Flange Whiz Bolt | Add To Cart | |
| 44 | 253043 - Whiz Nut | Add To Cart | |
| 45 | 243399 - Hex Bolt | Call For Details | |
| 46 | 902280 - Spacer | Add To Cart | |
| 47 | 881154 - Spring Shaft Mount | Add To Cart | |
| 48 | 604839 - Spring & Plug Nut Assembly | Add To Cart | |
| 49 | 243560 - Hex Bolt | Add To Cart | |
| 50 | 257063 - Washer | Add To Cart | |
| 51 | 253470 - Nylon Nut Insert | Add To Cart | |
| 52 | 821516 - Nylon Washer | Add To Cart | |
| 53 | 644305 - Latch Tube Guide | Add To Cart | |
| 54 | 644778 - M1 Height Adjustment Tube | Add To Cart | |
| 55 | 423696 - M1 Height Adjustment Spacer | Add To Cart | |
| 56 | 254493 - Nut | Add To Cart | |
| 57 | 775104 - Deck Latch | Add To Cart | |
| 58 | 243330 - Hex Bolt | Add To Cart | |
| 59 | 730434 - Deck Height Adjustment Pin | Add To Cart |