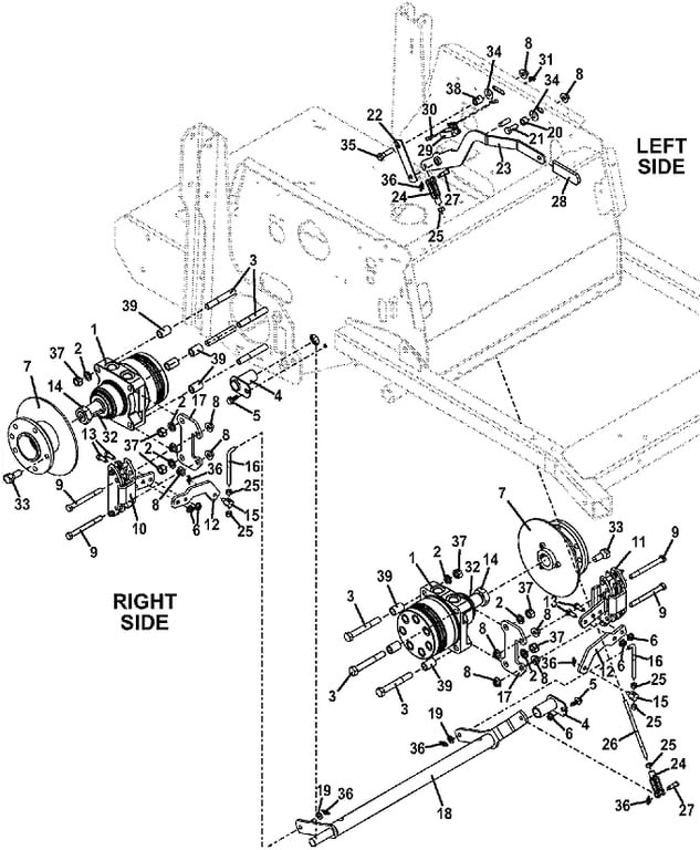
226V Wheel Motor & Brake Assembly - 2010
Click On a Part Number Below for Details
NOTE: If the part number you select is not linked to the shopping cart,call toll-free 866-698-4070 for availability.
| Item # | Part Number - Description | Price | |
|---|---|---|---|
| 1 | 603617 - Wheel Motor with Hub for 52 Inch Model (includes items 2 - 4) | Call For Details | |
| - | 603603 - Wheel Motor with Hub for 61 Inch Model (includes items 2 - 4) | Add To Cart | |
| 2 | 257432 - Lock Washer | Add To Cart | |
| 3 | 243622 - Square Head Bolt | Add To Cart | |
| 4 | 644077 - Bolt-In w/a Brake Tube | Add To Cart | |
| 5 | 253192 - Hex Flange Whiz Bolt | Add To Cart | |
| 6 | 253035 - Whiz Nut | Add To Cart | |
| 7 | 604440 - Bolt-On Wheel Hub Rotor | Add To Cart | |
| 8 | 253043 - Whiz Nut | Add To Cart | |
| 9 | 243385 - Hex Bolt | Add To Cart | |
| 10 | 481141 - M1 700/900 Clockwise Brake Caliper Assembly | Add To Cart | |
| - | 481160 - Brake Pad Kit | Add To Cart | |
| 11 | 481140 - M1 700/900 Counter Clockwise Brake Caliper Assembly | Add To Cart | |
| - | 481160 - Brake Pad Kit | Add To Cart | |
| 12 | 776136 - 200V Brake Caliper Arm | Call For Details | |
| 13 | 243195 - Hex Bolt | Add To Cart | |
| 14 | 254522 - Nut | Add To Cart | |
| 15 | 880926 - .312 Brake Linkage Pin | Add To Cart | |
| 16 | 730158 - M1 Brake Linkage Rod | Add To Cart | |
| 17 | 776123 - M1 930D2 / 932G2 Brake Mount | Add To Cart | |
| 18 | 643966 - 200V Brake Tube | Call For Details | |
| 19 | 257032 - Washer | Add To Cart | |
| 20 | 902280 - Spacer | Add To Cart | |
| 21 | 243330 - Hex Bolt | Add To Cart | |
| 22 | 774145 - M1 Pin Reinforcement | Add To Cart | |
| 23 | 644447 - Brake w/a Lever | Add To Cart | |
| 24 | 265537 - Clevis Yoke | Add To Cart | |
| 25 | 254441 - Nut | Add To Cart | |
| 26 | 780157 - Brake Linkage Rod | Add To Cart | |
| 27 | 261284 - Clevis Pin | Add To Cart | |
| 28 | 422150 - Handle Grip | Add To Cart | |
| 29 | 183894 - Brake Interlock Switch | Add To Cart | |
| 30 | 250258 - Machine Screw | Add To Cart | |
| 31 | 253020 - Whiz Nut | Add To Cart | |
| 32 | 281860 - Woodruff Key | Add To Cart | |
| 33 | 248565 - Lug Nut | Add To Cart | |
| 34 | 257040 - Washer | Add To Cart | |
| 35 | 243340 - Hex Bolt | Add To Cart | |
| 36 | 260606 - Cotter Ring | Add To Cart | |
| 37 | 254470 - Nut | Add To Cart | |
| 38 | 902283 - Spacer | Add To Cart | |
| 39 | 902299 - Wheel Motor Spacer | Call For Details | |
| - | 942184 - 200V Wheel Motor Spacer | Call For Details |