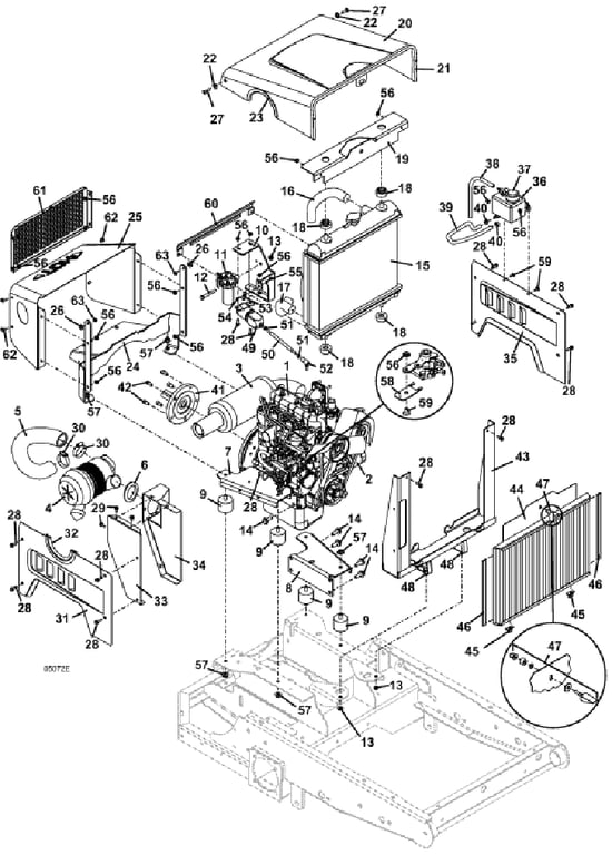
321D Engine Assembly - 2012
Click On a Part Number Below for Details
NOTE: If the part number you select is not linked to the shopping cart,call toll-free 866-698-4070 for availability.
| Item # | Part Number - Description | Price | |
|---|---|---|---|
| 1 | 100176 - Kubota Diesel Engine | Call For Details | |
| 2 | 100800 - Kubota Oil Filter | Add To Cart | |
| 3 | 603590 - Muffler & Gasket Assembly | Add To Cart | |
| - | 101040 - Kubota Flange Exhaust Gasket | Add To Cart | |
| 4 | 100208 - Air Cleaner | Add To Cart | |
| - | 100942 - Primary Air Filter - short | Call For Details | |
| - | 100943 - Inner Air Filter - short | Call For Details | |
| 5 | 424527 - 721D Air Intake Hose | Add To Cart | |
| 6 | 424297 - Grommet | Add To Cart | |
| 7 | 643322 - Engine Mount - wide right | Add To Cart | |
| 8 | 643323 - Engine Mount - wide left | Add To Cart | |
| 9 | 424078 - Vibration Isolator | Add To Cart | |
| 10 | 755121 - Solenoid/Filter Mount | Call For Details | |
| 11 | 101000 - Kubota Fuel Filter | Call For Details | |
| 12 | 253197 - Whiz Bolt | Add To Cart | |
| 13 | 253035 - Whiz Nut | Add To Cart | |
| 14 | 271121 - Hex Bolt FL | Add To Cart | |
| 15 | 101612 - Kubota Radiator | Call For Details | |
| 16 | 101058 - Upper Radiator Hose | Call For Details | |
| 17 | 101059 - Lower Radiator Hose | Call For Details | |
| 18 | 101080 - Radiator Isolator Bushing | Call For Details | |
| 19 | 729327 - Radiator Clamp Channel | Add To Cart | |
| 20 | 645315 - 721DT/321D W/A Engine Hood | Call For Details | |
| 21 | 822639 - Hood Trim - front | Add To Cart | |
| 22 | 422508 - Step Bushing | Add To Cart | |
| 23 | 822630 - Seat Edge Trim | Add To Cart | |
| 24 | 644847 - 321D Hood Support | Call For Details | |
| 25 | 722932 - 721DT Hood Box Panel | Add To Cart | |
| 26 | 901324 - Hood Hinge Spacer | Add To Cart | |
| 27 | 253181 - Bolt | Add To Cart | |
| 28 | 253175 - Hex Whiz Bolt | Add To Cart | |
| 29 | 253173 - Hex Whiz Bolt | Add To Cart | |
| 30 | 280303 - Screw-type Hose Clamp | Add To Cart | |
| 31 | 722928 - 721D Right Hood Side | Call For Details | |
| 32 | 822503 - Air Cleaner Trim Seal | Call For Details | |
| 33 | 644067 - Intake Box Mount | Call For Details | |
| 34 | 644071 - Intake Box Cover | Call For Details | |
| 35 | 762520 - 321D/721D Lt Hood Side | Call For Details | |
| - | 645312 - 721DT Lt Hood Side | Call For Details | |
| 36 | 421980 - Water Expansion Tank | Add To Cart | |
| - | 422012 - Expansion Tank | Add To Cart | |
| 37 | 421990 - Reservoir Cap w/Gasket | Add To Cart | |
| 38 | 821748 - Clear Vent Hose | Add To Cart | |
| 39 | 821749 - Hose | Add To Cart | |
| 40 | 280260 - Spring Hose Clamp | Add To Cart | |
| 41 | 824637 - Clutch Stub Shaft | Add To Cart | |
| 42 | 270075 - M8 Socket Head Screw | Add To Cart | |
| 43 | 644672 - Radiator Mount | Call For Details | |
| 44 | 644668 - Radiator Grille (with Guard) | Add To Cart | |
| 45 | 422090 - Rear Belt Shield Isolator | Add To Cart | |
| 46 | 822636 - Radiator Grille Trim | Add To Cart | |
| 47 | 604805 - Swell Latch Assembly | Add To Cart | |
| 48 | 253192 - Hex Whiz Flange Bolt | Add To Cart | |
| 49 | 603350 - Fuel Solenoid Assembly | Add To Cart | |
| 50 | 603209 - Fuel Solenoid Cable Assembly | Add To Cart | |
| 51 | 254434 - Nut | Add To Cart | |
| 52 | 265610 - Ball Joint | Add To Cart | |
| 53 | 180635 - Conduit Clip | Call For Details | |
| 54 | 250258 - Machine Screw | Add To Cart | |
| 55 | 253020 - Whiz Nut | Add To Cart | |
| 56 | 253025 - Whiz Nut | Add To Cart | |
| 57 | 253043 - Whiz Nut | Add To Cart | |
| 58 | 723063 - Throttle Linkage Extension | Add To Cart | |
| 59 | 253176 - Whiz Truss Bolt | Add To Cart | |
| 60 | 721006 - Fan Shield | Add To Cart | |
| 61 | 721294 - Bolt In Grille Panel | Add To Cart | |
| 62 | 253180 - Bolt | Add To Cart | |
| 63 | 253440 - Nylon Insert Nut | Add To Cart |