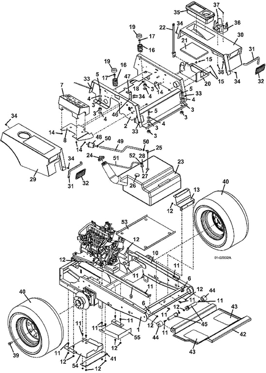
321D Tractor Assembly - 2008
Click On a Part Number Below for Details
NOTE: If the part number you select is not linked to the shopping cart,call toll-free 866-698-4070 for availability.
| Item # | Part Number - Description | Price | |
|---|---|---|---|
| 1 | 644282 - 300M1 Front Port Lower Frame - | Call For Details | |
| 2 | 644248 - M1 300/400 Upper Frame | Call For Details | |
| 3 | 257037 - Step Bushing | Add To Cart | |
| 4 | 774020 - Washer | Add To Cart | |
| 5 | 243220 - Hex Bolt .312-18 x 1.750 | Add To Cart | |
| 6 | 253450 - Nylon Insert Nut .312-18 | Add To Cart | |
| 7 | 644139 - Console 300S M1 | Call For Details | |
| 8 | 644141 - Console Mount - 300 Console | Call For Details | |
| 9 | 754068 - Tank Rail - right 300S | Call For Details | |
| 10 | 754069 - Tank Rail - left 300S | Call For Details | |
| 11 | 253192 - Hex Flange Whiz Bolt .312-18 x .75 | Add To Cart | |
| 12 | 253035 - Whiz Nut | Add To Cart | |
| 13 | 723091 - Tank Bracket | Call For Details | |
| 14 | 253025 - Whiz Nut .250-20 | Add To Cart | |
| 15 | 253176 - Truss Whiz Bolt .250-.20 x .500 | Add To Cart | |
| 16 | 283516 - Compression Spring | Add To Cart | |
| 17 | 253203 - Whiz Flange Bolt .375-16 x 1 | Add To Cart | |
| 18 | 253043 - Whiz Nut .375-16 | Add To Cart | |
| 19 | 422127 - Seat Spring Cap | Add To Cart | |
| 20 | 644108 - Battery Box with Strap | Add To Cart | |
| 21 | 427275 - Battery Tray Pad | Add To Cart | |
| 22 | 604785 - Battery Hold-down Strap | Add To Cart | |
| 23 | 604801 - M1 Diesel Tank Assembly | Add To Cart | |
| 24 | 100211 - Screw-on Diesel Fuel Tank Cap | Add To Cart | |
| 25 | 363922 - Fuel Tube | Add To Cart | |
| 26 | 141140 - In-Tank Fuel Gauge | Add To Cart | |
| - | 424275 - Grommet - Fuel Gauge Mount | Add To Cart | |
| 27 | 101875 - Fuel Tube Bushing | Add To Cart | |
| 28 | 363920 - Fuel Tube | Add To Cart | |
| 29 | 644265 - M1 Fender - right | Add To Cart | |
| - | 163414 - Trim Decal - right | Call For Details | |
| 30 | 644266 - M1 Kubota Fender - left | Add To Cart | |
| - | 163415 - Trim Decal - left | Add To Cart | |
| 31 | 822632 - Fender Edge Trim | Add To Cart | |
| 32 | 422079 - Plug for Worklamp Hole | Add To Cart | |
| 33 | 254431 - Speed Nut | Add To Cart | |
| 34 | 253173 - Hex Whiz Bolt | Add To Cart | |
| 35 | 422040 - Tool Box | Add To Cart | |
| 36 | 150225 - Cup Holder | Add To Cart | |
| 37 | 259030 - Cap Screw | Add To Cart | |
| 38 | 254436 - Nut | Add To Cart | |
| 39 | 248565 - Lug Bolt .500 x .875 | Add To Cart | |
| 40 | 483960 - Wheel & Tire 23 x 10.5 x 12 | Add To Cart | |
| - | 483445 - Wheel Only 12 x 8.5 x 5.750 (for 52 Inch Decks) | Add To Cart | |
| - | 482485 - Turf Tire 23 x 10.5 x 12 | Add To Cart | |
| 41 | 783277 - Belt Guard Strap | Add To Cart | |
| 42 | 644269 - LC M1-52/61 Footrest | Call For Details | |
| 43 | 420905 - Foot Rest Tread | Add To Cart | |
| 44 | 424095 - Seat Isolator | Add To Cart | |
| 45 | 644618 - Seat Hinge Pin | Add To Cart | |
| 46 | 603858 - Throttle Assembly - 321D | Add To Cart | |
| - | 323656 - Throttle Control Cable | Add To Cart | |
| - | 722009 - Throttle Lever Stop | Add To Cart | |
| 47 | 422150 - Handle Grip | Add To Cart | |
| 48 | 101005 - Kubota Fuel Prefilter | Call For Details | |
| 49 | 821717 - Fuel Line Hose 300S | Add To Cart | |
| 50 | 280261 - Spring Hose Clamp | Add To Cart | |
| 51 | 821741 - 300S Fuel Line Hose | Add To Cart | |
| 52 | 280257 - Spring Hose Clamp | Add To Cart | |
| 53 | 722495 - M1 Tank Shield | Call For Details | |
| 54 | 723050 - 300 Hydro Debris Shield - right | Add To Cart | |
| 55 | 723051 - 300 Hydro Debris Shield - right | Call For Details | |
| 56 | 605299 - Decal Set - 321D | Call For Details |