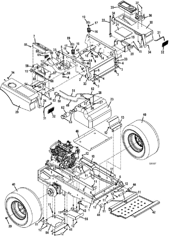
321D Tractor Assembly - 2013
Click On a Part Number Below for Details
NOTE: If the part number you select is not linked to the shopping cart,call toll-free 866-698-4070 for availability.
| Item # | Part Number - Description | Price | |
|---|---|---|---|
| 1 | 644282 - 300M1 Front Port Lower Frame - | Call For Details | |
| 2 | 644434 - 300/400 Upper Frame | Call For Details | |
| 3 | 257037 - Step Bushing | Add To Cart | |
| 4 | 774020 - Washer | Add To Cart | |
| 5 | 243220 - Hex Bolt .312-18 x 1.750 | Add To Cart | |
| 6 | 253450 - Nylon Insert Nut .312-18 | Add To Cart | |
| 7 | 693112 - Console w/Decal | Call For Details | |
| 8 | 645052 - Console Mount | Call For Details | |
| 9 | 645802 - Tank Rail - Right 300/400 | Call For Details | |
| 10 | 645803 - Tank Rail - Left 300/400 | Call For Details | |
| 11 | 253192 - Hex Flange Whiz Bolt .312-18 x .75 | Add To Cart | |
| 12 | 253035 - Whiz Nut | Add To Cart | |
| 13 | 723042 - 300/400 Front Tank Bracket | Call For Details | |
| 14 | 253025 - Whiz Nut .250-20 | Add To Cart | |
| 15 | 253176 - Truss Whiz Bolt .250-.20 x .500 | Add To Cart | |
| 16 | 283516 - Compression Spring | Add To Cart | |
| 17 | 253203 - Whiz Flange Bolt .375-16 x 1 | Add To Cart | |
| 18 | 253043 - Whiz Nut .375-16 | Add To Cart | |
| 19 | 422127 - Seat Spring Cap | Add To Cart | |
| 20 | 644108 - Battery Box with Strap | Add To Cart | |
| 21 | 427275 - Battery Tray Pad | Add To Cart | |
| 22 | 604785 - Battery Hold-down Strap | Add To Cart | |
| 23 | 605800 - M1 Diesel .312 Tank Assembly | Add To Cart | |
| 24 | 141142 - Intank Fuel Gauge | Add To Cart | |
| - | 424275 - Grommet - Fuel Gauge Mount | Add To Cart | |
| 25 | 363929 - Fuel Tube | Add To Cart | |
| 26 | 101875 - Fuel Tube Bushing | Add To Cart | |
| 27 | 101876 - Diesel Draw Tube Bushing | Add To Cart | |
| 28 | 363923 - Fuel Tube | Add To Cart | |
| 29 | 693224 - 300 Rt Fender w/Decals | Add To Cart | |
| 30 | 693225 - 300 Lt Fender w/Decals | Add To Cart | |
| 31 | 822632 - Fender Edge Trim | Add To Cart | |
| 32 | 422079 - Plug for Worklamp Hole | Add To Cart | |
| 33 | 254431 - Speed Nut | Add To Cart | |
| 34 | 253175 - Hex Whiz Bolt | Add To Cart | |
| 35 | 422040 - Tool Box | Add To Cart | |
| 36 | 150225 - Cup Holder | Add To Cart | |
| 37 | 259030 - Cap Screw | Add To Cart | |
| 38 | 254436 - Nut | Add To Cart | |
| 39 | 248565 - Lug Bolt .500 x .875 | Add To Cart | |
| 40 | 483950 - Wheel & Tire Turf | Call For Details | |
| - | 482485 - Turf Tire 23 x 10.5 x 12 | Add To Cart | |
| - | 482488 - Turf Tire 23 x 9.5 x 12 | Add To Cart | |
| - | 483435 - Wheel | Add To Cart | |
| - | 483445 - Wheel Only 12 x 8.5 x 5.750 (for 52 Inch Decks) | Add To Cart | |
| - | 483955 - Wheel & Tire Turf | Add To Cart | |
| - | 483960 - Wheel & Tire Turf | Add To Cart | |
| 41 | 783277 - Belt Guard Strap | Add To Cart | |
| 42 | 644256 - M1 Footrest on Frame | Call For Details | |
| 43 | 645005 - M1 Deck Belt - Belt Guide | Add To Cart | |
| 44 | 424095 - Seat Isolator | Add To Cart | |
| 45 | 644618 - Seat Hinge Pin | Add To Cart | |
| 46 | 603858 - Throttle Assembly - 321D | Add To Cart | |
| - | 323656 - Throttle Control Cable | Add To Cart | |
| - | 722009 - Throttle Lever Stop | Add To Cart | |
| - | 722736 - Heavy Duty Throttle Stop | Add To Cart | |
| 47 | 422150 - Handle Grip | Add To Cart | |
| 48 | 722949 - M1 Fuel Tank Shield | Call For Details | |
| 49 | 821718 - Fuel Line Hose 428D | Add To Cart | |
| 50 | 280261 - Spring Hose Clamp | Add To Cart | |
| 51 | 821744 - 430D Fuel Return Hose | Add To Cart | |
| 52 | 280257 - Spring Hose Clamp | Add To Cart | |
| 53 | 101005 - Prefilter Kubota Fuel Filter | Call For Details | |
| 54 | 723050 - 300 Hydro Debris Shield - right | Add To Cart | |
| 55 | 723051 - 300 Hydro Debris Shield - right | Call For Details | |
| 56 | 257038 - Step Bushing | Add To Cart | |
| 57 | 751036 - Console Frame | Call For Details | |
| 58 | 254432 - Plastic Retainer Nut | Add To Cart | |
| 59 | 253180 - Bolt | Add To Cart | |
| 60 | 644887 - 300/400 Fuel Filler | Add To Cart | |
| 61 | 100211 - Screw-On Diesel Fuel Cap | Add To Cart | |
| 62 | 422027 - Fuel Tank Filler Hose | Add To Cart | |
| 63 | 280305 - Screw Type Hose Clamp | Add To Cart | |
| 64 | 253173 - Hex Whiz Bolt | Add To Cart | |
| 65 | 773103 - Relay Mount | Call For Details | |
| 66 | 424216 - Grommet | Add To Cart | |
| 67 | 604265 - 321D Decal Set | Call For Details |