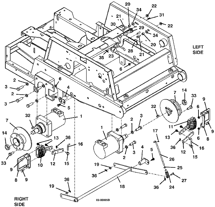
321D Wheel Motor & Brake Assembly - 2002
Click On a Part Number Below for Details
NOTE: If the part number you select is not linked to the shopping cart,call toll-free 866-698-4070 for availability.
| Item # | Part Number - Description | Price | |
|---|---|---|---|
| 1 | 603595 - Wheel Motor with Hub | Add To Cart | |
| 2 | 257442 - Lock Washer | Add To Cart | |
| 3 | 243770 - Hex Bolt .562-18 x 1.75 GR 5 | Call For Details | |
| 4 | 644077 - Bolt-In Brake Tube | Add To Cart | |
| 5 | 253192 - Hex Flange Whiz Bolt .312-18 x .75 | Add To Cart | |
| 6 | 253035 - Whiz Nut | Add To Cart | |
| 7 | 604440 - Bolt-On Rotor Wheel Hub | Add To Cart | |
| - | 775192 - 8.0 Brake Rotor | Add To Cart | |
| - | 259592 - Socket Head Screw | Add To Cart | |
| 8 | 644121 - Caliper Mount M1/G2 | Add To Cart | |
| 9 | 247130 - Carriage Bolt .312 x .75 | Add To Cart | |
| 10 | 481101 - Caliper Brake Assembly - right | Add To Cart | |
| - | 603150 - Brake Pad Kit | Add To Cart | |
| 11 | 481100 - Caliper Brake Assembly - left | Add To Cart | |
| - | 603150 - Brake Pad Kit | Add To Cart | |
| 12 | 782874 - Brake Linkage for 7.75 Rotor | Add To Cart | |
| 13 | 253189 - Whiz Bolt .312-18 x .500 | Add To Cart | |
| 14 | 254522 - 1-20 Nut | Add To Cart | |
| 15 | 880924 - Brake Linkage Pin | Add To Cart | |
| 16 | 730155 - 928 Brake Linkage Rod | Add To Cart | |
| 17 | 260624 - Cotter Pin | Add To Cart | |
| 18 | 644173 - Brake Tube - 300 | Call For Details | |
| 19 | 257020 - Washer | Add To Cart | |
| 20 | 902280 - Spacer | Add To Cart | |
| 21 | 243330 - Hex Bolt .375-16 x 1 | Add To Cart | |
| 22 | 253043 - Whiz Nut .375-16 | Add To Cart | |
| 23 | 754055 - Brake Lever - M1 | Call For Details | |
| 24 | 265537 - Clevis Yoke | Add To Cart | |
| 25 | 254441 - Nut | Add To Cart | |
| 26 | 730358 - Brake Rod - M1 | Call For Details | |
| 27 | 261284 - Clevis Pin .312 x 1 | Add To Cart | |
| 28 | 422150 - Handle Grip | Add To Cart | |
| 29 | 183894 - Brake Interlock Switch | Add To Cart | |
| 30 | 250258 - Machine Screw | Add To Cart | |
| 31 | 253020 - Whiz Nut 10-24 | Add To Cart | |
| 32 | 281860 - Woodruff Key .312 x 1 | Add To Cart | |
| 33 | 248565 - Lug Bolt .500 x .875 | Add To Cart | |
| 34 | 257040 - Washer | Add To Cart | |
| 35 | 260608 - Cotter Ring | Add To Cart | |
| 36 | 260606 - Cotter Ring | Add To Cart |