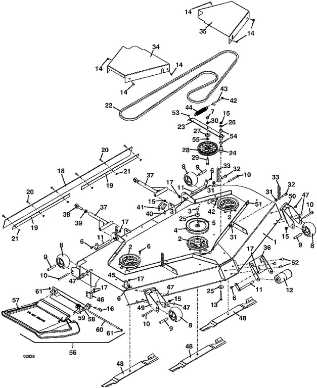
322d Deck Assembly - M172 - 2004
Click On a Part Number Below for Details
NOTE: If the part number you select is not linked to the shopping cart,call toll-free 866-698-4070 for availability.
| Item # | Part Number - Description | Price | |
|---|---|---|---|
| 1 | 644161 - M172/07 Deck Weldment | Add To Cart | |
| 2 | 414745 - Sheave | Add To Cart | |
| 3 | 243331 - Hex Bolt | Add To Cart | |
| 4 | 831536 - Sheave | Add To Cart | |
| 5 | 281582 - Square Key | Add To Cart | |
| 6 | 253192 - Hex Flange Whiz Bolt | Add To Cart | |
| 7 | 254470 - Nut | Add To Cart | |
| 8 | 484230 - Anti-Scalp Center Hub Wheel | Add To Cart | |
| 9 | 942137 - Bearing Tube | Add To Cart | |
| 10 | 247310 - Carriage Bolt | Add To Cart | |
| 11 | 644512 - Roller Lock Pin | Add To Cart | |
| 12 | 603725 - 2 Piece Center Roller Assembly | Add To Cart | |
| 13 | 243365 - Hex Bolt | Add To Cart | |
| 14 | 253175 - Hex Whiz Bolt | Add To Cart | |
| 15 | 253043 - Whiz Nut | Add To Cart | |
| 16 | 260400 - Hitch Pin | Add To Cart | |
| 17 | 253035 - Whiz Nut | Add To Cart | |
| 18 | 424206 - M1 72 Deck Flap | Add To Cart | |
| 19 | 774337 - Deflector Strap | Add To Cart | |
| 20 | 253177 - Truss Whiz Bolt | Add To Cart | |
| 21 | 253025 - Whiz Nut | Add To Cart | |
| 22 | 382098 - Belt | Add To Cart | |
| 23 | 824494 - M1 72 Idler Arm Assembly | Add To Cart | |
| 24 | 121650 - Pedestal Bearing | Add To Cart | |
| 25 | 257041 - Cupped Washer | Add To Cart | |
| 26 | 257040 - Washer | Add To Cart | |
| 27 | 883804 - Retainer Washer | Add To Cart | |
| 28 | 393250 - Idler | Add To Cart | |
| 29 | 243580 - Hex Bolt | Add To Cart | |
| 30 | 257432 - Lock Washer | Add To Cart | |
| 31 | 253058 - Whiz Nut | Add To Cart | |
| 32 | 243458 - GR 8 Hex Bolt | Add To Cart | |
| 33 | 820331 - M1 5 Links Chain | Add To Cart | |
| 34 | 723330 - M1 72 right Belt Shield | Add To Cart | |
| 35 | 723331 - M1 72 left Belt Shield | Add To Cart | |
| 36 | 755071 - Roller Mount | Add To Cart | |
| 37 | 604676 - M1 300 Radius Arm Assembly | Add To Cart | |
| 38 | 265665 - Rod End | Add To Cart | |
| 39 | 254493 - Nut | Add To Cart | |
| 40 | 253203 - Flange Whiz Bolt | Add To Cart | |
| 41 | 644086 - M1 Deck Belt Guide | Add To Cart | |
| 42 | 254450 - Nut | Add To Cart | |
| 43 | 730391 - Idler Adjustment J Bolt | Add To Cart | |
| 44 | 283848 - Extension Spring | Add To Cart | |
| 45 | 643235 - Clevis Shaft | Add To Cart | |
| 46 | 643632 - Vac Mount Pivot Mount | Add To Cart | |
| 47 | 247130 - Carriage Bolt | Add To Cart | |
| 48 | 320250 - 25 inch Medium Lift Blade | Call For Details | |
| - | 320252 - 25 inch Contour Blade | Call For Details | |
| - | 320253 - 25 inch High Lift Notch Blade | Call For Details | |
| - | 320254 - 25 inch Extreme Hi-Lift Blade | Call For Details | |
| 49 | 643842 - right Anti-Scalp Roller Mount | Add To Cart | |
| 50 | 643695 - left Anti-Scalp Roller Mount | Add To Cart | |
| 51 | 254431 - Speed Nut | Add To Cart | |
| 52 | 247253 - Carriage Bolt | Add To Cart | |
| 53 | 422520 - Nylon Bearing | Add To Cart | |
| 54 | 121756 - Oilite Bearing | Add To Cart | |
| 55 | 257062 - Washer | Add To Cart | |
| 56 | 604749 - Discharge Flex Shield Assembly | Add To Cart | |
| 57 | 422042 - Discharge Flex Shield | Add To Cart | |
| 58 | 644767 - Discharge Flex Shield Mount | Add To Cart | |
| 59 | 284406 - Torsion Spring | Add To Cart | |
| 60 | 780650 - Discharge Flex Shield Pin | Add To Cart | |
| 63 | 260608 - Cotter Ring | Add To Cart |