325 Blade Spindle Assembly - M172 - 2003
Click On a Part Number Below for Details
NOTE: If the part number you select is not linked to the shopping cart,call toll-free 866-698-4070 for availability.
| Item # | Part Number - Description | Price | |
|---|---|---|---|
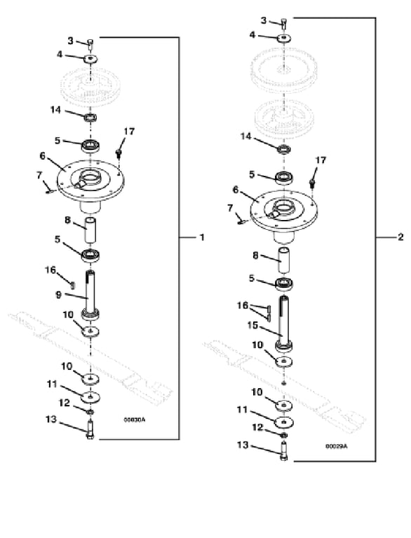
| 1 | 623786 - Spindle Assembly, Left & Right (includes items 3-14) | Add To Cart | |
| 2 | 623787 - Spindle Assembly, Center (includes items 3-8 and 10-15) | Add To Cart | |
| 3 | 243331 - Hex Bolt .375-24 x 1 | Add To Cart | |
| 4 | 257041 - Cupped Washer | Add To Cart | |
| 5 | 110082 - Single Seal Ball Bearing | Add To Cart | |
| 6 | 824150 - Machined Deep Spindle Housing | Add To Cart | |
| 7 | 280745 - Zerk Grease Fitting | Add To Cart | |
| 8 | 903643 - Deep Spindle Bearing Spacer | Add To Cart | |
| 9 | 604774 - 98S Spindle Shaft Assembly | Add To Cart | |
| 10 | 421200 - Fiber Washer | Add To Cart | |
| 11 | 257061 - Washer | Add To Cart | |
| 12 | 257432 - Lock Washer | Add To Cart | |
| 13 | 243581 - Hex Bolt | Add To Cart | |
| 14 | 282615 - Spacer | Add To Cart | |
| 15 | 604773 - M1 Spindle Shaft Assembly | Add To Cart | |
| 16 | 281582 - Square Key | Add To Cart | |
| 17 | 253192 - Hex Flange Whiz Bolt | Add To Cart |