325 Electrical Wiring - 2003
Click On a Part Number Below for Details
NOTE: If the part number you select is not linked to the shopping cart,call toll-free 866-698-4070 for availability.
| Item # | Part Number - Description | Price | |
|---|---|---|---|
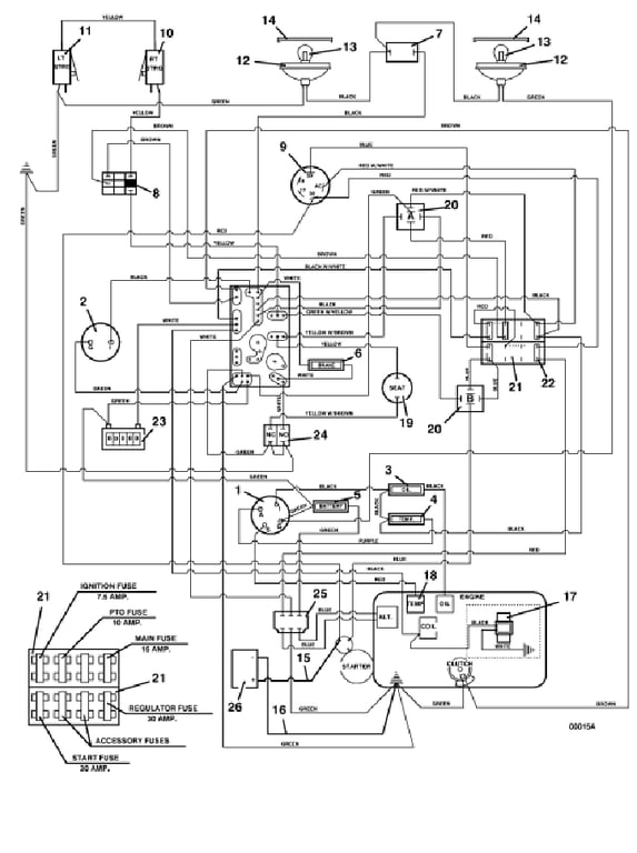
| 1 | 141160 - Electric Zoned Temperature Gauge | Add To Cart | |
| 2 | 141200 - Voltmeter Gauge | Add To Cart | |
| 3 | 182327 - Oil Indicator Light | Add To Cart | |
| 4 | 182328 - Temperature Indicator Light | Add To Cart | |
| 5 | 182325 - Battery Indicator Light | Add To Cart | |
| 6 | 182326 - Brake Indicator Light | Add To Cart | |
| 7 | 184179 - Light Switch | Add To Cart | |
| 8 | 183925 - Push / Pull Switch | Add To Cart | |
| 9 | 183827 - Kubota Sealed Key Switch | Add To Cart | |
| - | 101106 - Kubota Double Notch Key Ignition | Add To Cart | |
| 10 | 183860 - Lever Switch - right | Add To Cart | |
| - | 720160 - Right Steering Switch Mount | Add To Cart | |
| 11 | 183860 - Lever Switch - left | Add To Cart | |
| - | 720161 - Left Steering Switch Mount | Add To Cart | |
| 12 | 182253 - Worklamp (Flood) | Add To Cart | |
| 13 | 182005 - Light Bulb for Worklamp | Add To Cart | |
| 14 | 182251 - Snap-Mount Bezel for Worklamp | Add To Cart | |
| 15 | 180340 - Red 42' Battery Cable - 6 gauge | Add To Cart | |
| - | 425219 - Starter Terminal Boot | Add To Cart | |
| 16 | 180295 - Black 39' Battery Cable - 6 gauge | Add To Cart | |
| 17 | 101510 - Electric Fuel Pump | Call For Details | |
| 18 | 141222 - Temperature Sender | Add To Cart | |
| 19 | 183870 - Seat Safety Switch | Add To Cart | |
| 20 | 184272 - Relay - 12 volt DC | Add To Cart | |
| - | 184570 - 6mm Type 1 Push-On | Add To Cart | |
| - | 184581 - .250 Faston Terminal | Add To Cart | |
| - | 184926 - 5-Way Female Connector | Add To Cart | |
| 21 | 181722 - Fuse Block | Add To Cart | |
| - | 184458 - 1 Wire Fuse Clip | Add To Cart | |
| - | 184460 - 2 Wire Fuse Clip | Add To Cart | |
| - | 184472 - Double Clip Fuse Clip | Add To Cart | |
| 22 | 181470 - Auto ATC 30 Amp Fuse | Add To Cart | |
| - | 181460 - Auto ATC 7.5 Amp Fuse | Add To Cart | |
| - | 181462 - Auto ATC 10 Amp Fuse | Add To Cart | |
| - | 181465 - Auto ATC 15 Amp Fuse | Add To Cart | |
| 23 | 141551 - Snap-in Hour Meter | Add To Cart | |
| 24 | 183894 - Brake Interlock Switch | Add To Cart | |
| 25 | 185530 - Voltage Regulator - 12 volt | Add To Cart | |
| 26 | 180130 - 12 volt Side Post Wet Battery | Call For Details | |
| - | 180131 - Battery 12V Sidepost Dry | Call For Details | |
| - | 243309 - Hex Bolt | Add To Cart | |
| - | 603104 - Battery Box Assembly with Strap | Add To Cart | |
| - | 604785 - Battery Hold Down Strap | Add To Cart | |
| 27 | 605925 - 325 Wiring Assembly | Call For Details | |
| 28 | 161143 - M1 329/432 Console Decal | Add To Cart |