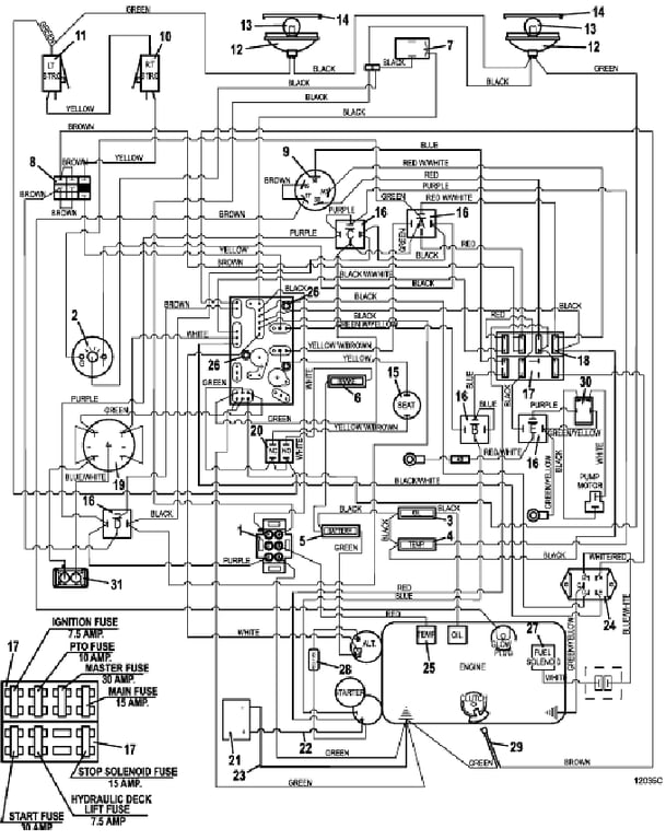
325D Electrical Wiring - 2016
Click On a Part Number Below for Details
NOTE: If the part number you select is not linked to the shopping cart,call toll-free 866-698-4070 for availability.
| Item # | Part Number - Description | Price | |
|---|---|---|---|
| 1 | 141165 - Temerature Zoned Electric Guage | Add To Cart | |
| 2 | 141203 - Voltmeter Guage | Add To Cart | |
| 3 | 182327 - Oil Light Indicator | Add To Cart | |
| 4 | 182328 - Temperature Indicator Light | Add To Cart | |
| 5 | 182325 - Batter Indicator Light | Add To Cart | |
| 6 | 182326 - Brake Indicator Light | Add To Cart | |
| 7 | 184179 - Rocker Switch | Add To Cart | |
| 8 | 183925 - Push/Pull Switch | Add To Cart | |
| 9 | 183827 - Sealed Kubota Key Switch | Add To Cart | |
| - | 101106 - Double Notch Kubota Ignition Key | Add To Cart | |
| 10 | 183860 - Lever Switch | Add To Cart | |
| - | 720160 - Right Steering Switch Mount | Add To Cart | |
| 11 | 183860 - Lever Switch | Add To Cart | |
| - | 720161 - Right Steering Switch Mount | Add To Cart | |
| 12 | 182253 - Flood Worklamp | Add To Cart | |
| 13 | 182005 - Worklamp Light Bulb | Add To Cart | |
| 14 | 182251 - Snap-in Worklamp Light Bezel | Add To Cart | |
| 15 | 183871 - Twist in Seat Switch | Add To Cart | |
| 16 | 184266 - 12 VDC Relay With Diode | Add To Cart | |
| 17 | 181722 - Fuse Block | Add To Cart | |
| - | 184458 - 1 Wire Fuse Clip | Add To Cart | |
| - | 184460 - 2 Wire Fuse Clip | Add To Cart | |
| - | 184472 - Double Clip Fuse Clip | Add To Cart | |
| 18 | 181470 - 30 Amp Fuse | Add To Cart | |
| - | 181460 - 7.50 Amp Fuse | Add To Cart | |
| - | 181462 - 10 Amp Fuse | Add To Cart | |
| - | 181465 - 15 Amp Fuse | Add To Cart | |
| 19 | 141551 - Snap In Hour Meter | Add To Cart | |
| - | 141122 - Console Mount Fuel Level Guage | Add To Cart | |
| 20 | 183894 - Brake Interlock Switch | Add To Cart | |
| 21 | 180130 - 12V Wet Sidepost Battery | Call For Details | |
| - | 180131 - 12v Dry Sidepost Battery | Call For Details | |
| - | 243309 - Hex Bolt | Add To Cart | |
| 22 | 180340 - 42' Red Battery Cable | Add To Cart | |
| - | 425215 - Red Alternator Terminal Boot | Add To Cart | |
| - | 425219 - Starter Terminal Boot | Add To Cart | |
| - | 425223 - Battery Terminal Boot | Add To Cart | |
| 23 | 180295 - 39' Black Battery Cable | Add To Cart | |
| 24 | 184217 - Switch Interlock Module D902 | Add To Cart | |
| 25 | 141224 - Temperature Sender | Add To Cart | |
| 26 | 423690 - PC Board Support Spacer | Add To Cart | |
| 27 | 101046 - Fuel Valve Solenoid | Add To Cart | |
| 28 | 604888 - Inline Regulator Fuse Holder | Add To Cart | |
| - | 181475 - 40 Amp Fuse | Add To Cart | |
| 29 | 604431 - Pigtail Cable Assembly | Add To Cart | |
| 30 | 184084 - Toggle | Add To Cart | |
| 31 | 184907 - 2 Terminal Connector | Add To Cart | |
| - | 141235 - Fuel Sender | Add To Cart | |
| 32 | 606854 - Wiring Assembly 325D | Call For Details |