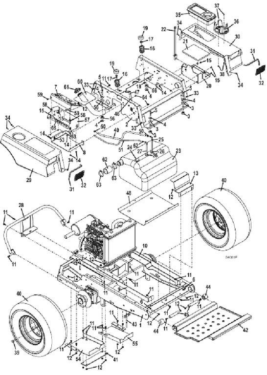
325D Tractor Assembly - Serial #6614450 & Above - 2016
Click On a Part Number Below for Details
NOTE: If the part number you select is not linked to the shopping cart,call toll-free 866-698-4070 for availability.
| Item # | Part Number - Description | Price | |
|---|---|---|---|
| 1 | 644296 - Lower Frame 322D | Call For Details | |
| 2 | 644434 - Upper Frame - 300/400 | Call For Details | |
| 3 | 257037 - Step Bushing | Add To Cart | |
| 4 | 774020 - Washer | Add To Cart | |
| 5 | 243220 - Hex Bolt | Add To Cart | |
| 6 | 253450 - Nylon Insert Nut | Add To Cart | |
| 7 | 693120 - Console with Decal | Call For Details | |
| 8 | 645052 - Console Mount M1 | Call For Details | |
| 9 | 645802 - Right Tank Rail 300/400 | Call For Details | |
| 10 | 645803 - Left Tank Rail 300/400 | Call For Details | |
| 11 | 253192 - Hex Flange Whiz Bolt | Add To Cart | |
| 12 | 253035 - Whiz Nut | Add To Cart | |
| 13 | 723042 - Front Tank Bracket 300/400 | Call For Details | |
| 14 | 253025 - Whiz Nut | Add To Cart | |
| 15 | 253176 - Truss Whiz Bolt | Add To Cart | |
| 16 | 283516 - Compression Spring | Add To Cart | |
| 17 | 253203 - Whiz Flange Bolt | Add To Cart | |
| 18 | 253043 - Whiz Nut .375-16 | Add To Cart | |
| 19 | 422127 - Seat Spring Cap | Add To Cart | |
| 20 | 644108 - Battery Box with Strap | Add To Cart | |
| 21 | 427275 - Battery Tray Pad | Add To Cart | |
| 22 | 604785 - Battery Hold-down Strap | Add To Cart | |
| 23 | 605800 - Diesel Tank Assembly M1 | Add To Cart | |
| 24 | 141142 - In-tank Fuel Guage | Add To Cart | |
| - | 424275 - Grommet | Add To Cart | |
| 25 | 363929 - Fuel Tube | Add To Cart | |
| 26 | 101875 - Fuel Tube Bushing | Add To Cart | |
| 27 | 363923 - Fuel Tube | Add To Cart | |
| 28 | 645572 - Bumper | Add To Cart | |
| 29 | 693224 - Right Fender With Decals 300 | Add To Cart | |
| 30 | 693225 - Left Fender With Decals 300 | Add To Cart | |
| 31 | 822632 - Trim | Add To Cart | |
| 32 | 422079 - Work Lamp Hole Plug | Add To Cart | |
| 33 | 254431 - Speed Nut | Add To Cart | |
| 34 | 253175 - Hex Whiz Bolt | Add To Cart | |
| 35 | 422040 - Tool Box | Add To Cart | |
| 36 | 150225 - Cup Holder | Add To Cart | |
| 37 | 259030 - Cap Screw | Add To Cart | |
| 38 | 254436 - Nut | Add To Cart | |
| 39 | 248565 - Lug Bolt | Add To Cart | |
| 40 | 483965 - Wheel and Tire Assembly Turf 24 x 12 x 12(For 61' and 72 Inch Deck) | Add To Cart | |
| - | 482485 - Turf Tire 23 x 10.5 x 12(For 52 Inch Deck) | Add To Cart | |
| - | 482486 - Turf Tire 24 x 12 x 12(For 61' and 72 Inch Deck) | Add To Cart | |
| - | 482487 - Bar Tread Tire Only 24 x 12 x 12 | Add To Cart | |
| - | 483440 - Wheel Only 12 x 8.5 x 4.25 (For 61' and 72 Inch Deck) | Add To Cart | |
| - | 483445 - Wheel Only 12 x 8.5 x 4.25 (For 52 Inch Deck) | Add To Cart | |
| - | 483960 - Wheel & Turf Tire (For 52 Inch Deck) | Add To Cart | |
| - | 483968 - Wheel &Tire Bar Tread (right) 24 x 12 x 12 | Call For Details | |
| - | 483969 - Wheel &Tire Bar Tread (left) 24 x 12 x 12 | Call For Details | |
| 41 | 783277 - Belt Guard Strap | Add To Cart | |
| 42 | 644256 - M1 On Frame Footrest | Call For Details | |
| 43 | 645005 - M1 Deck Belt Guide | Add To Cart | |
| 44 | 424095 - Seat Isolator | Add To Cart | |
| 45 | 644618 - Seat Pin Hinge | Add To Cart | |
| 46 | 603858 - Throttle Assembly 322D/722D | Add To Cart | |
| - | 323656 - Throttle Control Cable Assembly | Add To Cart | |
| - | 722009 - Throttle Stop Lever | Add To Cart | |
| - | 722736 - Heavy Duty Throttle Stop | Add To Cart | |
| 47 | 422150 - Handle Grip | Add To Cart | |
| 48 | 722949 - M1 Fuel Tank Shield | Call For Details | |
| 49 | 821715 - Fuel Hose | Call For Details | |
| 50 | 280261 - Spring Hose Clamp | Add To Cart | |
| 51 | 821744 - Fuel Return Hose 430D | Add To Cart | |
| 52 | 280257 - Spring Hose Clamp | Add To Cart | |
| 53 | 424216 - Grommet | Add To Cart | |
| 54 | 723396 - 322 Right Hydro Debris Shield | Add To Cart | |
| 55 | 723397 - 322 Left Hydro Debris Shield | Add To Cart | |
| 56 | 257038 - Step Bushing | Add To Cart | |
| 57 | 751036 - Console Frame Mount 300/400 | Call For Details | |
| 58 | 254432 - Nut Plastic Retainer | Add To Cart | |
| 59 | 253180 - Bolt | Add To Cart | |
| 60 | 644887 - Fuel Filler 300/400 | Add To Cart | |
| 61 | 100211 - Screw-on Diesel Fuel Cap | Add To Cart | |
| 62 | 422027 - Fuel Tank Filler Hose | Add To Cart | |
| 63 | 280305 - Screw Type Hose Clamp | Add To Cart | |
| 64 | 253173 - Hex Whiz Bolt | Add To Cart | |
| 65 | 773103 - Relay Mount | Call For Details | |
| 66 | 604278 - 325D Decal Set | Add To Cart |