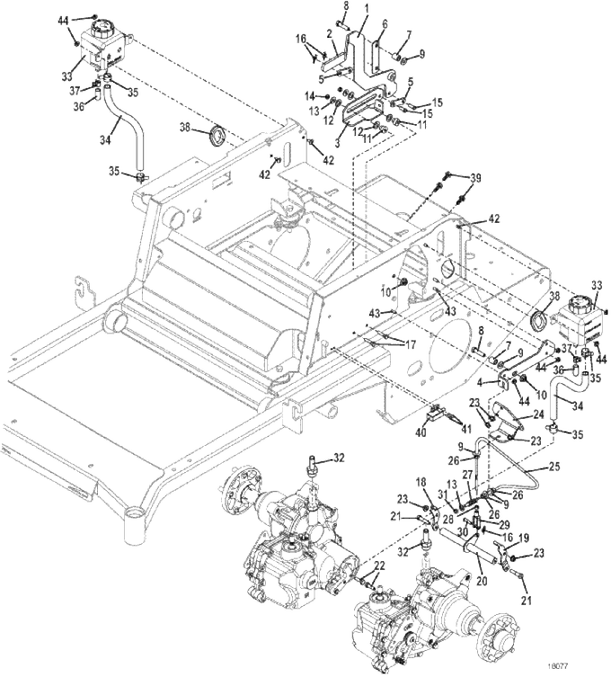
328G4 Brake Assembly & Expansion Tanks - 2019
Click On a Part Number Below for Details
NOTE: If the part number you select is not linked to the shopping cart,call toll-free 866-698-4070 for availability.
| Item # | Part Number - Description | Price | |
|---|---|---|---|
| 1 | 644469 - Brake Lever | Call For Details | |
| 2 | 422150 - Handle Grip | Add To Cart | |
| 3 | 725656 - Bracket | Call For Details | |
| 4 | 725655 - Cable Mount Bracket | Call For Details | |
| 5 | 775092 - Brake Link | Call For Details | |
| 6 | 774145 - Reinforcement Pin | Add To Cart | |
| 7 | 902283 - Spacer | Add To Cart | |
| 8 | 243340 - Hex Bolt | Add To Cart | |
| 9 | 257030 - Washer | Add To Cart | |
| 10 | 253043 - Whiz Nut | Add To Cart | |
| 11 | 881130 - Brake Lever Spacer | Call For Details | |
| 12 | 257063 - Washer | Add To Cart | |
| 13 | 257020 - Washer | Add To Cart | |
| 14 | 253440 - Nylon Insert Nut | Add To Cart | |
| 15 | 261279 - Clevis Pin | Add To Cart | |
| 16 | 260606 - Cotter Ring | Add To Cart | |
| 17 | 243030 - Hex Bolt | Add To Cart | |
| 18 | 725698 - Right Brake Arm | Call For Details | |
| 19 | 725699 - Left Brake Arm | Call For Details | |
| 20 | 645118 - Brake Rod | Call For Details | |
| 21 | 243215 - Hex Bolt | Add To Cart | |
| 22 | 243205 - Hex Bolt | Add To Cart | |
| 23 | 253035 - Whiz Nut | Add To Cart | |
| 24 | 725592 - Cable Mount | Call For Details | |
| 25 | 323601 - Brake Cable Assembly | Add To Cart | |
| 26 | 254441 - Nut | Add To Cart | |
| 27 | 283311 - Compression Spring | Add To Cart | |
| 28 | 254434 - Nut | Add To Cart | |
| 29 | 265530 - Clevis Yoke | Call For Details | |
| 30 | 261236 - Clevis Pin | Add To Cart | |
| 31 | 253441 - Nylon Insert Nut | Add To Cart | |
| 32 | 360083 - Fitting | Call For Details | |
| 33 | 421983 - Expansion Tank | Call For Details | |
| 34 | 821811 - Hydraulic Hose | Call For Details | |
| 35 | 280266 - Clamp Hose Spring | Add To Cart | |
| 36 | 422102 - Manifold Fitting Cap | Add To Cart | |
| 37 | 280263 - Clamp Hose Spring | Add To Cart | |
| 38 | 424290 - Grommet | Add To Cart | |
| 39 | 253192 - Whiz Flange Hex Bolt | Add To Cart | |
| 40 | 183894 - Brake Interlock Switch | Add To Cart | |
| 41 | 250258 - Machine Screw | Add To Cart | |
| - | 254421 - Nut | Add To Cart | |
| 42 | 253176 - Truss Whiz Bolt | Add To Cart | |
| 43 | 253177 - Truss Whiz Bolt | Add To Cart | |
| 44 | 253025 - Whiz Nut | Add To Cart |