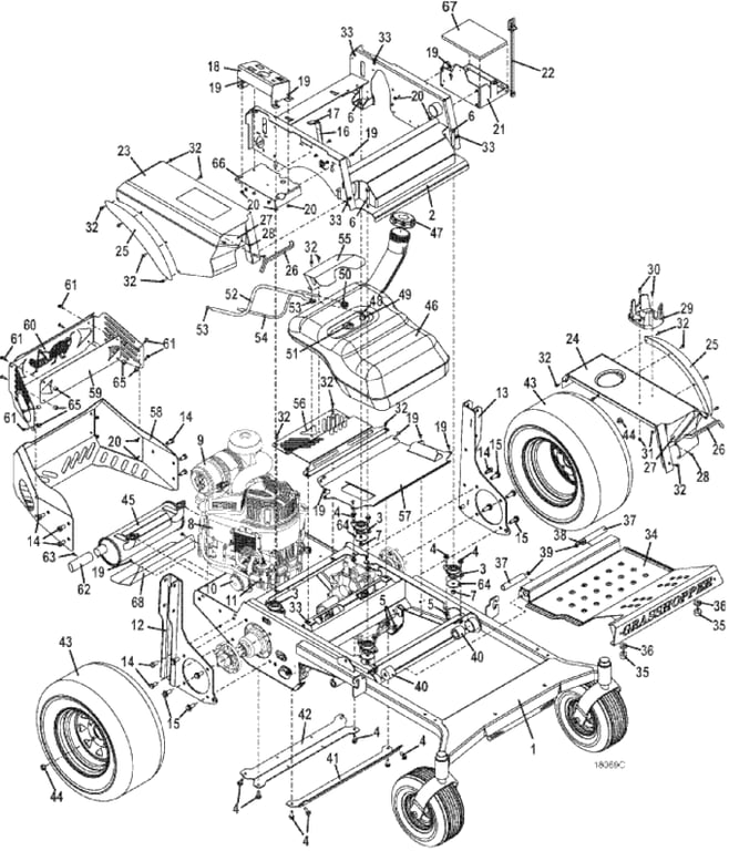
328G4 Tractor Assembly - 2020
Click On a Part Number Below for Details
NOTE: If the part number you select is not linked to the shopping cart,call toll-free 866-698-4070 for availability.
| Item # | Part Number - Description | Price | |
|---|---|---|---|
| 1 | 644882 - 300V/61 Lower Frame | Call For Details | |
| - | 644881 - 300V/52 Lower Frame | Call For Details | |
| 2 | 645371 - 300V Upper Frame | Call For Details | |
| 3 | 424070 - Flange Vibration Isolator | Add To Cart | |
| 4 | 253203 - Flange Whiz Bolt | Add To Cart | |
| 5 | 253043 - Whiz Nut | Add To Cart | |
| 6 | 243475 - Hex Bolt | Add To Cart | |
| 7 | 253465 - Nylon Insert Nut | Call For Details | |
| 8 | 100082 - 28HP Briggs & Stratton Electric Fuel Injection Vertical Engine | Call For Details | |
| 9 | 100207 - 90 Degree Nelson Air Cleaner | Call For Details | |
| - | 100197 - Air Cleaner Cover Clip | Add To Cart | |
| - | 100199 - Air Cleaner Cover | Add To Cart | |
| - | 100202 - Dust Ejector | Call For Details | |
| - | 100203 - Air Hood | Call For Details | |
| - | 100936 - HD Outer Air Filter | Add To Cart | |
| - | 100937 - HD Inner Air Filter | Call For Details | |
| 10 | 100803 - Briggs Oil Filter | Add To Cart | |
| 11 | 366560 - Briggs In-Line Fuel Filter | Add To Cart | |
| 12 | 645148 - Right ROPS Mount | Call For Details | |
| 13 | 645149 - Left ROPS Mount | Call For Details | |
| 14 | 243560 - Hex Bolt | Add To Cart | |
| 15 | 253244 - Whiz Bolt | Call For Details | |
| 16 | 603821 - Throttle Assembly | Add To Cart | |
| - | 323655 - Control Cable Assembly | Add To Cart | |
| - | 722736 - Heavy Duty Throttle Stop | Add To Cart | |
| 17 | 422150 - Handle Grip | Add To Cart | |
| 18 | 721372 - Console | Call For Details | |
| 19 | 253176 - Truss Whiz Bolt | Add To Cart | |
| 20 | 253025 - Whiz Nut | Add To Cart | |
| 21 | 644108 - Battery Box w/Strap | Add To Cart | |
| 22 | 604785 - Battery Hold-Down Strap | Add To Cart | |
| 23 | 693208 - 300V Right Fender w/Decals | Add To Cart | |
| 24 | 693209 - 300V Left Fender w/Decals | Add To Cart | |
| 25 | 645002 - Tapered Flare | Call For Details | |
| 26 | 822632 - Trim | Add To Cart | |
| 27 | 772009 - Work Lamp Cover | Call For Details | |
| 28 | 253164 - Hex Whiz Bolt | Add To Cart | |
| - | 253020 - Whiz Nut | Add To Cart | |
| 29 | 150225 - Cup Holder | Add To Cart | |
| 30 | 259030 - Cap Screw | Add To Cart | |
| 31 | 254436 - Nut | Add To Cart | |
| 32 | 253173 - Whiz Hex Bolt | Add To Cart | |
| 33 | 254431 - Speed Nut | Add To Cart | |
| 34 | 644231 - Footrest | Call For Details | |
| - | 250164 - Truss Machine Screw | Add To Cart | |
| - | 254411 - Nut w/Washer | Add To Cart | |
| - | 772099 - Decal Plate | Call For Details | |
| 35 | 424052 - Rubber Bumper | Add To Cart | |
| 36 | 902294 - Spacer | Add To Cart | |
| 37 | 644618 - Seat Hinge Pin | Add To Cart | |
| 38 | 253192 - Flange Whiz Hex Bolt | Add To Cart | |
| 39 | 253035 - Whiz Nut | Add To Cart | |
| 40 | 424093 - Footrest Isolator | Call For Details | |
| 41 | 725302 - Front Skid Plate | Call For Details | |
| 42 | 725304 - Rear Skid Plate | Call For Details | |
| 43 | 483965 - Wheel & Turf Tire 24 x 12 x 12 | Add To Cart | |
| - | 482486 - Turf Tire 24 x 12 x 12 | Add To Cart | |
| - | 483440 - Wheel Only 12 x 8.5 x 4.25 (for 61 Inch & 72' Decks) | Add To Cart | |
| 44 | 254472 - Lug Nut | Add To Cart | |
| 45 | 101203 - Muffler | Call For Details | |
| 46 | 605806 - 300V Gas Tank Assembly | Add To Cart | |
| 47 | 100217 - Sealed Tether Fuel Cap | Add To Cart | |
| 48 | 363925 - Fuel Tube | Add To Cart | |
| 49 | 101875 - Fuel Tube Bushing | Add To Cart | |
| 50 | 606830 - Fuel Tank Valve Kit | Add To Cart | |
| 51 | 141235 - Fuel Sender | Add To Cart | |
| 52 | 821769 - Fuel Hose | Add To Cart | |
| 53 | 280260 - Spring Hose Clamp | Add To Cart | |
| 54 | 821742 - Vapor Fuel Hose | Add To Cart | |
| 55 | 723027 - Tank Anchor | Call For Details | |
| 56 | 766189 - Fan Shield | Call For Details | |
| 57 | 766188 - Fuel Tank Shield | Call For Details | |
| 58 | 645564 - Bumper | Call For Details | |
| 59 | 772098 - Decal Plate | Call For Details | |
| 60 | 724443 - Heat Shield - Bumper | Call For Details | |
| 61 | 253181 - Bolt | Add To Cart | |
| 62 | 942406 - Exhaust Pipe | Call For Details | |
| 63 | 253164 - Hex Whiz Bolt | Add To Cart | |
| - | 253020 - Whiz Nut | Add To Cart | |
| 64 | 257061 - Washer | Add To Cart | |
| 65 | 902280 - Spacer | Add To Cart | |
| 66 | 754330 - Console Mount | Call For Details | |
| 67 | 427275 - Battery Tray Pad | Add To Cart | |
| 68 | 751058 - 300V Heat Shield | Call For Details | |
| 69 | 605376 - 328G4/329G4 Decal Set | Call For Details |