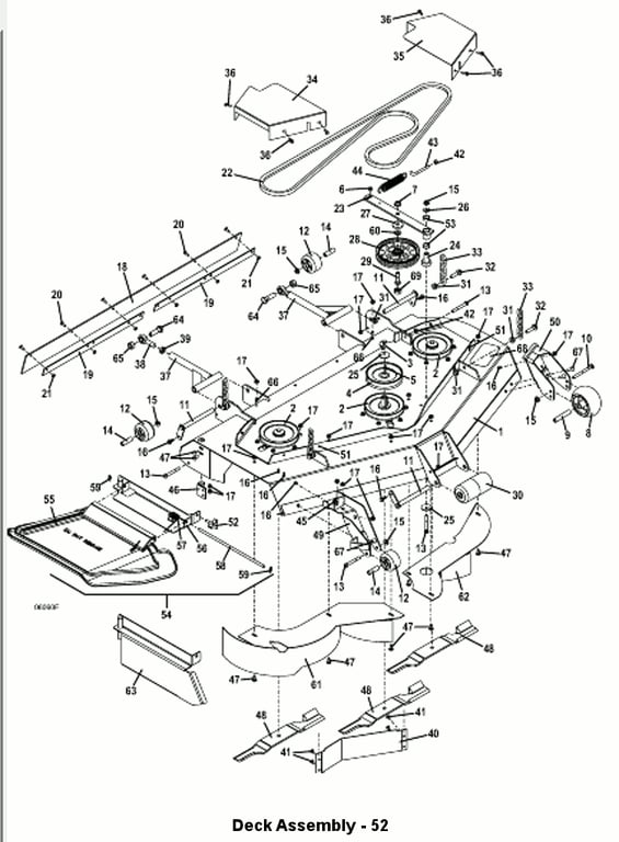
329B Deck Assembly - M152 - 2011
Click On a Part Number Below for Details
NOTE: If the part number you select is not linked to the shopping cart,call toll-free 866-698-4070 for availability.
| Item # | Part Number - Description | Price | |
|---|---|---|---|
| 1 | 644159 - M152/07 Deck Weldment | Call For Details | |
| 2 | 415892 - Sheave | Add To Cart | |
| 3 | 243331 - Hex Bolt | Add To Cart | |
| 4 | 415897 - Sheave | Add To Cart | |
| 5 | 281582 - Square Key | Add To Cart | |
| 6 | 422520 - Nylon Bearing | Add To Cart | |
| 7 | 253067 - Flange Spiral Lock Nut | Add To Cart | |
| 8 | 484230 - Anti-Scalp Center Hub Wheel | Add To Cart | |
| 9 | 942137 - Bearing Tube | Add To Cart | |
| 10 | 247310 - Carriage Bolt | Add To Cart | |
| 11 | 644512 - Roller Lock Pin | Add To Cart | |
| 12 | 426122 - Roller | Add To Cart | |
| 13 | 243365 - Hex Bolt | Add To Cart | |
| 14 | 902284 - Roller Mount Spacer | Add To Cart | |
| 15 | 253043 - Whiz Nut | Add To Cart | |
| 16 | 253192 - Hex Flange Whiz Bolt | Add To Cart | |
| 17 | 253035 - Whiz Nut | Add To Cart | |
| 18 | 424205 - M1 52 Inch Deck Flap | Add To Cart | |
| 19 | 774280 - M1 52-9861 right Deflector Strap | Add To Cart | |
| 20 | 253181 - Bolt | Add To Cart | |
| 21 | 253025 - Whiz Nut | Add To Cart | |
| 22 | 382082 - Belt | Add To Cart | |
| 23 | 824488 - M1 52/61 Idler Arm | Add To Cart | |
| 24 | 121650 - Pedestal Bearing | Add To Cart | |
| 25 | 257041 - Cupped Washer | Add To Cart | |
| 26 | 257040 - Washer | Add To Cart | |
| 27 | 257160 - Washer | Add To Cart | |
| 28 | 393250 - Idler | Add To Cart | |
| 29 | 243575 - Hex Bolt | Add To Cart | |
| 30 | 603725 - 2 Piece Center Roller Assembly | Add To Cart | |
| 31 | 253058 - Whiz Nut | Add To Cart | |
| 32 | 243458 - GR 8 Hex Bolt | Add To Cart | |
| 33 | 820331 - 5 Links M1 Chain | Add To Cart | |
| 34 | 722333 - right Belt Shield 52/220 | Add To Cart | |
| 35 | 722334 - left Belt Shield 52/220 | Add To Cart | |
| 36 | 253175 - Hex Whiz Bolt | Add To Cart | |
| 37 | 604675 - Radius Arm Assembly | Add To Cart | |
| 38 | 265665 - Rod End | Add To Cart | |
| 39 | 254493 - Nut | Add To Cart | |
| 40 | 724588 - Aux Front Shroud - M1/3452 | Add To Cart | |
| 41 | 253176 - Bolt Whiz Truss | Add To Cart | |
| 42 | 254450 - Nut | Add To Cart | |
| 43 | 730391 - Idler Adjustment J Bolt | Add To Cart | |
| 44 | 283848 - Extension Spring | Add To Cart | |
| 45 | 254448 - Speeed Nut | Add To Cart | |
| 46 | 643632 - Vac Housing Pivot Mount | Add To Cart | |
| 47 | 247130 - Carriage Bolt | Add To Cart | |
| 48 | 320236 - 18' Medium Lift Blade | Call For Details | |
| - | 320238 - 18' Contour Blade | Call For Details | |
| - | 320239 - 18' High Lift Notch Blade | Call For Details | |
| - | 320241 - 18' Extreme Hi-Lift Blade | Call For Details | |
| - | 320240 - 18' Hi-Low Mulch | Call For Details | |
| 49 | 645578 - Right Anti-Scalp Roller Mount M152 | Add To Cart | |
| 50 | 645579 - Left Anti-Scalp Roller Mount M152 | Add To Cart | |
| 51 | 254431 - Speed Nut | Add To Cart | |
| 52 | 252821 - 3 Prong Head Deck Stud (Knob) | Add To Cart | |
| 53 | 121756 - Oilite Bearing | Add To Cart | |
| 54 | 604317 - Discharge Flex Shield Assembly | Add To Cart | |
| 55 | 422042 - Discharge Flex Shield | Add To Cart | |
| 56 | 644570 - Discharge Flex Shield Mount | Add To Cart | |
| 57 | 284406 - Torsion Spring | Add To Cart | |
| 58 | 780650 - Discharge Flex Shield Pin | Add To Cart | |
| 59 | 260608 - Cotter Ring | Add To Cart | |
| 60 | 257062 - Washer | Add To Cart | |
| 61 | 644608 - M1 52 right Mulch Plate | Add To Cart | |
| 62 | 644609 - M1 52 left Mulch Plate | Add To Cart | |
| 63 | 644058 - Mulch End Cap | Add To Cart | |
| 64 | 243810 - Hex Bolt | Add To Cart | |
| 65 | 253970 - Lock Nut | Add To Cart | |
| 66 | 253195 - Bolt Whiz Hex Flange | Add To Cart | |
| 67 | 247135 - Carriage Bolt | Add To Cart | |
| 68 | 420901 - Step Tread | Add To Cart | |
| 69 | 423670 - Idler Arm Stabilizer Cap | Add To Cart |