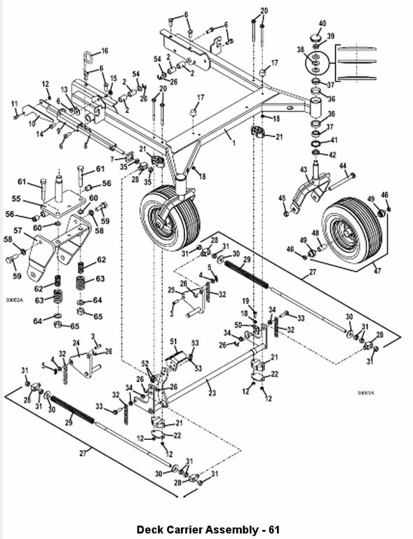
329B Deck Carrier Assembly M161 - 2010
Click On a Part Number Below for Details
NOTE: If the part number you select is not linked to the shopping cart,call toll-free 866-698-4070 for availability.
| Item # | Part Number - Description | Price | |
|---|---|---|---|
| 1 | 644138 - M161 Carrier (without footrest) | Call For Details | |
| - | 162187 - Cutting Height Decal | Add To Cart | |
| 2 | 121766 - Oilite Bearing | Add To Cart | |
| 3 | 261405 - Clevis Pin | Add To Cart | |
| 4 | 257051 - Washer | Add To Cart | |
| 5 | 260612 - Cotter Ring | Add To Cart | |
| 6 | 243565 - Hex Bolt | Add To Cart | |
| - | 253067 - Nut - Flange Spiral Lock | Add To Cart | |
| 7 | 423696 - M1 Height Adjustment Spacer | Add To Cart | |
| 8 | 644778 - M1 Height Adjustment Tube | Add To Cart | |
| 9 | 644305 - Latch Tube Guide | Add To Cart | |
| 10 | 775104 - Deck Latch | Add To Cart | |
| 11 | 243330 - Hex Bolt | Add To Cart | |
| 12 | 253890 - Lock Nut | Add To Cart | |
| 13 | 821516 - Nylon Washer | Add To Cart | |
| 14 | 243560 - Hex Bolt | Add To Cart | |
| 15 | 253470 - Nylon Insert Nut | Add To Cart | |
| 16 | 730434 - Height Adjustment Deck Pin | Add To Cart | |
| 17 | 424052 - Rubber Bumper | Add To Cart | |
| 18 | 253035 - Whiz Nut | Add To Cart | |
| 19 | 243205 - Hex Bolt | Add To Cart | |
| 20 | 253215 - Flange Bolt | Add To Cart | |
| 21 | 423643 - M1 Bearing Block | Add To Cart | |
| 22 | 774064 - Lift Bearing Plate | Add To Cart | |
| 23 | 644482 - M1 Deck Adjustable Lift Lever | Call For Details | |
| 24 | 644707 - M1 right Rear Deck Rocker | Add To Cart | |
| 25 | 644708 - M1 left Rear Deck Rocker | Add To Cart | |
| 26 | 263529 - External Retainer | Add To Cart | |
| 27 | 326105 - Rod & Spring Assembly | Add To Cart | |
| 28 | 882035 - Spring Rod Mount Shaft | Add To Cart | |
| 29 | 283395 - Compression Spring | Add To Cart | |
| 30 | 257080 - Washer | Add To Cart | |
| 31 | 254490 - Nut | Add To Cart | |
| 32 | 820331 - M1 Chain - 5 Links | Add To Cart | |
| 33 | 243458 - Hex Bolt GR 8 | Add To Cart | |
| 34 | 253058 - Whiz Nut | Add To Cart | |
| 35 | 254493 - Nut | Add To Cart | |
| 36 | 123522 - Bearing Cup | Add To Cart | |
| 37 | 122522 - Taper Bearing | Add To Cart | |
| 38 | 257320 - Spring Washer | Add To Cart | |
| 39 | 254505 - Nut - Jam Nylon - Toplock | Add To Cart | |
| 40 | 481434 - Domed Dust Cap | Add To Cart | |
| 41 | 125855 - Seal | Add To Cart | |
| 42 | 282615 - Spacer | Add To Cart | |
| 43 | 604365 - Fork & Lock Nut Assembly | Add To Cart | |
| 44 | 247725 - Carriage Bolt | Add To Cart | |
| 45 | 253970 - Lock Nut | Add To Cart | |
| 46 | 902422 - Axle Spacer | Add To Cart | |
| 47 | 603975 - Rear Wheel Assembly with Bearings 13x6.5x6 | Add To Cart | |
| - | 482355 - Ribbed Tire 13 x 6.50 x 6 | Add To Cart | |
| - | 483306 - Wheel without Tire / without Bearings 6 x 4.5 | Add To Cart | |
| 48 | 902429 - Rear Axle Center Spacer | Add To Cart | |
| 49 | 120048 - DP Wheel Ball Bearing | Add To Cart | |
| 50 | 732586 - M1 Deck Adjusting Strap | Add To Cart | |
| 51 | 644467 - Foot Pedal - M1 Carrier Adjustable | Call For Details | |
| 52 | 253203 - Bolt Whiz Flange | Add To Cart | |
| 53 | 253043 - Nut - Whiz | Add To Cart | |
| 54 | 257092 - Washer - 18 GA Bushing | Add To Cart | |
| 55 | 643677 - Pivot - Fork Yoke Suspension | Add To Cart | |
| 56 | 121734 - Oilite Bearing | Add To Cart | |
| 57 | 643313 - Fork Yoke - Suspension | Add To Cart | |
| 58 | 257442 - Lock Washer | Add To Cart | |
| 59 | 887114 - Pivot Bolt - Suspension Fork | Add To Cart | |
| 60 | 257063 - Washer | Add To Cart | |
| 61 | 243600 - Hex Bolt | Add To Cart | |
| 62 | 283326 - Compression Spring | Add To Cart | |
| 63 | 283389 - Compression Spring | Add To Cart | |
| 64 | 257062 - Washer | Add To Cart | |
| 65 | 253930 - Lock Nut | Add To Cart |