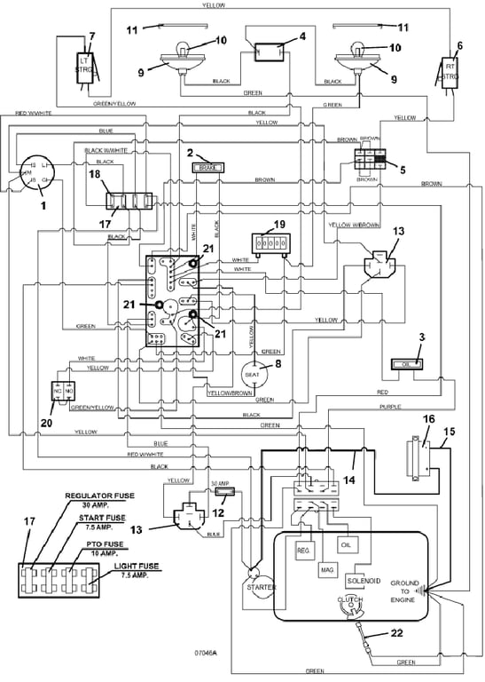
329B Electrical Wiring - 2014
Click On a Part Number Below for Details
NOTE: If the part number you select is not linked to the shopping cart,call toll-free 866-698-4070 for availability.
| Item # | Part Number - Description | Price | |
|---|---|---|---|
| 1 | 183806 - Key Switch B & S/Kohler | Add To Cart | |
| - | 101101 - Key Ignition w/Cover | Add To Cart | |
| - | 254498 - Nut | Add To Cart | |
| - | 422078 - Panel Plastic | Add To Cart | |
| 2 | 182326 - Brake Light Indicator | Add To Cart | |
| 3 | 182327 - Oil Indicator Light | Add To Cart | |
| 4 | 184179 - Rocker Switch | Add To Cart | |
| 5 | 183925 - Push/Pull Switch | Add To Cart | |
| 6 | 183860 - Lever Switch | Add To Cart | |
| - | 720160 - Right Steering Switch Mount | Add To Cart | |
| 7 | 183860 - Lever Switch | Add To Cart | |
| - | 720161 - Left Steering Switch Mount | Add To Cart | |
| 8 | 183871 - Twist-In Seat Switch | Add To Cart | |
| 9 | 182253 - Flood Worklamp | Add To Cart | |
| 10 | 182005 - Worklamp Light Bulb | Add To Cart | |
| 11 | 182251 - Snap Mount Worklamp Bezel | Add To Cart | |
| 12 | 181735 - In-Line Auto Fuse Holder | Add To Cart | |
| - | 181470 - Auto Fuse ATC - 30 | Add To Cart | |
| 13 | 184271 - 12 volt DC Relay w/MT | Add To Cart | |
| - | 184570 - 6mm Type 1 Push-On | Add To Cart | |
| - | 184581 - .250 Faston Terminal | Add To Cart | |
| - | 184926 - 5-Way Female Connector | Add To Cart | |
| 14 | 180340 - Battery Cable 42 inch Red | Add To Cart | |
| - | 425219 - Starter Terminal Boot | Add To Cart | |
| - | 425223 - Battery Terminal Boot | Add To Cart | |
| 15 | 180295 - Battery Cable 39 inch Black | Add To Cart | |
| 16 | 180130 - 12 Volt Sidepost Wet Battery | Call For Details | |
| - | 180131 - 12 Volt Sidepost Dry Battery | Call For Details | |
| - | 243309 - Hex Bolt | Add To Cart | |
| - | 604785 - Battery Hold Down Strap | Add To Cart | |
| 17 | 181722 - Fuse Block | Add To Cart | |
| - | 184458 - 1 Wire Fuse Clip | Add To Cart | |
| - | 184460 - 2 Wire Fuse Clip | Add To Cart | |
| - | 184472 - Double Wire Fuse Clip | Add To Cart | |
| 18 | 181470 - Auto ATC 30 Amp Fuse | Add To Cart | |
| - | 181462 - Auto ATC 10 Amp Fuse | Add To Cart | |
| - | 181460 - Auto ATC 7.5 Amp Fuse | Add To Cart | |
| 19 | 141551 - Snap-in Hour Meter | Add To Cart | |
| - | 141122 - Fuel Level Gauge - Console Mount | Add To Cart | |
| 20 | 183894 - Brake Interlock Switch | Add To Cart | |
| 21 | 423690 - PC Board Support Spacer | Add To Cart | |
| 22 | 604431 - Clutch Pigtail -Modified | Add To Cart | |
| 23 | 184907 - 2 Terminal Connector | Add To Cart | |
| 24 | 605906 - Wiring Assembly - 329B/335 | Add To Cart |