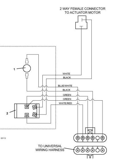
3348 48 Inch Powerfold Wiring Diagram - 2007
Click On a Part Number Below for Details
NOTE: If the part number you select is not linked to the shopping cart,call toll-free 866-698-4070 for availability.
Item # | Part Number - Description | Price | |
---|---|---|---|
1 | 183867 - SWITCH-SNAP MT PLUNGER SPST NC | Add To Cart | |
2 | 184084 - TOGGLE | Add To Cart | |
3 | 605945 - WIRING ASSY DECK TILT/HGT ADJ | Add To Cart |