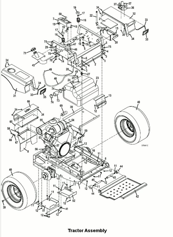
335B Tractor Assembly - 2011
Click On a Part Number Below for Details
NOTE: If the part number you select is not linked to the shopping cart,call toll-free 866-698-4070 for availability.
| Item # | Part Number - Description | Price | |
|---|---|---|---|
| 1 | 645210 - Frame - | Call For Details | |
| 2 | 644889 - Upper Frame | Call For Details | |
| 3 | 257037 - Step Bushing | Add To Cart | |
| 4 | 774020 - Washer | Add To Cart | |
| 5 | 243220 - Hex Bolt | Add To Cart | |
| 6 | 253450 - Nylon Insert Nut | Add To Cart | |
| 7 | 693111 - Console w/Decal 329B/335B | Call For Details | |
| 8 | 766160 - Muffler Shield Bracket | Add To Cart | |
| 9 | 645800 - Tank Rail - right | Call For Details | |
| 10 | 645801 - Tank Rail - left | Call For Details | |
| 11 | 253192 - Hex Flange Whiz Bolt | Add To Cart | |
| 12 | 253035 - Whiz Nut | Add To Cart | |
| 13 | 722948 - Gas Tank Anchor | Call For Details | |
| 14 | 253025 - Whiz Nut | Add To Cart | |
| 15 | 253176 - Truss Whiz Bolt | Add To Cart | |
| 16 | 283516 - Compression Spring | Add To Cart | |
| 17 | 253203 - Whiz Flange Bolt | Add To Cart | |
| 18 | 253043 - Whiz Nut .375-16 | Add To Cart | |
| 19 | 422127 - Seat Spring Cap | Add To Cart | |
| 20 | 644108 - Battery Box with Strap | Add To Cart | |
| 21 | 427275 - Battery Tray Pad | Add To Cart | |
| 22 | 604785 - Battery Hold-down Strap | Add To Cart | |
| 23 | 605798 - M1/200V Tank Assembly | Call For Details | |
| 24 | 141142 - Intank Fuel Gauge | Add To Cart | |
| - | 424275 - Grommet | Add To Cart | |
| 25 | 363925 - Fuel Tube | Add To Cart | |
| 26 | 101875 - Fuel Tube Bushing (Grommet) | Add To Cart | |
| 27 | 100216 - Valve - Fuel Tank - 2011 | Add To Cart | |
| 28 | 821742 - Fuel Vapor Hose | Add To Cart | |
| 29 | 243225 - Hex Bolt | Add To Cart | |
| 30 | 722949 - M1 Fuel Tank Shield | Call For Details | |
| 31 | 693226 - Fender w/Decals 300B RT | Add To Cart | |
| - | 163750 - Decal - 335 BBlock Trim RT | Add To Cart | |
| 32 | 693227 - Fender w/Decals 300B LT | Add To Cart | |
| - | 163751 - Decal - 335 BBlock Trim LT | Add To Cart | |
| 33 | 822632 - Trim | Add To Cart | |
| 34 | 253175 - Hex Whiz Bolt | Add To Cart | |
| 35 | 422079 - Work Lamp Hole Plug | Add To Cart | |
| 36 | 150225 - Cup Holder | Add To Cart | |
| 37 | 259030 - Cap Screw | Add To Cart | |
| 38 | 254436 - Nut | Add To Cart | |
| 39 | 248565 - Lug Bolt | Add To Cart | |
| 40 | 482485 - Turf Tire 23 x 10.5 x 12 | Add To Cart | |
| - | 483965 - Wheel & Tire Assemby - Turf - 24 x 12 x 12 | Add To Cart | |
| - | 482486 - Turf Tire 24 x 12 x 12 | Add To Cart | |
| - | 482487 - Bar Tread Tire Only 24 x 12 x 12 | Add To Cart | |
| - | 483440 - Wheel Only 12 x 8.5 x 4.25 (for 61 Inch & 72' Decks) | Add To Cart | |
| - | 483445 - Wheel -12 x 8.5 x 5.75 - w/52 Deck | Add To Cart | |
| - | 483960 - Wheel & Tire - Turf - 23 x 10.5 x 12 | Add To Cart | |
| - | 483968 - 12' Wheel & Bar Tread Tire (right) | Call For Details | |
| - | 483969 - 12' Wheel & Bar Tread Tire (left) | Call For Details | |
| 41 | 783277 - Belt Guard Strap | Add To Cart | |
| 42 | 644256 - M1 On Frame Footrest | Call For Details | |
| - | 644228 - M1 Frame Mount Footrest | Call For Details | |
| 43 | 644886 - Fuel Filler | Add To Cart | |
| 44 | 424095 - Seat Isolator | Add To Cart | |
| 45 | 644618 - Seat Hinge Pin | Add To Cart | |
| 46 | 604831 - Throttle Assembly | Call For Details | |
| - | 323650 - Throttle Control Cable | Add To Cart | |
| - | 722009 - Throttle Lever Stop | Add To Cart | |
| - | 722736 - Throttle Lever Stop - Heavy Duty | Add To Cart | |
| 47 | 422150 - Handle Grip | Add To Cart | |
| 48 | 821738 - Fuel Hose | Add To Cart | |
| 49 | 280260 - Spring Hose Clamp | Add To Cart | |
| 50 | 142214 - Mechanical Choke | Add To Cart | |
| 51 | 723050 - 300 right Hydro Debris Shield | Add To Cart | |
| 52 | 723051 - 300 left Hydro Debris Shield | Call For Details | |
| 53 | 100192 - 35 HP b & S AC M1 Engine | Call For Details | |
| 54 | 100209 - Air Cleaner | Call For Details | |
| - | 100936 - Air Filter Outer HD | Add To Cart | |
| - | 100937 - Air Filter Inner HD | Call For Details | |
| 55 | 101255 - Muffler | Call For Details | |
| 56 | 100803 - Oil Filter - Briggs | Add To Cart | |
| 57 | 366560 - In-Line Fuel Filter Briggs | Add To Cart | |
| 58 | 243445 - Hex Bolt | Add To Cart | |
| 59 | 887124 - 90 Degree Adapter | Add To Cart | |
| 60 | 254716 - Jam Nut | Add To Cart | |
| 61 | 773010 - Aluminum Washer | Add To Cart | |
| 62 | 143610 - Oil Drain Valve | Add To Cart | |
| 63 | 363854 - Nylon Fitting | Add To Cart | |
| 64 | 821752 - Oil Drain Tube | Add To Cart | |
| 65 | 722837 - Muffler Shield | Call For Details | |
| 66 | 722841 - Muffler Shield - Outer | Add To Cart | |
| 67 | 257051 - Washer | Add To Cart | |
| 68 | 257422 - Lock Washer | Add To Cart | |
| 69 | 733682 - Exhause Extension | Call For Details | |
| - | 101370 - Muffler Clamp | Call For Details | |
| 70 | 257038 - Step Bushing | Add To Cart | |
| 71 | 100213 - Cap Fuel - Sealed Tether - EXT | Add To Cart | |
| 72 | 645005 - M1 Deck Belt Guide | Add To Cart | |
| 73 | 422027 - Hose - Fuel Tank Filler | Add To Cart | |
| 74 | 280305 - Hose Clamp - Screw Type | Add To Cart | |
| 75 | 254431 - Speed Nut | Add To Cart | |
| 78 | 605527 - 335B Decal Set | Call For Details |