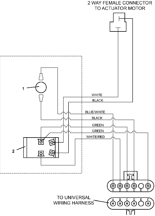
3452 / 3461 Front Mount Decks Powerfold Wiring - 2007
Click On a Part Number Below for Details
NOTE: If the part number you select is not linked to the shopping cart, call toll-free 866-698-4070 for availability.
Item # | Part Number - Description | Price | |
---|---|---|---|
1 | 183867 - Snap Mount Plunger SPST NC Switch | Add To Cart | |
2 | 184084 - Toggle | Add To Cart | |
- | 425200 - Toggle Switch Boot | Add To Cart | |
- | 770005 - Keyed Washer | Add To Cart | |
3 | 605945 - Deck Tilt/Height Adjustment Wiring Assembly | Add To Cart |