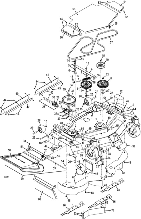
3452 Mower Assembly - 2012
Click On a Part Number Below for Details
NOTE: If the part number you select is not linked to the shopping cart, call toll-free 866-698-4070 for availability.
Item # | Part Number - Description | Price | |
---|---|---|---|
1 | 644493 - 3452 09 Deck | Call For Details | |
2 | 415892 - Sheave | Add To Cart | |
3 | 282630 - Spacer | Add To Cart | |
4 | 824493 - 3352 F/A Idler Arm | Add To Cart | |
5 | 121756 - Oilite Bearning | Add To Cart | |
6 | 121650 - Pedestal Bearing | Add To Cart | |
7 | 257160 - Washer | Add To Cart | |
8 | 393250 - Idler | Add To Cart | |
9 | 243575 - Hex Bolt | Add To Cart | |
10 | 393376 - Idler | Add To Cart | |
11 | 257062 - Lock Washer | Add To Cart | |
12 | 420901 - Step Tread | Add To Cart | |
13 | 253067 - Flange Spiral Lock Nut | Add To Cart | |
14 | 257040 - Washer | Add To Cart | |
15 | 253043 - Whiz Nut | Add To Cart | |
16 | 283848 - Extension Spring | Add To Cart | |
17 | 730391 - Idler Adjustment J Bolt | Add To Cart | |
18 | 254450 - Nut | Add To Cart | |
19 | 257041 - Cupped Washer | Add To Cart | |
20 | 243365 - Hex Bolt | Add To Cart | |
21 | 243355 - Hex Bolt | Add To Cart | |
22 | 247310 - Carriage Bolt | Add To Cart | |
23 | 423670 - Idler Arm Stabilizer Cap | Add To Cart | |
24 | 257059 - Washer | Add To Cart | |
25 | 243590 - Hex Bolt | Add To Cart | |
26 | 484230 - Anti-Scalp Center Hub Wheel | Add To Cart | |
27 | 942137 - Tube Bearing | Add To Cart | |
28 | 398528 - UN Half Shaft | Add To Cart | |
29 | 401010 - Yoke | Add To Cart | |
30 | 121010 - Cross Bearing | Add To Cart | |
31 | 402608 - Yoke Shaft | Add To Cart | |
32 | 390026 - C0319.875 Counter Clockwise Right Angle Gearbox | Add To Cart | |
- | 125391 - Seal | Add To Cart | |
- | 365541 - 1.5 inch Expansion Plug | Add To Cart | |
33 | 415895 - Sheave | Add To Cart | |
34 | 243331 - Hex Bolt | Add To Cart | |
35 | 281833 - Woodruff Key | Add To Cart | |
36 | 281828 - Woodruff Key | Add To Cart | |
37 | 253192 - Hex Flange Whiz Bolt | Add To Cart | |
38 | 644512 - Roller Lock Pin | Add To Cart | |
39 | 603725 - Center 2 Piece Roller Assembly | Add To Cart | |
40 | 424223 - 3452 right Deck Flap | Add To Cart | |
41 | 424224 - 3452 left Deck Flap | Add To Cart | |
42 | 782595 - Rear Deflector Strap | Add To Cart | |
43 | 774229 - Rear Deflector Strap | Add To Cart | |
44 | 253181 - Bolt | Add To Cart | |
45 | 253025 - Whiz Nut | Add To Cart | |
46 | 320239 - 18 inch High Lift Notch Blade | Call For Details | |
- | 320236 - 18 inch Medium Lift Blade | Call For Details | |
- | 320238 - 18 inch Contour Blade | Call For Details | |
- | 320240 - 18 inch High-Low Mulch Blade | Call For Details | |
- | 320241 - 18 inch Extreme High Lift Notch Blade | Call For Details | |
- | 320317 - 18 inch High Lift Notch Laser Edge Blade | Call For Details | |
- | 320321 - 18 inch Shredder Blade | Call For Details | |
47 | 643632 - Vac Housing Pivot Mount | Add To Cart | |
48 | 247130 - Carriage Bolt | Add To Cart | |
49 | 253035 - Whiz Nut | Add To Cart | |
50 | 422042 - Flex Discharge Shield | Add To Cart | |
51 | 644570 - Discharge Shield Mount | Add To Cart | |
52 | 284406 - Torsion Spring | Add To Cart | |
53 | 780650 - Flex Discharge Shield Pin | Add To Cart | |
54 | 260608 - Cotter Ring | Add To Cart | |
55 | 252821 - 3-Prong Head Deck Stud (Knob) | Add To Cart | |
56 | 422520 - Nylon Bearing | Add To Cart | |
57 | 382084 - Belt | Add To Cart | |
58 | 604742 - 3452 Center Shield Assembly | Add To Cart | |
59 | 281300 - Rubber Draw Latch | Add To Cart | |
60 | 722702 - 3452 right Belt Shield | Add To Cart | |
61 | 722703 - 3452 left Belt Shield | Add To Cart | |
62 | 253173 - Hex Whiz Bolt | Add To Cart | |
63 | 253176 - Truss Whiz Bolt | Add To Cart | |
64 | 254431 - Speed Nut | Add To Cart | |
65 | 254448 - Speed Nut | Add To Cart | |
66 | 644608 - M1 52 right Mulch Plate | Add To Cart | |
67 | 644609 - M1 52 left Mulch Plate | Add To Cart | |
68 | 644058 - 3452/61/72 Mulch End Cap | Add To Cart | |
69 | 604317 - Flex Discharge Shield Assembly | Add To Cart | |
70 | 729484 - 3452 Supr Gearbox Shield | Call For Details | |
71 | 724588 - M1/3452 Auxiliary Front Shroud | Add To Cart | |
72 | 603283 - Decal Set for 34 Series Deck | Add To Cart |