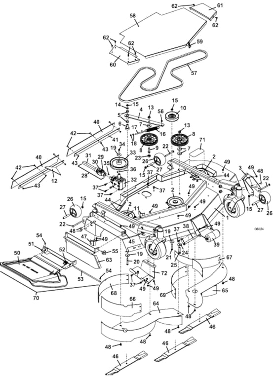
3461R Rear Discharge Deck Mower Assembly - 2013
Click On a Part Number Below for Details
NOTE: If the part number you select is not linked to the shopping cart,call toll-free 866-698-4070 for availability.
| Item # | Part Number - Description | Price | |
|---|---|---|---|
| 1 | 645160 - 3461R Deck Weldment | Call For Details | |
| 2 | 415892 - Sheave | Add To Cart | |
| 3 | 643695 - left Anti-Scalp Roller Mount | Add To Cart | |
| 4 | 824487 - 9861 Idler Arm | Add To Cart | |
| 5 | 121756 - Oilite Bearning | Add To Cart | |
| 6 | 121650 - Pedestal Bearing | Add To Cart | |
| 7 | 257160 - Washer | Add To Cart | |
| 8 | 393250 - Idler | Add To Cart | |
| 9 | 243575 - Hex Bolt | Add To Cart | |
| 10 | 393376 - Idler | Add To Cart | |
| 11 | 282630 - Spacer | Add To Cart | |
| 12 | 644679 - 3061 Rear Deflector | Call For Details | |
| 13 | 253067 - Flange Spiral Lock Nut | Add To Cart | |
| 14 | 257040 - Washer | Add To Cart | |
| 15 | 253043 - Whiz Nut | Add To Cart | |
| 16 | 283848 - Extension Spring | Add To Cart | |
| 17 | 730391 - Idler Adjustment J Bolt | Add To Cart | |
| 18 | 254450 - Nut | Add To Cart | |
| 19 | 257041 - Cupped Washer | Add To Cart | |
| 20 | 243365 - Hex Bolt | Add To Cart | |
| 21 | 243350 - Hex Bolt | Add To Cart | |
| 22 | 247310 - Carriage Bolt | Add To Cart | |
| 23 | 423670 - Idler Arm Stabilizer Cap | Add To Cart | |
| 24 | 257059 - Washer | Add To Cart | |
| 25 | 243590 - Hex Bolt | Add To Cart | |
| 26 | 484230 - Anti-Scalp Center Hub Wheel | Add To Cart | |
| 27 | 942137 - Tube Bearing | Add To Cart | |
| 28 | 398528 - UN Half Shaft | Add To Cart | |
| 29 | 401010 - Yoke | Add To Cart | |
| 30 | 121010 - Cross & Bearing | Add To Cart | |
| 31 | 402608 - Yoke & Shaft | Add To Cart | |
| 32 | 390026 - C0319.875 Counter Clockwise Right Angle Gearbox | Add To Cart | |
| - | 125391 - Seal | Add To Cart | |
| - | 365541 - 1.5 inch Expansion Plug | Add To Cart | |
| 33 | 415893 - Sheave | Add To Cart | |
| 34 | 243331 - Hex Bolt | Add To Cart | |
| 35 | 281833 - Woodruff Key | Add To Cart | |
| 36 | 281828 - Woodruff Key | Add To Cart | |
| 37 | 253192 - Hex Flange Whiz Bolt | Add To Cart | |
| 38 | 644512 - Roller Lock Pin | Add To Cart | |
| 39 | 603725 - Center 2 Piece Roller Assembly | Add To Cart | |
| 40 | 424218 - 3461 Deck Flap | Add To Cart | |
| 41 | 782598 - right Deflector Strap | Add To Cart | |
| 42 | 253181 - Bolt | Add To Cart | |
| 43 | 253025 - Whiz Nut | Add To Cart | |
| 44 | 254431 - Speed Nut | Add To Cart | |
| 45 | 254448 - Speed Nut | Add To Cart | |
| 46 | 320242 - 21 inch Medium Lift Blade | Call For Details | |
| - | 320245 - 21 inch High Lift Notch Blade | Call For Details | |
| - | 320246 - 21 inch Extreme High Lift Notch Blade | Call For Details | |
| - | 320247 - 21 inch High-Low Mulch Blade | Call For Details | |
| 47 | 643632 - Vac Housing Pivot Mount | Add To Cart | |
| 48 | 247130 - Carriage Bolt | Add To Cart | |
| 49 | 253035 - Whiz Nut | Add To Cart | |
| 50 | 422042 - Flex Discharge Shield | Add To Cart | |
| 51 | 644570 - Discharge Shield Mount | Add To Cart | |
| 52 | 284406 - Torsion Spring | Add To Cart | |
| 53 | 780650 - Flex Discharge Shield Pin | Add To Cart | |
| 54 | 260608 - Cotter Ring | Add To Cart | |
| 55 | 252821 - 3-Prong Head Deck Stud (Knob) | Add To Cart | |
| 56 | 422520 - Nylon Bearing | Add To Cart | |
| 57 | 382090 - Belt for 61 Inch Deck | Add To Cart | |
| 58 | 604743 - 3461 Center Shield Assembly | Add To Cart | |
| 59 | 281300 - Rubber Draw Latch | Add To Cart | |
| 60 | 722676 - 3361 right Belt Shield | Add To Cart | |
| 61 | 722677 - 3361 200 left Belt Shield | Add To Cart | |
| 62 | 253173 - Hex Whiz Bolt | Add To Cart | |
| 63 | 644058 - 3452/61/72 Mulch End Cap | Add To Cart | |
| 64 | 644611 - M1 61 right Mulch Plate | Add To Cart | |
| 65 | 644610 - M1 61 left Mulch Plate | Add To Cart | |
| 66 | 855038 - 9861R Right Front Fill Shroud | Call For Details | |
| 67 | 644275 - 9861R Fill Shroud | Call For Details | |
| 68 | 855088 - 9861 Right Lower Shroud | Add To Cart | |
| 69 | 855089 - Left Lower Shroud | Add To Cart | |
| 70 | 604317 - Flex Discharge Shield Assembly | Add To Cart | |
| 71 | 420901 - Step Tread | Add To Cart | |
| 72 | 755114 - 3461 Gearbox Shield | Add To Cart | |
| 73 | 603283 - Decal Set for 34 Series Deck | Add To Cart |