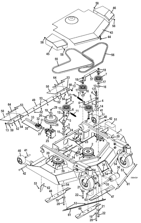
3552R Rear Discharge Deck Mower Assembly - 2010
Click On a Part Number Below for Details
NOTE: If the part number you select is not linked to the shopping cart,call toll-free 866-698-4070 for availability.
| Item # | Part Number - Description | Price | |
|---|---|---|---|
| 1 | 645250 - 3552R Deck | Call For Details | |
| 2 | 415892 - Sheave | Add To Cart | |
| 3 | 824502 - Idler Arm with Bearing & Pedestal | Add To Cart | |
| 4 | 121756 - Oilite Bearing | Add To Cart | |
| 5 | 121650 - Pedestal Bearing | Add To Cart | |
| 6 | 422520 - Nylon Bearing | Add To Cart | |
| 7 | 393225 - Idler | Add To Cart | |
| 8 | 243565 - Hex Bolt | Add To Cart | |
| 9 | 257062 - Washer | Add To Cart | |
| 10 | 423670 - Idler Arm with Stabilizer Cap | Add To Cart | |
| 11 | 283820 - Spring Extension with Swivel | Add To Cart | |
| 12 | 257040 - Washer | Add To Cart | |
| 13 | 253043 - Whiz Nut | Add To Cart | |
| 14 | 257061 - Washer | Add To Cart | |
| 15 | 883801 - Washer | Add To Cart | |
| 16 | 883804 - Washer | Add To Cart | |
| 17 | 902313 - Spacer | Add To Cart | |
| 18 | 253067 - Spiral Lock Flange Nut | Add To Cart | |
| 19 | 257041 - Cupped Washer | Add To Cart | |
| 20 | 243375 - Hex Bolt | Add To Cart | |
| 21 | 257059 - Washer | Add To Cart | |
| 22 | 243600 - Hex Bolt | Add To Cart | |
| 23 | 730391 - Idler Adjustment J Bolt | Add To Cart | |
| 24 | 254450 - Nut | Add To Cart | |
| 25 | 390019 - Right Angle Clockwise Gearbox | Add To Cart | |
| 26 | 415915 - Sheave | Call For Details | |
| 27 | 281833 - Woodruff Key | Add To Cart | |
| 28 | 281828 - Woodruff Key | Add To Cart | |
| 29 | 243331 - Hex Bolt | Add To Cart | |
| 30 | 398528 - UN Half Shaft | Add To Cart | |
| 31 | 401010 - Yoke | Add To Cart | |
| 32 | 121010 - Cross & Bearing | Add To Cart | |
| 33 | 402608 - Yoke & Shaft | Add To Cart | |
| 34 | 253035 - Whiz Nut | Add To Cart | |
| 35 | 644512 - Roller Lock Pin | Add To Cart | |
| 36 | 603725 - 2 Piece Center Roller Assembly | Add To Cart | |
| 37 | 820316 - 2 Link Chain | Add To Cart | |
| 38 | 253192 - Hex Flange Whiz Bolt | Add To Cart | |
| 39 | 254431 - Speed Nut | Add To Cart | |
| 40 | 484230 - Center Hub Anti Scalp Wheel | Add To Cart | |
| 41 | 942137 - Bearing Tube | Add To Cart | |
| 42 | 247310 - Carriage Bolt | Add To Cart | |
| 43 | 604859 - 3552 Center Shield Assembly | Call For Details | |
| 44 | 281300 - Rubber Draw Latch | Add To Cart | |
| 45 | 722898 - 3561 Right Belt Shield | Add To Cart | |
| 46 | 722899 - 3561 Left Belt Shield | Add To Cart | |
| 47 | 320236 - 18' Medium Lift Blade | Call For Details | |
| 48 | 320280 - 18' Medium Notch Lift CCW Blade | Call For Details | |
| 49 | 424168 - 3552 Center Deck Flap | Add To Cart | |
| 50 | 424169 - 3552 Right/Left Deck Flap | Add To Cart | |
| 51 | 420901 - Step Tread | Add To Cart | |
| 52 | 253176 - Truss Whiz Bolt | Add To Cart | |
| 53 | 253025 - Whiz Nut | Add To Cart | |
| 54 | 253177 - Truss Whiz Bolt | Add To Cart | |
| 55 | 382845 - Belt | Add To Cart | |
| 56 | 382153 - Belt | Add To Cart | |
| 57 | 732605 - Deck Shield Support Bracket | Call For Details | |
| 58 | 253173 - Hex Whiz Bolt | Add To Cart | |
| 59 | 729482 - 3552 Right Rear Extension Bracket | Call For Details | |
| 60 | 729483 - 3552 Left Rear Extension Bracket | Call For Details | |
| 61 | 754102 - 6852/M152 Air Dam | Call For Details | |
| 62 | 774186 - 3552 Right Shroud Extension Bracket | Call For Details | |
| 63 | 774187 - 3552 Left Shroud Extension Bracket | Call For Details | |
| 64 | 782352 - 3552 Right/Left Flap Strap | Call For Details | |
| 65 | 605407 - Decal Set 3552/3561 | Call For Details |