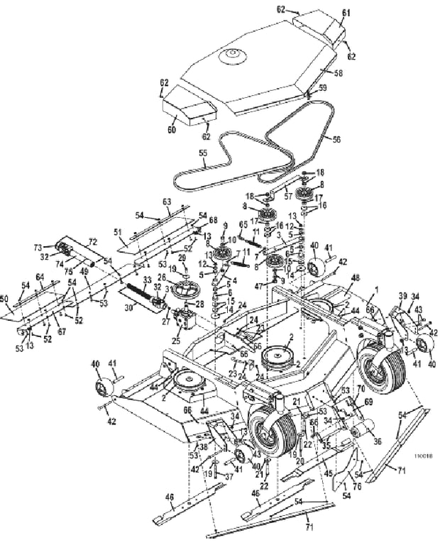
3572R Rear Discharge Deck Mower Assembly - 2014
Click On a Part Number Below for Details
NOTE: If the part number you select is not linked to the shopping cart,call toll-free 866-698-4070 for availability.
Item # | Part Number - Description | Price | |
---|---|---|---|
1 | 645252 - 3572R Deck Weldment | Call For Details | |
2 | 831542 - Sheave | Add To Cart | |
3 | 824583 - Idler Arm w/Bearing & Pedestal | Call For Details | |
4 | 824502 - Idler Arm w/Bearing & Pedestal | Add To Cart | |
5 | 121756 - Oilite Bearning | Add To Cart | |
6 | 121650 - Pedestal Bearing | Add To Cart | |
7 | 422520 - Nylon Bearing | Add To Cart | |
8 | 393225 - Idler | Add To Cart | |
9 | 243565 - Hex Bolt | Add To Cart | |
10 | 257062 - Washer | Add To Cart | |
11 | 283820 - Spring Extension w/Swivel | Add To Cart | |
12 | 257040 - Washer | Add To Cart | |
13 | 253043 - Whiz Nut | Add To Cart | |
14 | 257061 - Washer | Add To Cart | |
15 | 883801 - Washer | Add To Cart | |
16 | 883804 - Washer | Add To Cart | |
17 | 902313 - Spacer | Add To Cart | |
18 | 253067 - Spiral Loc Flange Nut | Add To Cart | |
19 | 257041 - Cupped Washer | Add To Cart | |
20 | 243375 - Hex Bolt | Add To Cart | |
21 | 257059 - Washer | Add To Cart | |
22 | 243600 - Hex Bolt | Add To Cart | |
23 | 730391 - Idler Adjustment 'J' Bolt | Add To Cart | |
24 | 254450 - Nut | Add To Cart | |
25 | 390019 - Rt Angle Clockwise Gearbox | Add To Cart | |
26 | 415915 - Sheave | Call For Details | |
27 | 281833 - Woodruff Key | Add To Cart | |
28 | 281828 - Woodruff Key | Add To Cart | |
29 | 243331 - Hex Bolt | Add To Cart | |
30 | 398527 - ASM 11.0 UN Half Shaft | Add To Cart | |
31 | 401010 - Yoke | Add To Cart | |
32 | 121010 - Cross & Bearing | Add To Cart | |
33 | 402611 - Yoke & Shaft 6x11 | Add To Cart | |
34 | 253035 - Whiz Nut | Add To Cart | |
35 | 644512 - Roller Lock Pin | Add To Cart | |
36 | 603725 - Center 2 Piece Roller Assembly | Add To Cart | |
37 | 243381 - Hex .375-16x3.75 | Add To Cart | |
38 | 645580 - Rt Anti-Scalp Roller Mount | Add To Cart | |
39 | 645579 - Lt Anti-Scalp Roller Mount | Add To Cart | |
40 | 484230 - Center Hub Anti-Scalp Wheel | Add To Cart | |
41 | 942137 - Bearing Tube | Add To Cart | |
42 | 247310 - Carriage Bolt | Add To Cart | |
43 | 247135 - Carriage Bolt | Add To Cart | |
44 | 254431 - Speed Nut | Add To Cart | |
45 | 320253 - 25 inch High Lift Notch Blade | Call For Details | |
46 | 320290 - 25 inch Medium Lift Notch Counter Clockwise Blade | Call For Details | |
47 | 423670 - Idler Arm Stabilizer Cap | Add To Cart | |
48 | 420904 - Foot Rest Extension Tread | Add To Cart | |
49 | 424157 - 3572 Center Flap Deck | Add To Cart | |
50 | 424158 - 3572 Rt Flap Deck | Add To Cart | |
51 | 424159 - 3572 Lt Flap Deck | Add To Cart | |
52 | 253176 - Truss Whiz Bolt | Add To Cart | |
53 | 253177 - Truss Whiz Bolt | Add To Cart | |
54 | 253025 - Whiz Nut | Add To Cart | |
55 | 383000 - Belt | Add To Cart | |
56 | 382157 - Belt | Add To Cart | |
57 | 732608 - Support | Call For Details | |
58 | 604858 - 3572 Center Shield Assembly | Call For Details | |
59 | 281300 - Rubber Draw Latch | Add To Cart | |
60 | 722956 - Shield | Add To Cart | |
61 | 722957 - Shield | Call For Details | |
62 | 253173 - Hex Whiz Bolt | Add To Cart | |
63 | 782358 - Strap | Add To Cart | |
64 | 782359 - Strap | Add To Cart | |
65 | 820316 - Chain - 2 Links | Add To Cart | |
66 | 253192 - Hex Whiz Flange Bolt | Add To Cart | |
67 | 729658 - Rt Extension | Call For Details | |
68 | 729659 - 3572 Lt Rear Extension Bracket | Call For Details | |
69 | 755071 - Roller Mount | Add To Cart | |
70 | 247253 - Carriage Bolt | Add To Cart | |
71 | 754122 - M172/9772 Air Dam | Add To Cart | |
72 | 398918 - QD UN Half Sleeve | Add To Cart | |
73 | 401019 - Yoke Splined Quick Disconnect | Add To Cart | |
74 | 401018 - Yoke w/Sleeve #6 | Add To Cart | |
75 | 280740 - Grease (Zerk) Fitting | Add To Cart | |
76 | 724976 - 3572 Shroud Extension Bracket | Add To Cart | |
77 | 605407 - 3552/3561 Pict Decal Set | Call For Details |