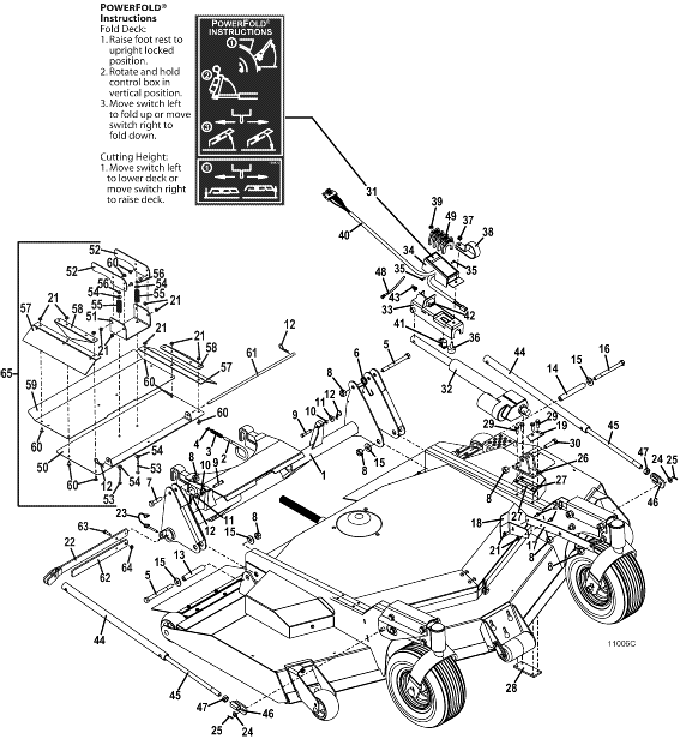
3572R Rear Discharge Front Mount DeckLift Arm with Optional Electric Powerfold Actuator - 2018
Click On a Part Number Below for Details
NOTE: If the part number you select is not linked to the shopping cart,call toll-free 866-698-4070 for availability.
| Item # | Part Number - Description | Price | |
|---|---|---|---|
| 1 | 645522 - 3572 Lift Arm Assembly | Call For Details | |
| 2 | 730433 - Deck Mount Latch Pin | Add To Cart | |
| 3 | 283285 - Compression Spring | Add To Cart | |
| 4 | 263490 - External Retainer | Add To Cart | |
| 5 | 243635 - Hex Bolt | Add To Cart | |
| 6 | 284423 - Torsion Spring | Add To Cart | |
| 7 | 243580 - Hex Bolt | Add To Cart | |
| 8 | 253930 - Lock Nut | Add To Cart | |
| 9 | 261362 - Clevis Pin | Add To Cart | |
| 10 | 262950 - Push-On Retainer | Add To Cart | |
| 11 | 257040 - Washer | Add To Cart | |
| 12 | 260523 - Hair Pin | Add To Cart | |
| 13 | 902002 - Right Lift Arm Pivot Tube 3472 | Add To Cart | |
| 14 | 902001 - Left Lift Arm Pivot Tube 3472 | Add To Cart | |
| 15 | 257060 - Washer | Add To Cart | |
| 16 | 243640 - Hex Bolt | Add To Cart | |
| 17 | 774672 - 3472PF Cut Height Arm | Call For Details | |
| 18 | 729498 - 3472PF Cut Height Plate | Call For Details | |
| - | 162210 - Cutting Height Decal | Call For Details | |
| 19 | 774673 - 3472PF Cut Height Pointer | Add To Cart | |
| 20 | 253173 - Hex Whiz Bolt | Add To Cart | |
| 21 | 253025 - Whiz Nut | Add To Cart | |
| 22 | 604843 - Traction Kit Lever Assembly | Add To Cart | |
| - | 643944 - Offset Traction Kit Tool | Add To Cart | |
| 23 | 261624 - Linch Pin | Add To Cart | |
| 24 | 257063 - Washer | Add To Cart | |
| 25 | 260650 - Cotter Pin | Add To Cart | |
| 26 | 644056 - 34 Electric Lift Actuator Mount | Add To Cart | |
| 27 | 900142 - Electric Lift Actuator Mount Spacer | Add To Cart | |
| 28 | 776089 - 34 Actuator Threaded Plate | Add To Cart | |
| 29 | 253193 - Hex Flange Whiz Bolt | Add To Cart | |
| 30 | 243580 - Hex Bolt | Add To Cart | |
| 31 | 165430 - Powerfold Pictorial Decal | Add To Cart | |
| 32 | 180035 - 12 volt Actuator | Add To Cart | |
| - | 182540 - Electric Motor | Add To Cart | |
| 33 | 644805 - Electric Lift Switch Mount | Add To Cart | |
| 34 | 722005 - Electric Lift Switch Shield | Add To Cart | |
| 35 | 250169 - Hex Machine Screw | Add To Cart | |
| 36 | 424056 - Bumper with Stud | Add To Cart | |
| 37 | 253035 - Whiz Nut | Add To Cart | |
| 38 | 732315 - Power Fold Height Adjustment Spacer Mount | Add To Cart | |
| 39 | 902297 - .25 THK Spacer | Add To Cart | |
| 40 | 605965 - Deck Tilt/Height Adjustment Wiring Assembly | Add To Cart | |
| 41 | 183867 - Snap Mount Plunger SPST NC Switch | Add To Cart | |
| 42 | 184084 - Toggle | Add To Cart | |
| 43 | 425200 - Toggle Switch Boot | Add To Cart | |
| 44 | 645179 - 3472 Lift Linkage Tube | Add To Cart | |
| 45 | 830010 - 3472 Linkage Rod | Call For Details | |
| 46 | 645177 - 3472 Lift Rod Bracket | Add To Cart | |
| 47 | 254490 - Nut | Add To Cart | |
| 48 | 423149 - Releasable Wire Tie | Add To Cart | |
| 49 | 423697 - Powerfold Height Adj. Spacer | Add To Cart | |
| 50 | 645763 - 3552/61 Discharge Shield | Add To Cart | |
| 51 | 724764 - 35 Series Short Shield Holder | Call For Details | |
| 52 | 774346 - Shield Support Arm Plate | Call For Details | |
| 53 | 243050 - Hex Bolt | Add To Cart | |
| 54 | 257020 - Washer | Add To Cart | |
| 55 | 283320 - Compression Spring | Add To Cart | |
| 56 | 253440 - Nylon Insert Nut | Add To Cart | |
| 57 | 424170 - 3552/61 Discharge Shield Flap | Add To Cart | |
| 58 | 724972 - Discharge Flap Support | Call For Details | |
| 59 | 722961 - Rear Discharge Shield | Add To Cart | |
| 60 | 253176 - Truss Whiz bolt | Add To Cart | |
| 61 | 780425 - Rear Discharge Shield Pin | Add To Cart | |
| 62 | 782979 - Traction Kit Ext Lever | Add To Cart | |
| 63 | 243205 - Hex Bolt | Add To Cart | |
| 64 | 253450 - Nylon Insert Nut | Add To Cart | |
| 65 | 504640 - Front Mount Rear Discharge Shield Kit | Add To Cart |